www.strumentazioneelettronica.it

resultsUrl="https://www.strumentazioneelettronica.it/risultati-ricerca/"

Indice articoli

Assorbimento batteriaChe tutti desideriamo prodotti piccoli, leggeri, e con una durata infinita dalla batteria è un fatto noto.

Meno noto è come un progettista possa soddisfare queste esigenze contrastanti.

Ancora meno noto è riuscire a capire esattamente quanto e come consumerà il nostro dispositivo elettronico e, soprattutto, come ottimizzare il progetto affinché nelle condizioni reali di utilizzo la batteria possa veramente durare a lungo.

Il problema della misura dei consumi di un dispositivo portatile nasce dal dinamismo intrinseco della correnti in gioco.

Infatti, la situazione tipica dei prodotti portatili è quella di avere un’attività discontinua caratterizzata da assorbimenti elevati durante lo stato di attività, e da correnti estremamente ridotte durante lo stato di riposo.

Le correnti nei due casi possono differire di tanti ordini di grandezza. E’ piuttosto comune il caso che nello stato attivo un prodotto (si pensi a un dispositivi radiotrasmittente qualunque) possa assorbire 1 o più Ampere, mentre nello stato di riposo anche solo qualche microampere.


Shunt per misurare la correnteL’abbiamo studiato nel primo corso di elettrotecnica. Se vogliamo misurare la corrente assorbita mettiamo in serie al circuito una resistenza, misuriamo la tensione ai sui capi con un voltmetro e tramite la legge di Ohm sappiamo ricavare la corrente che scorre.

Per cambiare scala, basta cambiare la resistenza del circuito di misura, tipicamente mettendone una di valore opportuno in parallelo (shunt) e il gioco è fatto.

Tutto facile? Mica tanto se la corrente (e quindi la tensione misurata) varia in una frazione di microsecondo da 1 µA a 1 A, ossia di un milione di volte.

Se impostiamo il fondo scala dello strumento per vedere bene la corrente di 1 A, la corrente a riposo dell’ordine dei µA sarà probabilmente immersa nel rumore di fondo dello strumento, ma per noi è altrettanto importante, in quanto la correnti negli stati di riposo hanno un’enorme influenza nella durata della batteria.

Inoltre, c’è un’ulteriore complicazione.

In alcune applicazioni le corrente le correnti nello stato attivo e a riposo sono note con discreta approssimazione, ma bisogna verificare se davvero l’apparecchio si attiva nelle condizioni e con le frequenza che ci aspettiamo.

Dobbiamo allora osservarlo per un intervallo di tempo piuttosto lungo per caratterizzarlo in condizioni realistiche e identificare eventuali attivazioni non previste o non necessarie per la funzionalità che intendiamo garantire e che farebbero solo consumare inutilmente di più.

Cosa servirebbe allora? Uno strumento con una dinamica di misura della corrente elevatissima (dal nanoAmpere all’Ampere) e con funzioni di data logger per osservare il comportamento sul lungo periodo.


Obiettivo del progettista è di ottimizzare il proprio sistema per minimizzare i consumi.

Ecco che allora l’elettronica moderna ha saputo inventare sottosistemi e porzioni di circuiti che ‘si spengono’ o che ‘si addormentano’ quando non sono necessari, il tutto sotto la regia di un controllore di gestione della potenza intelligente.

Va da sé che per verificarne il corretto funzionamento e per identificare ulteriore opportunità di ottimizzazione del sistema di gestione della potenza serve simulare realisticamente il comportamento dell’alimentatore o della batteria misurandone in tempo reale il comportamento.

Operativamente serve quindi un sistema di misura e alimentazione a due quadranti per simulare la batteria, ossia un dipolo a tensione positiva che possa erogare o assorbire corrente.

Tensioni di uscita programmabiliInoltre, sarebbe utile che lo strumento potesse comportarsi come una batteria, con il suo valore di resistenza interna che varia in base al livello di carica e alla temperatura, oppure ancora che possa erogare tensioni di alimentazione multiple, possibilmente con avvio ritardabile nel tempo, come richiesto in molte sequenze di attivazione delle tensioni di alimentazione necessarie nei sistemi moderni.

 


Analizzatore di alimentazione Agilent N6705BLo strumento adatto a svolgere questi compiti lo abbiamo trovato tra le ultime novità presentate da Agilent per le sua piattaforma di alimentazione e misura modulari serie N6705B (da banco) e N6700 (da rack).

In particolare, abbiamo provato il modulo di alimentazione e misura (SMU) a due quadranti N6781A particolarmente adatto a eseguire misure su prodotti alimentati a batteria.

Vediamone prima le caratteristiche principali per poi vederlo in azione in un esempio pratico.

L’analizzatore di alimentazione DC da banco Agilent N6705B è uno strumento modulare che permette di erogare e misurare una tensione/corrente di alimentazione utilizzando fino a 4 canali indipendenti, ognuno dei quali può simulare il comportamento di un alimentatore reale introducendo forme d’onda secondo le proprie esigenze.

Lo schermo a colori permette di impostare e visualizzare le misure direttamente come se fosse un multimetro, un oscilloscopio o un data logger. Per essere più comodi nella visualizzazione, o per effettuare analisi ancora più approfondite, è possibile sfruttare un comune PC (e la sua memoria praticamente infinita) collegabile in rete con lo strumento e sul quale si installa il software di analisi e controllo 14585A.

Cambio gamma automatico (seamless range)Il modulo di alimentazione e misura a due quadranti N6781A supporta una funzionalità di cambio gamma automatico (seamless range) brevettata da Agilent che consente di eseguire misure di corrente con fondo scala dinamicamente variabili nalla gamma da 1 mA fino a 3 A mantenendo sempre l’accuratezza entro ±0,025%.

E’ come se lo strumento fosse dotato di un digitalizzatore virtuale da 28 bit (in realtà è fisicamente da 18 bit) che consente di vedere, sullo stesso schermo e senza alcuna perdita di accuratezza o capacità di dettaglio, sia le correnti a riposo dell’ordine dei µA, sia quelle nello stato attivo nell’ordine dei 3 A.

Ciò significa riuscire a misurare correnti anche di pochi nA. Ma ancora più straordinario è il fatto che la modifica dinamica della resistenza di shunt durante il cambio scala automatico avvenga senza alcuna caduta di tensione significativa alle uscite dell'alimentatore. Si tratta di un aspetto fondamentale, molto difficile da ottenere, ma che è indispensabile affinché lo strumento di misura non influenzi il dispositivo in prova.

Funzionamento a 2 quadranti programmabileIl modulo N6781A può inoltre alimentare simulando il comportamento di un normale alimentatore DC, di una batteria reale con la sua resistenza interna, di un caricabatterie o di un carico elettronico a tensione costante o corrente costante.

 


Abbiamo messo alla prova le capacità di misura del modulo di alimentazione e misura N6781A analizzando l’assorbimento della batteria di un comune sensore di temperatura e umidità wireless per applicazioni domestiche alimentato a batteria.

Per facilitarci il compito abbiamo collegato all’analizzatore di alimentazione DC Agilent N6705B un notebook sul quale abbiamo installato il software di analisi Agilent 14585A e registrando per qualche minuto con la funzione data logger i consumi acquisiti ai capi delle due batterie alcaline AAA che alimentano il sensore.

Assorbimento intermittente

Il comportamento è quello che ci aspettiamo, lunghi periodi di riposo intervallati da brevi momenti di attività durante i quali le misure di temperatura e attività vengono trasmesse via radio.

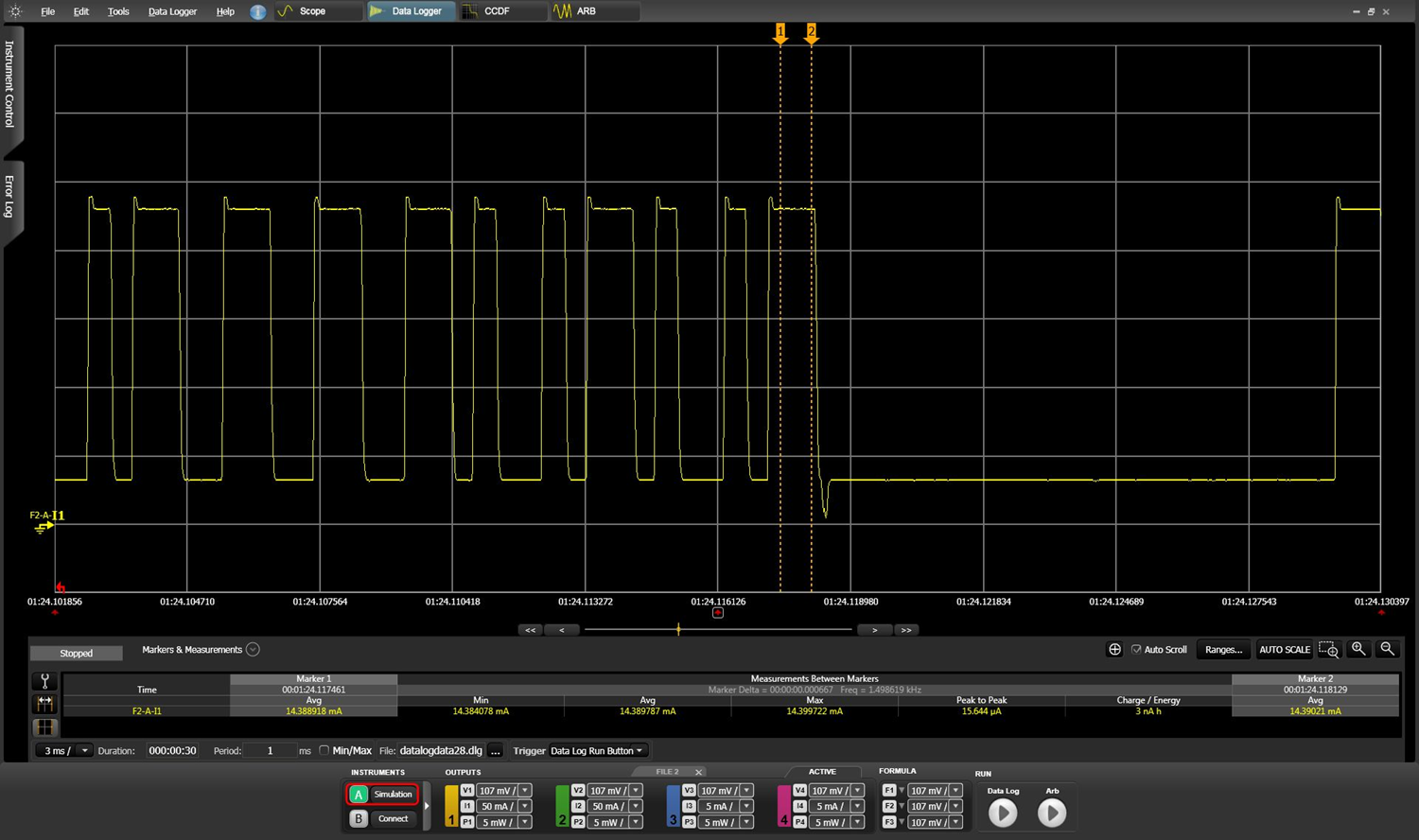
Usando il Marker1 possiamo notare che la corrente a riposo è mediamente di circa 7,5 µA, valore confermato dal Marker2 posto appena prima del periodo di attività.

Spostando il Marker2 oltre il periodo di attività e osservando il valore massimo misurato noteremmo che durante la trasmissione l’assorbimento raggiunge un picco di 14 mA, ossia 2.000 volte il valore della corrente di riposo.

Ingrandimento picco di assorbimentoProviamo a ingrandire la zona del picco.

Scopriamo il periodo di elevato assorbimento dovuto alla trasmissione è composto lungo circa 200 ms e composto da due periodi distinti con il picco di corrente che raggiunge i 14 mA, ma che è preceduto da un primo gradino che porta l’assorbimento a 2 mA, probabilmente dovuto all’accensione del LED che segnale l’attività del sensore.

Assorbimento corrispondente ai dati trasmessiIngrandiamo ancora il periodo di assorbimento di picco e scopriamo la struttura dei dati trasmessi. Volendo potremmo divertirci e decodificare persino il protocollo trasmesso, pur se non stiamo utilizzando né un oscilloscopio, né un analizzatore di spettro, stiamo semplicemente misurando l’energia erogata dalla batteria!

 

Assorbimento sospettoRitorniamo alla visualizzazione di un periodo più lungo e scopriamo che nel periodo supposto dormiente, c’è in realtà una zona con un assorbimento un po’ più alto, che mettendo i due marker agli estremi possiamo vedere in media pari a 95 µA, ben 14 volte più alto rispetto all’assorbimento medio nel periodo di riposo.

Vediamo di capire cosa succede ingrandendo il periodo.

Assorbimento per esecuzione misureC’è qualche attività in corso che accade circa 100 ms prima dell’inizio della trasmissione, probabilmente il sensore sta effettuando la misura?

Si notano chiaramente diversi slot di attività a cui corrispondono livelli di consumi diversi.

Ci fermiamo qui e non possiamo che apprezzare le doti di questo strumento veramente unico. Vedere in una stessa passata correnti dell’ordine del µA e dell’A non è mai stato così facile e, va ricordato, senza aver scritto una sola riga di codice.

 

Si ringrazia Carlo Canziani, Business Development Manager EMEA della divisione System Products di Agilent, per averci messo a disposizione la strumentazione… e per avere con grande abilità smontato il sensore termometrico.

Fiere e Seminari

embedded world 2026

Embedded World - Norimberga, 10-12 marzo 2026

L'edizione 2026 della fiera che riunisce la comunità internazionale dell’elettronica si svolgerà Centro Espositivo di Norimberga dal 10 al 12 marzo 2026. L'evento combina una…
Logo FocusonPCB

FocusonPCB - Vicenza, 13-14 maggio 2026

"Focus on PCB – From Design to Assembly” torna a Vicenza il 13 e 14 maggio 2026 confermandosi come l’evento di riferimento in Europa per l’industria dei circuiti stampati e per…

Unità di alimentazione e misura (SMU) Siglent SMM3000X

Nuovi Prodotti