www.strumentazioneelettronica.it

resultsUrl="https://www.strumentazioneelettronica.it/risultati-ricerca/"

HD 4096Il logo HD4096 identifica i nuovi oscilloscopi ad alta definizione (HDO) presentati da Teledyne LeCroy.

In concreto, il campionamento passa da 8 a 12 bit, discriminando il segnale in ampiezza tra 4096 livelli di tensione, anziché i classici 256. Il risultato è una forma d’onda molto più nitida e ricca di particolari.

Già introdotta da Teledyne LeCroy nei precedenti modelli WaveRunner HRO 6Zi, l’alta risoluzione negli oscilloscopi digitali non è solo un fatto estetico. Al contrario, permette di raggiungere interessanti obiettivi di misura, soprattutto per osservare meglio segnali ad elevata dinamica, quando i difetti di annidano nei particolari.

La nuova gamma di oscilloscopi ad alta definizione delle serie HDO4000 e HDO6000 permette di estendere questa tecnologia a una molto più vasta gamma di potenziali applicazioni, in quanto i nuovi modelli strumenti coprono una larghezza di banda massima che va da 200 MHz a 1 GHz, in una fascia di mercato anche più economica rispetto a quella degli strumenti ad alta risoluzione precedentemente disponibili.

Forma d'onda acquisita a 8 bit e 12 bit

Aumentare la risoluzione di un convertitore analogico/digitale da 8 a 12 bit, in questo caso specifico che lavora con una frequenza di campionamenti di ben 2,5 Gs/s, è tutt’altro che un gioco da ragazzi, tanto che ci sono voluti vent’anni di evoluzione dell’oscilloscopio digitale per arrivare a questo risultato.

Il problema, infatti, non è solamente quello di aumentare la risoluzione, ma è di ottenere una risoluzione maggiore anche alle frequenze del segnale più elevate senza aumentare il rumore, altrimenti si otterrebbe semplicemente una visualizzazione ad alta risoluzione del rumore, anziché del segnale utile.

Gli investimenti effettuati da Teledyne LeCroy nella specifica tecnologia dell'amplificazione, campionamento e conversione a basso rumore hanno portato alla realizzazione di questa nuova generazione di oscilloscopi, che utilizzano una nuova generazione di stadi di ingresso e conversione a bassisimo rumore intrinseco.

L’esperienza pioneristica della multinazionale americana negli oscilloscopi ad alta risoluzione le ha permesso di proporre due nuove linee di strumenti molto interessanti per la loro capacità di “ampliare la visibilità” sui segnali nella gamma di frequenze più diffusa tra gli utilizzatori di oscilloscopi, ossia quella coperta dagli strumenti da 200 MHz a 1 GHz.

Oscilloscopio Teledyne LeCroy HDONello specifico, la più economica nuova famiglia HDO4000 comprende modelli da 200 MHz, 350 MHz, 500 MHz e 1 GHz a 2 e 4 canali equipaggiati con una memoria di 12,5 Mpunti/canale espandibile a 50 Mpunti/canale.

La più costosa nuova famiglia HDO6000 comprende invece modelli a 4 canali da 350 MHz, 500 MHz e 1 GHz equipaggiati con una memoria da 50 Mpunti/canale espandibile a 250 Mpunti/canale, un processore più potente e con l’applicazione per l’analisi spettrale fornita di serie.

Tutti i nuovi oscilloscopi ad alta definizione Teledyne LeCroy sono dotati di uno schermo tattile da 12,1 pollici e da tutte le e potenti funzionalità avanzate già presenti anche nella famiglia di prodotti WaveSurfer e WaveRunner, come la funzione di ricerca WaveScan, la memoria segmentata, la documentazione istantanea con LabNotebook e la possibilità di impostare trigger e decodifiche su tutti i più diffusi bus seriali.

A breve sarà inoltre disponibile un aggiornamento del firmware che introdurrà delle nuove modalità di interazione multitocco con il touchscreen, per facilitare ulteriormente l’utilizzo degli strumenti. Ad esempio, si potrà effettuare lo zoom della forma d’onda pizzicando lo schermo o farla scorrere con gesti analoghi a quelli utilizzati nelle interazioni con i più comuni tablet.

Visione dei segnali ad alta definizione

Torniamo con un esempio concreto al concetto di oscilloscopio ad alta definizione per apprezzare dove può essere particolarmente utile.

Osserviamo un segnale di un transistor MOSFET utilizzato in un alimentatore a commutazione, in particolare la sua tensione di saturazione Vds.

Qui sotto il segnale acquisito con un classico oscilloscopio a 8 bit.

1210_LeCroy_Mosfet_8bit

Ecco lo stesso segnale acquisito con i nuovi oscilloscopi serie HDO di Teledyne LeCroy a 12 bit.

Forma d'onda oscilloscopio a 12 bit

La traccia della tensione di saturazione è molto più nitida e ricca di particolari, proprio per il fatto che stiamo cercando di osservare variazioni di tensione piuttosto piccole insieme a variazione di tensioni molto più grandi, che metterebbero a dura prova la ridotta dinamica disponibile con la risoluzione a 8 bit.

Proprio come avviene guardando la televisione, una volta vista una trasmissione ad alta definizione, quelle a definizione normale sembrano addirittura sfuocate. Lo stesso accade con gli oscilloscopi HD4096, le forme d’onda non saranno più le stesse!

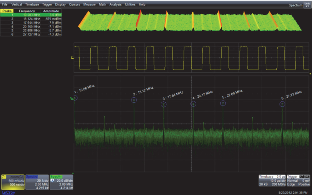
Analisi spettrale con l’oscilloscopio

La maggiore dinamica intrinseca degli oscilloscopi HD con convertitore A/D a 12 bit, pari a circa 72 dB anziché i 48 dB dei convertitori a 8 bit, rende ancora più interessanti questi strumenti per eseguire analisi nel dominio della frequenza.

Per l’occasione Teledyne LeCroy ha rinnovato il proprio pacchetto applicativo (opzionale nei modelli HDO 4000, di serie nei modelli HDO6000) destinato all’analisi spettrale.

Analisi spettrale con oscilloscopio Teledyne LeCroyRispetto alle versioni precedenti, il software ha un’interfaccia molto più simile a quella dei classici analizzatori di spettro e risulta più semplice regolare i parametri quali l’intervallo di scansione della frequenza (sweep), la larghezza di banda di risoluzione e la frequenza centrale.

E’ inoltre possibile applicare filtri per i segnali di ingresso e osservare il relativo cambiamento a livello di frequenze in tempo reale.

Un sistema di ricerca dei picchi identifica ed etichetta le componenti spettrali, la frequenza e i livelli per presentarli in una unica tabella riassuntiva, la quale consente poi di cliccare su qualsiasi valore per passare istantaneamente al picco corrispondente, nonché di visualizzare lo spettrogramma per vedere come il contenuto armonico del segnale si evolve nel tempo.

Misure su sistemi di potenza

Rinnovata anche l’applicazione opzionale dedicata alle misure su sistemi di potenza, che risulta particolarmente comoda per eseguire misure e analisi su alimentatori a commutazione, azionamenti e sistemi di conversione dell’energia in genere.

Analisi di potenza con oscilloscopio Teledyne LeCroyIl pacchetto software Power Analysis mette in evidenza intuitivamente le caratteristiche fondamentali di funzionamento dei convertitori di potenza attraverso misure automatiche sulle perdite e un'interfaccia utente dedicata.

Le aree di funzionamento in conduzione e in interdizione e i relativi transitori di commutazione dei dispositivi di potenza sono identificate con sovrapposizioni di forme d'onda di differenti colori codificati.

Inoltre, il software semplifica l’esecuzione di misure automatiche sui dispositivi di potenza, l’analisi della modulazione dell’anello di controllo e la determinazione della armoniche indotte sulla linea di alimentazione.

Caratteristiche principali degli oscilloscopi HD di Teledyne LeCroy

Gli oscilloscopi ad alta definizione della famiglia HDO6000 utilizzano per l'elaborazione dei segnali acquisiti un processore Intel i5 a 2,5 GHz con 4 GB di memoria RAM.

Supportano fino 8 tracce con elaborazioni matematiche, vengono forniti di serie con l'applicazione per l'analisi spettrale e supportano tutti i pacchetti applicativi software opzionali: analisi di potenza, JitKit, maschere per dati seriali, misure su Disk Drive, decodifica e trigger di bus seriali, personalizzazioni avanzate, compatibilità elettromagnetica e filtri digitali.

Tabella 1 - Caratteristiche fondamentali degli oscilloscopi Teledyne LeCroy HDO6000

Modello HDO6034 HDO6054 HDO6104
Banda 350 MHz 500 MHz 1 GHz
Canali 4 4 4
Risoluzione 12 bit 12 bit 12 bit
Campionamento 2,5 Gs/s 2,5 Gs/s 2,5 Gs/s
Memoria (per canale) 50 Mpts 50 Mpts 50 Mpts
Memoria massima (per canale) 250 Mpts 250 Mpts 250 Mpts
Display touch 12,1" touch 12,1" touch 12,1"

Gli oscilloscopi ad alta definizione della famiglia HDO4000 utilizzano per l'elaborazione dei segnali acquisiti un processore Intel Celeron a 1,6 GHz con 2 GB di memoria RAM.

Supportano fino 2 tracce con elaborazioni matematiche e i principali pacchetti applicativi software opzionali: analisi spettrale, analisi di potenza, decodifica e trigger di bus seriali.

Tabella 2 - Caratteristiche fondamentali degli oscilloscopi Teledyne LeCroy HDO4000

Modello HDO4022 HDO4024 HDO4032 HDO4034 HDO4054 HDO4104
Banda 200 MHz 200 MHz 350 MHz 350 MHz 500 MHz 1 GHz
Canali 2 4 2 4 4 4
Risoluzione 12 bit 12 bit 12 bit 12 bit 12 bit 12 bit
Campionamento 2,5 Gs/s 2,5 Gs/s 2,5 Gs/s 2,5 Gs/s 2,5 Gs/s 2,5 Gs/s
Memoria (per canale) 12,5 Mpts 12,5 Mpts 12,5 Mpts 12,5 Mpts 12,5 Mpts 12,5 Mpts
Memoria massima (per canale / interlacciata) 25 / 50 Mpts 25 / 50 Mpts 25 / 50 Mpts 25 / 50 Mpts 25 / 50 Mpts 25 / 50 Mpts
Display touch 12,1" touch 12,1" touch 12,1" touch 12,1" touch 12,1" touch 12,1"

Fiere e Seminari

Logo FocusonPCB

FocusonPCB - Vicenza, 13-14 maggio 2026

"Focus on PCB – From Design to Assembly” torna a Vicenza il 13 e 14 maggio 2026 confermandosi come l’evento di riferimento in Europa per l’industria dei circuiti stampati e per…

Oscilloscopio MXO 3

Focus on PCB - 13-14 maggio, Fiera di Vicenza