www.strumentazioneelettronica.it

resultsUrl="https://www.strumentazioneelettronica.it/risultati-ricerca/"

Oscilloscopio LeCroy WaveSurfer MXs-BLa rinnovata serie di oscilloscopi LeCroy WaveSurfer MXs-B offre 25 milioni di punti di memoria (Mpts) e campionamento fino a 10 GS/s in un formato dalle dimensioni contenute con una miriade di funzionalità avanzate comprese nel prezzo

Gli oscilloscopi digitali della serie WaveSurfer hanno riscosso un grandissimo successo sul mercato grazie all'ampio schermo tattile da 10,4 pollici e alle loro caratteristiche di misura avanzate.

Ora LeCroy rilancia grazie alla nuova serie MXs-B, che sostituisce i modelli della generazione precedente introducendo ancora maggiori funzionalità e aumentando le prestazioni di alcune caratteristiche di base, il tutto ad un prezzo ancora più competitivo.

Ma vediamo le novità in maggiore dettaglio.

Innanzitutto la gamma è stata razionalizzata semplificando il numero di modelli, che ora sono tutti dotati di serie di praticamente tutte le funzionalità che in passato erano disponibili solo nelle versioni avanzate.

Ora i modelli sono sei, partendo da quello a 4 canali a 200 MHz, passando per i modelli a 400 e 600 MHz, disponibili con 2 o 4 canali, per finire col modello da 1 GHz, disponibile solo nella versione a 4 canali.

Tutti i modelli da 400, 600 MHz e 1 GHz sono disponibili o aggiornabili successivamente nell’equivalente versione a segnali misti (MSO), nella quale vengono aggiunti 18 canali digitali mediante un sonda esterna (pod) collegata all’oscilloscopio mediante un bus veloce sviluppato da LeCroy.

Tabella 1 - Caratteristiche fondamentali degli oscilloscopi LeCroy WaveSurfer MXs-B

Modello WaveSurfer 24MXs-B WaveSurfer 44MXs-B WaveSurfer 42MXs-B WaveSurfer 64MXs-B WaveSurfer 62MXs-B WaveSurfer 104MXs-B
Banda 200 MHz 400 MHz 400 MHz 600 MHz 600 MHz 1 GHz
Canali analogici 4 4 2 4 2 4
Campionamento 2,5 Gs/s 5 Gs/s 5 Gs/s 5 Gs/s (tutti i canali)
10 Gs/s (interlacciato)
5 Gs/s (tutti i canali)
10 Gs/s (interlacciato)
5 Gs/s (tutti i canali)
10 Gs/s (interlacciato)
Memoria 12,5 Mpts/canale
25 Mpts (interlacciato)
12,5 Mpts/canale
25 Mpts (interlacciato)
12,5 Mpts/canale
25 Mpts (interlacciato)
12,5 Mpts/canale
25 Mpts (interlacciato)
12,5 Mpts/canale
25 Mpts (interlacciato)
12,5 Mpts/canale
25 Mpts (interlacciato)

 

Tabella 2 - Caratteristiche fondamentali degli oscilloscopi LeCroy per segnali misti WaveSurfer DSO MXs-B

Modello MSO 44MXs-B MSO 64MXs-B MSO 104MXs-B
Banda 400 MHz 600 MHz 1 GHz
Canali analogici 4 4 4
Campionamento 5 Gs/s 5 Gs/s (tutti i canali)
10 Gs/s (interlacciato)
5 Gs/s (tutti i canali)
10 Gs/s (interlacciato)
Memoria 12,5 Mpts/canale
25 Mpts (interlacciato)
12,5 Mpts/canale
25 Mpts (interlacciato)
12,5 Mpts/canale
25 Mpts (interlacciato)
Canali digitali 18 18 18
Campionamento 1 Gs/s 1 Gs/s 1 Gs/s
Memoria 10 Mpts/canale 10 Mpts/canale 10 Mpts/canale

Le caratteristiche migliorate

Mentre è stato mantenuto lo stesso grande schermo tattile da 10,4 pollici e il formato compatto (delle generazione precedente di oscilloscopi WaveSurfer, alcune importanti caratteristiche del sistema di acquisizione sono state potenziate.

Spicca l’aumento della velocità di campionamento massima, che ora arriva fino a 10 Gs/s nei modelli da 600 MHz e 1 GHz in modalità interlacciata, e fino a 5 Gs/s contemporaneamente su tutti e quattro i canali.

Le profondità di memoria, già un elemento qualificante della serie WaveSurfer, è stata ulteriormente ampliata fino a 25 milioni di punti (in modalità interlacciata), oppure fino a 12,5 milioni di punti per tutti i canali attivi contemporaneamente.

Versione MSO dell'oscilloscopio LeCroy WaveSurfer MXs-B
Versione MSO per segnali misti
Nelle versioni MSO per segnali misti sono presenti altri 10 milioni di punti di memoria di acquisizione per ciascun canale digitale che, va ricordato, è completamente indipendente dalla memoria di acquisizione dedicata ai canali analogici. La frequenza massima di campionamento sui 18 canali digitali è di 1 Gs/s senza alcuna limitazione sul numero di canali attivi.

 

Nella gamma di strumenti WaveSurfer MXs-B sono ora disponibili di serie non solo le modalità di trigger classiche, ma anche tutte quelle di tipo avanzato (come dropout, impulsi anomali di tipo runt, intervalli, qualificazione temporale e altre).

Anche tutte le funzionalità di elaborazione matematiche avanzate sono disponibili di serie. Oltre alla classiche operazioni aritmetiche e FFT sono disponibili, medie, derivate, integrali, valori assoluti, reciproci e molte altre.

Misure parametriche e statistiche sulle forme d'onda
Misure parametriche e icone istogramma
Infine, come nei modelli di fascia più alta di LeCroy, nella serie WaveSurfer MXs-B è stata aggiunta la visualizzazione con istogrammi in miniatura, che mostrano le distribuzione statistica dei parametri calcolati a partire dall’acquisizione multipla di forme d’onda ripetitive.

 

Memoria segmentata

Tra le tante funzionalità di misura avanzate ora disponibili di serie in tutti i modelli della serie WaveSurfer, una delle più apprezzate è certamente la memoria segmentata, che rende possibile la cattura di impulsi molto veloci in rapida successione con ritmi di trigger fino a 1,25 milioni di forme d’onda al secondo.

Acqusizione con memoria segmentata
Acqusizione con memoria segmentata
La “Modalità Sequenza”, o memoria segmentata, può inoltre essere utilizzata per ottimizzare l’impiego della memoria di acquisizione registrando i dati solamente quando questi sono presenti e ignorando gli ampi spazi di assenza di segnale tra un gli impulsi o i tempi morti tra burst.

Alla fine, tutti i segmenti delle forme d’onda acquisite sono visualizzati e marcati temporalmente per consentire ulteriori analisi sulle eventuali anomalie riscontrate.

La Modalità Sequenza, suddivisibile fino 10.000 segmenti distinti, combinata con i 25 Mpts di memoria disponibile negli oscilloscopi WaveSurfer MXs-B, rende possibile un triggering estremamente veloce per periodi molto lunghi mantenendo una frequenza di campionamento sempre elevata e garantendo all’utente di catturare i fronti più rapidi o i glitch più rari.

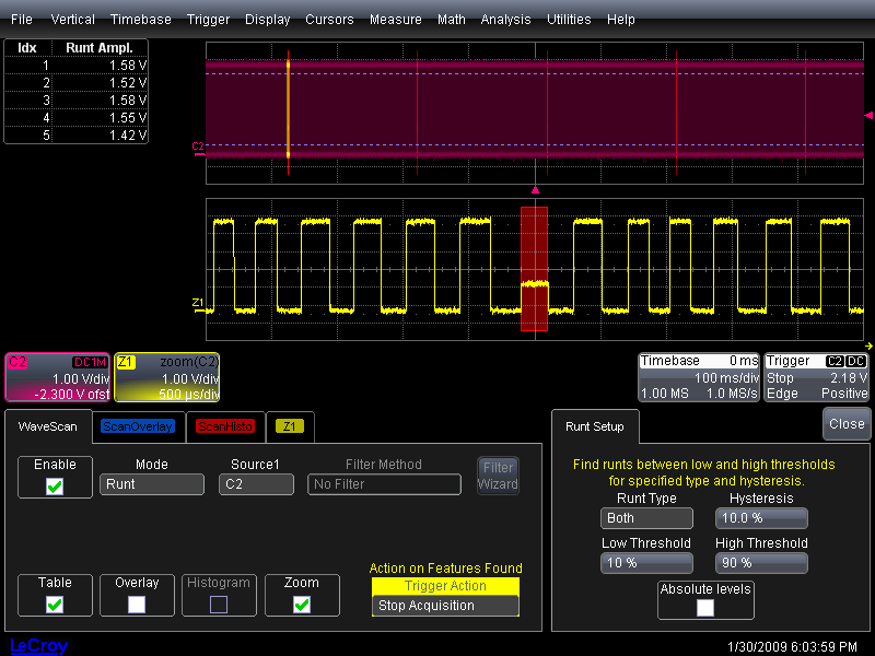
Alla ricerca del problema con WaveScan

La funzionalità di ricerca intelligente sulle forme d’onda, che leCroy chiama WaveScan, offre la capacità di localizzare gli eventi anomali in un'unica acquisizione, oppure di cercare un evento particolare in qualunque acquisizione lunga.

Ricerca di runt con WaveScan
Ricerca veloce di impulsi anomali "runt" con WaveScan
E’ possibile scegliere fra oltre 20 modalità di ricerca (tra cui ampiezza di un impulso, frequenza, tempo di salita e discesa, presenza di impulsi anomali di tipo runt, duty cycle etc.), applicare una condizione di ricerca e identificare immediatamente tutti gli eventi anomali sul segnale acquisito.

Poiché le modalità di scansione delle forma d’onda in modalità WaveScan non sono limitate alle stesse funzioni che sono disponibili sotto forma di trigger hardware, è possibile indagare su un ancor più ampio ventaglio di problematiche che potrebbero affliggere il segnale.

Ad esempio non esiste un “trigger di frequenza” in alcun oscilloscopio, eppure con WaveScan è possibile identificare velocemente le variazioni di frequenza anomale riscontrate sul segnale.

Qualunque parametro misurabile sulla forma d'onda può essere ricercato con WaveScan, che può identificare un evento anomalo all'interno di una singola acquisizione (prima cattura la forma d'onda e poi la scansiona) oppure può mettersi alla ricerca dell'evento definito su molte acquisizioni per un lungo periodo di tempo.

Queste caratteristiche di ricerca e trigger avanzate, che ricordiamo sono comprese di serie in tutti i modelli della serie WavSurfer MXs-B, consentono all’utente di accumulare set di dati relativi ad eventi molto insoliti che avvengono con separazioni di ore o persino giorni, rendendo il collaudo più veloce.

Documentazione istantanea con LabNotebook

Una caratteristica molto apprezzata nell’uso quotidiano degli strumenti WaveSurfer è LabNotebook, una soluzione unica sul mercato per annotare e condividere informazioni e rapporti di misura in modo estremamente semplice e professionale.

LabNotebook semplifica la registrazione dei risultati e la generazione di rapporti eliminando i processi a più passaggi e la necessità usare interfacce esterne; basta usare lo schermo tattile dell’oscilloscopio per annotare le misure fatte e creare istantaneamente, sia un file PDF che documenta le operazioni svolte, sia i file di impostazione, che consentono in futuro di ripetere le misure riutilizzando le stesse impostazioni dello strumento.

Annotazioni con LabNotebookGrazie a LabNotebook si riesce meglio a focalizzarsi sui risultati piuttosto che sui processi di salvataggio, visto che salva automaticamente tutte le forme d’onda visualizzate e le relative impostazioni dello strumento, consentendo anche di aggiungere note a mano con la pennina sullo schermo e di convertire il rapporto completo in formato PDF, RTF o Html. A questo punto i rapporti possono venire stampati o inviati via mail direttamente dall’oscilloscopio.

Uno strumento più reattivo che mai

Gli oscilloscopi digitali possono fare molte cose, tra cui eseguire miriadi di elaborazioni sui campioni acquisiti. L’evoluzione tecnica ha permesso di realizzare memorie di acquisizione molto lunghe, che consentono di osservare lunghi periodi del segnale con frequenze di campionamento molto elevate.

In molti oscilloscopi, però, usando una memoria di acquisizione lunga comporta si deve accettare un compromesso in termini di reattività dello strumento. Molto spesso l’uso di memorie profonde, specie se accoppiato ad elaborazioni complesse del segnale, causa addirittura il “blocco apparente” dello strumento, che diventa non reattivo e sembra “congelato”.

Gli oscilloscopi WaveSurfer MXs-B e MSO MXs-B, al contrario, grazie al potente motore di elaborazione interno basato sui più potenti processori oggi disponibili, non si “bloccano” mai, nemmeno quando visualizzano FFT, misurazioni o decodifiche di dati seriali in acquisizioni lunghe.

L’architettura di WaveSurfer dà la possibilità all’utente di mantenere sempre il controllo sulle misurazioni e non lo obbliga mai ad attendere complesse elaborazioni, anche quando si lavora con 25 Mpunti di memoria di acquisizione.

Trigger e decodifica di dati seriali

Il collaudo dei bus di dati seriali può richiedere molto tempo ed essere fonte di confusione.

Decodifica bus seriale FlexRay
Decodifica bus seriale FlexRay

Le opzioni dedicate al trigger e alla decodifica di bus seriali disponibili per gli oscilloscopi WaveSurfer offrono strumenti che fanno risparmiare tempo nel collaudo e nella validazione di bus seriali.

La modalità di trigger sui dati seriali permette di isolare gli eventi sul bus rapidamente eliminando la necessità di trigger manuali, mentre la decodifica del protocollo è visualizzata direttamente sulla forma d’onda grazie ad una sovrapposizione intuitiva a codice-colore e presentata in formato binario, esadecimale o ASCII.

La decodifica con WaveSurfer è rapida anche nelle lunghe acquisizioni e la possibilità di ingrandire la forma d’onda nella zona di interesse mostra una precisa decodifica byte per byte.

E possibile visualizzare tutti i dati decodificati in una tabella sotto la griglia della forma d’onda per semplificare ulteriormente il collaudo, il semplice tocco di un dato della tabella sul touch screen evidenzierà esattamente quell’evento sulla forma d’onda.

Infine una funzione interna di ricerca consente di trovare specifici valori decodificati.

Gli oscilloscopio MSO MXs-B e WaveSurfer MXs-B mettono a disposizione un'ampia gamma di opzioni per il trigger e la decodifica di segnali dati seriali molto diffusi, quali I2C, SPI, UART, CAN, LIN, FlexRay, USB, ARINC 429, MIL-STD-1553, MIPI D-PHY, DigiRF3G, e Digital Audio, che permettono di coprire qualunque esigenza applicativa nel settore dell’elettronica generale, della difesa, delle telecomunicazioni e del settore automobilistico.

Ingressi per tutte le sonde

Ingressi per sonde con impedenza programmabileUn'altra importante caratteristica unica delle serie WaveSurfer è la possibilità di programmare l'impedenza di ingresso di ciascun canale tra 50 Ω e 1 MΩ.

Ciò consente la massima libertà di accoppiamento con sonde di qualunque tipo: attive o passive, differenziali o sbilanciate (single-ended) ad alta e bassa impedenza, senza la necessità di usare adattatori esterni.

Fiere e Seminari

Logo FocusonPCB

FocusonPCB - Vicenza, 13-14 maggio 2026

"Focus on PCB – From Design to Assembly” torna a Vicenza il 13 e 14 maggio 2026 confermandosi come l’evento di riferimento in Europa per l’industria dei circuiti stampati e per…

Oscilloscopio MXO 3

Focus on PCB - 13-14 maggio, Fiera di Vicenza