www.strumentazioneelettronica.it

resultsUrl="https://www.strumentazioneelettronica.it/risultati-ricerca/"

Oscilloscopio Teledyne LeCroy HDO8000Teledyne LeCroy ha presentato linea di oscilloscopi digitali con 8 canali di ingresso analogici a 12 bit di risoluzione verticale che si rivela particolarmente interessante per affrontare lo sviluppo e la validazione di circuiti elettronici di potenza.

Infatti, da un lato la tecnologia di conversione ad alta definizione HD4096 ben si presta a visualizzare anche piccoli dettagli sovrapposti a segnali di elevata intensità, dall'altro gli 8 canali a disposizione permettono di verificare comodamente anche le alimentazioni trifase o i sistemi di azionamento per applicazioni meccatroniche.

I nuovi oscilloscopi della famiglia Teledyne LeCroy HDO8000 sono una versione potenziata della precedenti famiglie HDO4000 e HDO6000, con le quali condividono l'idea del campionamento a 12 bit, che offre una risoluzione sedici volte più elevata di quella degli oscilloscopi digitali classici.

I modelli previsti sono tre, che differiscono per la larghezza di banda, pari a 350 MHz, 500 MHz e 1 GHz, e tutti quanti possono essere potenziati con l'opzione a segnali misti (MSO), mediante la quali si possono attivare ulteriori 16 canali digitali a 250 MHz.

La memoria di acquisizione standard su tutti i modelli è di 50 Mpts/canale con la possibilità di raggiungere in opzione opzioni i 100 Mpts/canale e 250 Mpts/canale.

Oltre alle tecnologia hardware HD4096, gli oscilloscopi della famiglia HDO sono anche dotati della funzione di filtraggio ERES (Enhanced Resolution), che consente di aggiungere tre ulteriori bit di risoluzione verticale per un totale di 15 bit mediante operazioni software sui segnali ripetitivi.

Debug circuiti di potenzaLa disponibilità di tanti canali e dell'acquisizione ad alta risoluzione supportata da una memoria molto profonda risulta molto interessante anche nelle attività di collaudo di sistemi embedded, come le unità di controllo elettronico nel settore automobilistico, nei sistemi di regolazione degli  elettrodomestici e nei sistemi industriali, dove tipicamente convivono circuiti di alta potenza con sistemi di controllo digitale con un elevato numero di segnali e bus di comunicazione seriale.

Per ampliare le possibilità di collegamento ai segnali da acquisire, gli strumenti sono dotati dell'interfaccia per sonde ProBus, che consente di collegare ogni tipi di sonda attiva, passiva e differenziale per acquisire in sicurezza tutti i segnali interessanti.

Sonde per alta tensione Teledyne LeCroy HDVInoltre, Teledyne LeCroy ha presentato per l'occasione anche una nuova serie di sonde isolate per alta tensione (HVD), che permettono di misurare segnali fino a 2000 Vpk-pk con larghezza di banda sino a 20 MHz o 120 MHz garantendo un rapporto di reiezione dei segnali di modo comune (CMMR) migliore di 40 dB a 5 MHz e di 65 dB a 1 MHz.

Tanti segnali e più schede sul display

La famiglia di oscilloscopi HD8000 nasce per acquisire tanti segnali contemporaneamente, pertanto la sua interfaccia utente è stata ottimizzata proprio per facilitare la gestione di molte tracce.

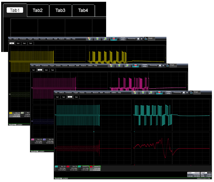
Visualizzazione finestre multipleLa nuova tecnologia di visualizzazione Q-Scape introdotta da Teledyne LeCroy in questa famiglia di strumenti permette di organizzare la visualizzazione in quattro "schede" indipendenti, chiamate "tab", che funzionano in modo analogo alle schede dei browser.

Sul display ad alta risoluzione WXGA da 12,1 pollici è possibile passare rapidamente da viste complessive alla vista di una singola scheda in modo rapidissimo, con la possibilità di gestire complessivamente fino a 40 forme d'onda, tutte aggiornate in tempo reale e arricchite dalle rispettive misure automatiche complementari.

Le classiche operazioni di Drag&Drop permettono di organizzare nel modo più comodo le diverse e forme d’onda acquisite e calcolate. In tal modo, la nuova interfaccia grafica Q-Scape si rende particolarmente apprezzabile nell'analisi dei sistemi trifase, abbinando i segnali di ciascuna fase alla rispettiva scheda.

Visualizzazione con monitor esternoPer sfruttare un’area di visualizzazione ancora più ampia con schermi a risoluzione ancora maggiore, l'oscilloscopio HDO8000 supporta anche una superficie del desktop estesa tramite un’uscita video WQXGA (3840x2160 pixel) DisplayPort 1.2 collegabile ad un display esterno

Le funzionalità di analisi sui segnali sono un altro punto di forza di questa famiglia di strumenti. La scheda madre è di ultima generazione e ospita un processore Intel Core i5-4670s Quad (core) con 8 Gb di RAM a bordo per garantire reattività e immediatezza anche quando fossero attivi programmi di analisi di terze parti, come ad esempio Matlab.

I prezzi della piattaforma HDO8000 partono da circa € 24.000.

Fiere e Seminari

Logo FocusonPCB

FocusonPCB - Vicenza, 13-14 maggio 2026

"Focus on PCB – From Design to Assembly” torna a Vicenza il 13 e 14 maggio 2026 confermandosi come l’evento di riferimento in Europa per l’industria dei circuiti stampati e per…

Oscilloscopio MXO 3

Focus on PCB - 13-14 maggio, Fiera di Vicenza