www.strumentazioneelettronica.it

resultsUrl="https://www.strumentazioneelettronica.it/risultati-ricerca/"

Analisi su segnali RFIDLa sigla RFID (Radio-Frequency IDentification) identifica una tecnologia wireless con una lunga storia, che può essere fatta risalire già alla fine del 1940.

Da allora, la tecnologia RFID ha avuto una notevole crescita grazie allo sviluppo di circuiti integrati e al crescente interesse da parte delle industrie e centri di ricerca. In questo articolo, dopo una breve panoramica sulla tecnologia RFID, prenderemo in esame le loro esigenze di misura e collaudo.

La tecnologia RFID

Architettura di un sistema RFIDI principali elementi che costituiscono un sistema RFID sono i seguenti:

  • il tag (RFID Transponder) con un’antenna miniaturizzata
  • il lettore (Antenna reader)
  • l'interfaccia software

Il tag può assumere forme e caratteristiche elettriche diverse a seconda del tipo di trasmissione (banda di frequenza, velocità di ricetrasmissione), del tipo di applicazione e del tipo di alimentazione (tag attivi, passivi o semi-attivi).

Una classificazione fondamentale tra i tag è la suddivisione in tag passivi (senza batteria) e tag semi passivi e attivi (con batteria).

Nei tag semi passivi è presente una micro-batteria, utilizzata per alimentare permanentemente alcune parti del transponder. I tag attivi, invece, sono apparati più evoluti con i quali si possono raggiungere le massime prestazioni destinate per applicazioni speciali.

Il tag può funzionare in un sistema che lavora secondo due modalità principali: architettura distribuita, che fornisce una serie di informazioni che sono direttamente contenute nella memoria del tag, o architettura concentrata, in cui il rag contiene solo il codice di identificazione.

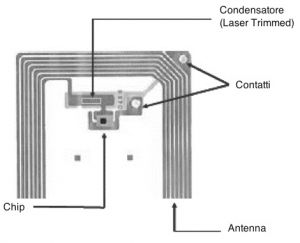
Struttura interna di un tipico tag RFIDL'antenna è l'elemento responsabile per fornire energia al tag e ricevere il segnale radio.

Nel caso di tag passivi, il transponder riceve energia dal campo elettromagnetico prodotto dall'antenna e trasmessa dal lettore.

I lettori rappresentano i legami tra il tag e il sistema di gestione preposto sia a leggere (decodificare) che a scrivere (codificare), nonché a scambiare i dati con l’host.

Il lettore può essere classificato in base al protocollo di comunicazione, le frequenze di lavoro, il numero di antenne collegabili e la potenza di trasmissione.

L'intero sistema di dispositivi richiede una speciale interfaccia software utilizzata per collegare i dati sui tag per sistemi aziendali. Il software è in grado di elaborare, scegliere e combinare i dati estratti dai tag attraverso il lettore e decidere quali informazioni inviare al server.

I sistemi RFID funzionanti nella banda 860 MHz – 960 MHz di solito usano tecniche di modulazione semplici e schemi di codifica che portano ad alcuni compromessi di progettazione; un esempio tipico è il sistema ISO 18000 tipo C (noto anche come EPC Gen2, classe 1) con modulazioni DSB-ASK, SSB-ASK e Phase-Reversal-ASK (PR-ASK).

Un sistema più efficiente in termini di rapporto S/N si ottiene con la modulazione PR-ASK, che garantendo una maggiore distanza operativa per il tag.

Generalità sul collaudo

I sistemi RFID, in particolare quelli con tag passivi, presentano una serie di sfide per il test e la diagnostica. Le misure di temporizzazione sono di particolare interesse, ovvero la valutazione di quanto rapidamente i lettori del sistema possono leggere i dati di identificazione senza introdurre degli errori.

La maggior parte dei sistemi RFID utilizzano la tecnica di trasmissione TDD (Time Division Duplex) per separare temporalmente la trasmissione in un verso e nell'altro

Per leggere molti tag di identificazione all'interno di un brevissimo periodo di tempo, con un sistema di multiplexing TDD seriale si richiedono tempi precisi sulla scambio di dati, creando così una delle più importanti sfide di test RFID.

Tradizionalmente, analizzatori di spettro, analizzatori di segnali vettoriali e oscilloscopi sono utilizzati per lo sviluppo e la verifica del trasferimento dati wireless.

Misure con analizzatore di segnali vettorialeL'analizzatore di spettro viene spesso utilizzato per caratterizzare l'uscita a radiofrequenza di un trasmettitore e per assicurare il rispetto delle restrizioni normative sulle emissioni.

Allo stesso modo, gli analizzatori di segnali vettoriali sono utili per catturare i transitori dei segnali RF e verificare la qualità della modulazione.

L'oscilloscopio è uno strumento prezioso per l'analisi di segnali in banda base, mentre l'analizzatore di spettro in modalità in tempo reale può rivelarsi molto utile nel catturare eventi indesiderati di breve durata o intermittenti.

Esempi di prove su sistemi RFID

Le leggi e i regolamenti internazionali richiedono che i segnali trasmessi siano controllati in potenza, frequenza e larghezza di banda. L'obiettivo è di prevenire interferenze dannose e garantire che ogni trasmettitore sia, spettralmente, un buon vicino per altri utenti che utilizzando la stessa banda.

Un analizzatore di spettro e segnali in grado di riconoscere la modulazione di un segnale RFID ed effettuare misure di conformità sulla potenza, frequenza e larghezza di banda con una interfaccia utente di alto livello, rende il processo di test rapido e facile.

Lettore e tag devono essere conformità agli standard di settore, come le ISO 18000-6 specifiche di tipo C. Si rende necessario effettuare molte prove oltre a quelle necessarie per soddisfare i requisiti di emissioni spettrali.

Tra queste sono fondamentali quelle sui tempi di salita e discesa del segnale.

Misure su segnale RFIDIl tempo di salita deve essere sufficientemente veloce per garantire che il tag raccolga energia sufficiente per funzionare correttamente. Alla fine della trasmissione il tempo di discesa deve essere rapido in modo che altre trasmissioni non siano interrotte.

Alcuni dispositivi RFID utilizzano sistemi di codifica e modulazione personalizzati e ottimizzati per applicazioni specifiche. In questo caso, per le analisi i progettisti hanno bisogno di un analizzatore di segnali flessibile che possa essere programmazione per comprendere il formato in uso.

Uno dei parametri prestazionali di un sistema RFID è il TAT (Turn Around Time), ovvero il tempo richiesto per completare un operazione, che è un fattore chiave per ottimizzare la velocità di un sistema RFID nel suo complesso.

Un modo efficace di misurare il TAT è quello basato sull'analizzatore di spettro in tempo reale, mediante il quale è possibile misurare la variazione nel tempo dello spettro occupato senza perdere alcun evento.

Negli strumenti moderni, è possibile impostare una maschera trigger sullo spettro di frequenza per catturare l'intera fase di interrogazione del tag da parte del lettore. La potenza visualizzazione della potenza in funzione del tempo, ad esempio tramite uno spettrogramma, consente di visualizzare i dettagli dell'intera trasmissione.

Una misura precisa di TAT può essere fatta inserendo un marker alla fine dell'interrogazione e un secondo alla fine della fase di backscattering o all'inizio della successiva trasmissione dati.

Un moderno analizzatore di spettro e segnali in tempo reale può anche demodulare i simboli o i bit associati con la query del tag: all'utente basta semplicemente selezionare lo standard RFID appropriato, tipo di modulazione e il formato di decodifica.

Fiere e Seminari

Logo FocusonPCB

FocusonPCB - Vicenza, 13-14 maggio 2026

"Focus on PCB – From Design to Assembly” torna a Vicenza il 13 e 14 maggio 2026 confermandosi come l’evento di riferimento in Europa per l’industria dei circuiti stampati e per…

Oscilloscopio MXO 3

Focus on PCB - 13-14 maggio, Fiera di Vicenza