www.strumentazioneelettronica.it

resultsUrl="https://www.strumentazioneelettronica.it/risultati-ricerca/"

Generated with AIQuesto articolo illustra l'uso del Dynamic Voltage Scaling (DVS) per ottenere una regolazione precisa della tensione. Il DVS è un processo che regola la tensione di uscita aumentandola o diminuendola leggermente in previsione dei transitori di carico.

L'articolo esamina come alcuni circuiti integrati specifici possano essere utilizzati per il monitoraggio affidabile della tensione.

Introduzione

Quando è necessaria una tensione di alimentazione strettamente regolata, è possibile fare riferimento alle specifiche di accuratezza della tensione DC riportate nella scheda tecnica di un regolatore a commutazione.

Questo valore è in genere pari a ± 1% o ± 0,5%. Se il convertitore di tensione utilizza un partitore di tensione con resistore esterno nel percorso di retroazione, è necessario includere anche le tolleranze dei resistori nel calcolo dell’accuratezza della tensione.

Inoltre, oltre all’accuratezza in DC, occorre considerare anche l’accuratezza della tensione dinamica. Se si verifica un transitorio sul carico, ovvero se il carico assorbe improvvisamente una corrente elevata, la tensione generata può scendere al di sotto o salire al di sopra della tensione nominale prima di stabilizzarsi al livello di riferimento.

Questo comportamento dipende dalla velocità del circuito di controllo. Per un'applicazione in cui la tensione di alimentazione deve strettamente essere regolata, è di norma richiesta anche una tensione accurata durante i transitori di carico.

La Figura 1 mostra una tipica variazione di tensione nel dominio del tempo a seguito di un transitorio di carico. In questo caso, un carico è stato disconnesso dopo 100 μs e ricollegato dopo 400 μs.

Variazioni tensione di alimentazioneFig. 1 - Tipico andamento della tensione in un alimentatore dopo un transitorio di carico

I vantaggi della regolazione dinamica

La tecnica DVS offre diversi vantaggi che consentono una regolazione precisa della tensione con maggiore accuratezza. Può essere utilizzato per regolare la tensione di uscita attorno a un valore di riferimento per compensare i transitori di carico e fornire una regolazione più precisa.

Come mostrato in Figura 1, le fluttuazioni di tensione a seguito di transitorio sul carico sono normalmente di molte volte superiori rispetto ai limiti di accuratezza in continua di una tensione di alimentazione. Le linee tratteggiate in Figura 1 mostrano i limiti di fluttuazione a fronte di un’accuratezza dell'1%.

Per contenere queste fluttuazioni di tensione a volte molto elevate entro una finestra di accuratezza specificata, può risultare opportuno utilizzare il DVS. In tal caso, quando il carico è basso, si suppone che si verificherà successivamente un transitorio su un carico elevato.

La tensione di uscita viene quindi leggermente aumentata (ad esempio, a 5,2 V) in previsione di questo transitorio.  L'ampiezza del calo di tensione rimane invariata. In questo modo, la tensione non scende da 5 V a 4,75 V, ma piuttosto da 5,2 V a 4,95 V.

In maniera analoga, quando è presente una corrente di carico elevata, la tensione si abbassa leggermente perché generalmente si prevede che il carico diminuisca nuovamente in futuro. L’overshoot di tensione non risulterà quindi così elevato.

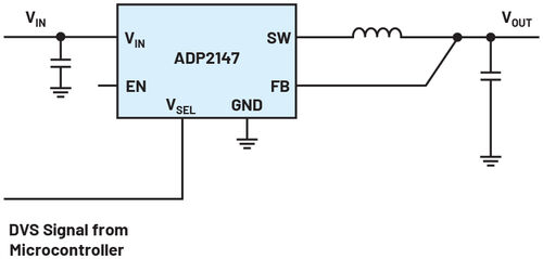
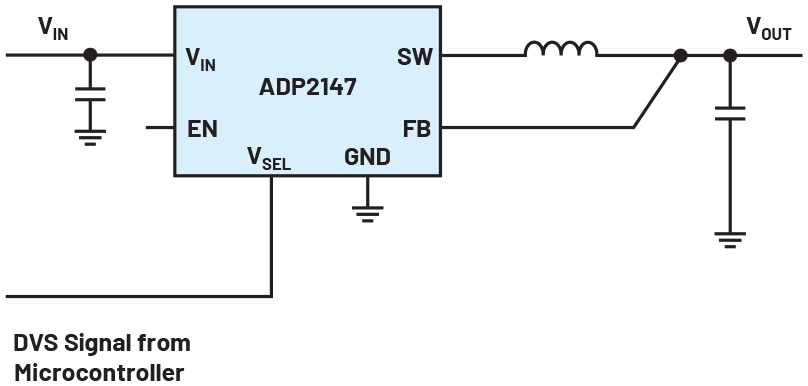
La Figura 2 mostra il circuito di un regolatore a commutazione step-down che esegue una forma semplice di DVS. Si applica un segnale, proveniente ad esempio da un microcontrollore, al pin VSEL, per specificare se la tensione generata debba essere leggermente aumentata o meno.

Con un’implementazione semplice di DVS, il sistema deve generare questo comando e fornirlo al regolatore di commutazione. Altri regolatori a commutazione invece includono sistemi DVS più sofisticati. Con questi ultimi, è possibile programmare direttamente le singole soglie di carico per la commutazione DVS.

Regolatore di tensioneFig. 2 - Un regolatore di tensione step-down con una semplice regolazione DVS tramite pin VSEL.

In alcuni casi, un'applicazione che richiede una tensione strettamente regolata può richiedere un circuito integrato di monitoraggio per verificare che la tensione generata rientri effettivamente all’interno della banda di tolleranza.

In assenza di transitori di carico, è sufficiente un semplice chip di supervisione per controllare la tensione DC, che normalmente si trova in un intervallo molto più ristretto. Tuttavia, questo non funziona con i sistemi DVS perché la tensione in continua presenta due valori diversi: il valore leggermente più alto e il valore leggermente inferiore in base allo schema del DVS.

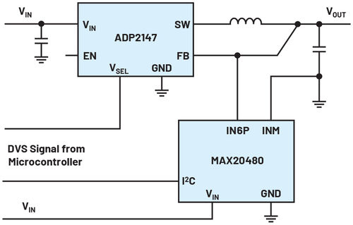
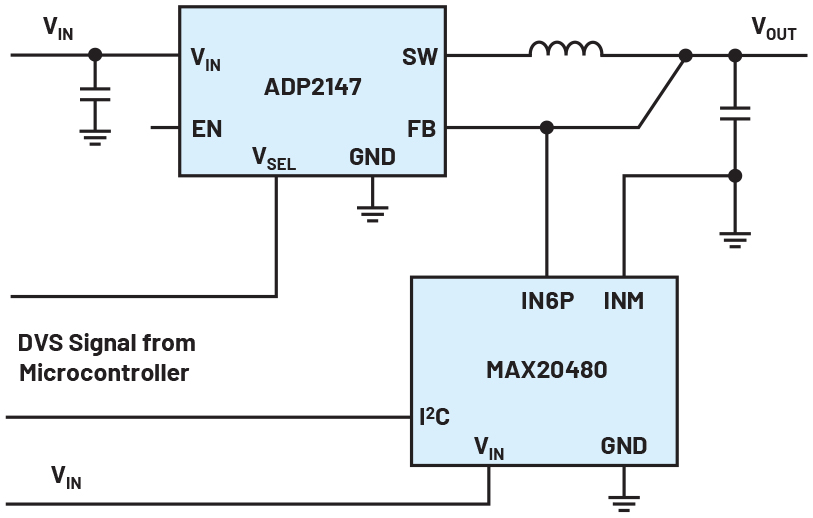
I circuiti integrati specifici per il monitoraggio di tensione come il supervisore di alimentazioni MAX20480 possono essere utilizzati anche con i sistemi DVS per un monitoraggio affidabile della tensione.

Il circuito integrato MAX20480 è dotato di un'interfaccia digitale I2C e, proprio come il regolatore a commutazione in Figura 2, può essere configurato dinamicamente tramite il pin VSEL per monitorare una tensione DC più alta o più bassa quando si utilizzano sistemi DVS.

La Figura 3 mostra uno schema a blocchi del regolatore a commutazione DVS illustrato in Figura 2 con un circuito integrato di monitoraggio della tensione aggiuntivo compatibile con il DVS.

Monitoraggio tensioneFig 3 - Monitoraggio con un supervisore di tensioni con DVS per applicazioni altamente critiche.

Conclusione

Sono disponibili soluzioni interessanti per generare tensioni di alimentazione accurate con precisioni elevate sia in continua sia dinamiche.

Il DVS può essere particolarmente utile in tal senso. Sono disponibili numerosi circuiti integrati specifici con supporto DVS, incluso il modello MAX20480 per il monitoraggio delle tensioni generate. Questi componenti migliorano le prestazioni riducendo i costi associati ai sistemi di conversione dell’alimentazione.

*Frederik Dostal lavora come Field Applications Engineer in Analog Devices

Fiere e Seminari

Logo FocusonPCB

FocusonPCB - Vicenza, 13-14 maggio 2026

"Focus on PCB – From Design to Assembly” torna a Vicenza il 13 e 14 maggio 2026 confermandosi come l’evento di riferimento in Europa per l’industria dei circuiti stampati e per…

Oscilloscopio MXO 3

Focus on PCB - 13-14 maggio, Fiera di Vicenza