www.strumentazioneelettronica.it

resultsUrl="https://www.strumentazioneelettronica.it/risultati-ricerca/"

Legge di OhmI picoamperometri sono strumenti che uniscono l'economicità e la semplicità d'uso tipiche di un multimetro digitale con l'eccellenze sensibilità alle basse correnti.

Analizziamo i principi di funzionamento delle tiverse tipologie di misuratori di corrente e alcune applicazioni  che sfruttano le caratteristiche particolari degli amperometri per misurare con grande accuratezza correnti di bassissima intensità.

Per misurare l'intensità di una corrente elettrica è necessario inserire un amperometro in serie con il circuito, in modo tale che la corrente misurata sull'amperometro sia identica alla corrente che fluisce originariamente nel circuito in esame.

Nel caso ideale, il misuratore non ha alcuna influenza alcuna sul circuito. Nelle misure reali, invece, possono essere presenti parecchie sorgenti di errore che causano incertezze anche di notevole entità nella misura.

Un tradizionale multimetro digitale (DMM) garantisce un livello di precisione sufficiente per molte applicazioni di misura nella corrente. Nelle misure di correnti continue (DC) di basso livello, molto spesso è invece richiesta una sensibilità superiore a quella fornita da un classico multimetro digitale.

In linea generale i, multimetri digitali non hanno la sensibilità richiesta per misurare correnti di valore inferiore a 100 nA. Anche per correnti di valore più elevato, la caduta di tensione introdotta dal circuito di ingresso del multimetro, dell'ordine delle centinaia di millivolt, può rendere impossibile una misura accurata della corrente.

I picoamperometri sono strumenti che uniscono l'economicità e la semplicità d'uso tipiche di un DMM alla sensibilità alle basse correnti. Analizzare gli elementi che rendono così differenti questi due strumenti.

Amperometri di tipo shunt e feedback a confronto

Sono due le tecniche base utilizzate per eseguire misure di basse correnti: il metodo che prevede l'uso di uno resistenza in parallelo, detta shunt (shunt ammeter) e la tecnica dell'amperometro a retroazione (feedback ammeter). La configurazione shunt viene usata principalmente con i multimetri, mentre i picoamperometri e gli elettrometri delle più recenti generazioni utilizzano la configurazione dell'amperometro in retroazione.

Amperometri di tipo shunt

Se si effettua lo shunt (ovvero il collegamento in parallelo) dell'ingresso di un voltmetro con un resistore, si ottiene un amperometro di tipo shunt, come riportato in figura 1a. La corrente di ingresso (IIN) genera una tensione di ingresso EIN ai capi della resistenza di shunt (RSHUNT).

Si tenga presente che la sensibilità della tensione del circuito è controllata sia dal valore di RSHUNT sia dai valori relativi di RA e RB.

Amperometro di tipo shuntFig. 1a: Amperometro di tipo shunt

Sebbene a prima vista possa apparire vantaggioso l'uso di un valore più elevato per RSHUNT, esistono parecchie valide ragioni per far sì che questo valore sia il più piccolo possibile.

In primo luogo, i resistori di valore ridotto sono caratterizzati da una maggiore stabilità nel tempo e al variare della temperatura, oltre che da un miglior coefficiente di tensione rispetto a resistori di valore più elevato. In secondo luogo, valori bassi di resistenza contribuiscono a ridurre la costante di tempo di ingresso, fatto questo che si traduce in tempi di risposta più rapidi dello strumento.

Inoltre, se si considerano gli effetti relativi al carico, la resistenza di ingresso RSHUNT dell'amperometro dovrebbe avere un basso valore al fine di diminuire la caduta di tensione EIN. Da quanto appena esposto, è chiaro che il valore di RSHUNT può avere un impatto sulle prestazioni di misura.

Amperometro di tipo feedback

Nella figura 1b viene riportata la configurazione generica di un amperometro di tipo a retroazione. Da un esame di questa configurazione si può notare che la corrente di ingresso (IIN) fluisce nel terminale di ingresso dell'amplificatore (A) e attraverso il resistore in retroazione (RF). La bassa corrente di offset dell'amplificatore ha un impatto trascurabile sulla corrente di ingresso (IIN).

Amperometro a retroazioneFig. 1b: Amperometro di tipo a retroazione (feedback)

 In questo modo, la tensione di uscita è una misura della corrente di ingresso e la sensibilità è determinata dal resistore in retroazione (RF). La bassa caduta di tensione (EIN), che si traduce in un tempo di salita (rise time) più rapido, è imputabile all'amplificatore operazionale ad alto guadagno che forza EIN a un valore prossimo allo zero.

Dall'analisi del circuito di figura 1b si possono ricavare le seguenti relazioni:

EOUT + IINRF = EIN EOUT = –AEIN, and EIN = – EOUT /A

quindi EOUT + IINRF = – EOUT /A

Poichè A>>1, EOUT = –IINRF e |EIN| = EOUT /A << EOUT

Il valore del guadagno dell'amplificatore può essere modificato come nel circuito dell'amperometro di tipo shunt utilizzando una combinazione dei resistori RA e RB che sono inseriti nell'anello di retroazione formando un moltiplicatore. Il guadagno del circuito è determinato dal resistore di retroazione e dai valori relativi di RA e RB in base alle seguenti relazioni:

EOUT = –IINRF(RA + RB)/RB

E ancora EIN = – EOUT /A

Caduta di tensione

Un'altra differenza tra un multimetro e un picoamperometro è la caduta di tensione (voltage burden) introdotta. Più precisamente, la caduta di tensione si riferisce alla tensione che si manifesta ai capi dei terminali di ingresso dell'amperometro durante la misura.

Come riportato in figura 1a, il metodo dell'amperometro di tipo shunt usato nei multimetri richiede la generazione di tensioni (dell'ordine tipicamente di 200 mV) ai capi del resistore di shunt al fine di poter misurare la corrente.

Questa caduta di tensione ridurrà la corrente effettiva che fluisce nel circuito, penalizzando in tal modo l'accuratezza.

D'altro canto il metodo della retroazione utilizzato nei picoamperometri riduce questa tensione ai capi del terminale di parecchi ordini di grandezza, grazie all'amplificatore a elevato guadagno con retroazione negativa per lo stadio di ingresso. La caduta di tensione risulta quindi notevolmente inferiore, con valori dell'ordine di 200 μV o anche minori.

Questo basso valore della caduta di tensione permette di ridurre sia gli errori di misura, sia il valore minimo della resistenza del cavo di shunt che deve essere mantenuto per garantire il livello di accuratezza prefissato dello strumento di misura.

Quanto appena esposto è il contributo che un picoamperometro può offrire per minimizzare gli errori nelle misure di basse correnti. Non va dimenticato che gli errori degli strumenti per la misura della corrente possono anche essere causati da correnti estranee che fluiscono attraverso i vari elementi del circuito.

Correnti di rumore

I generatori di correnti di rumore rappresentano correnti indesiderate che si manifestano in un particolare punto del circuito. Queste correnti hanno origini diverse: possono essere infatti prodotte da effetti triboelettrici, piezoelettrici ed elettrochimici, oppure provocate da perdite resistive o dall'assorbimento del dielettrico.

Le correnti triboelettriche vengono generate dalle cariche che si vengono a creare sull'interfaccia tra un conduttore e un isolante a causa dell'attrito tra i due. In una situazione di questo tipo, gli elettronici liberi si staccano dal conduttore e creano uno squilibrio di cariche che provoca un flusso di corrente. Un tipico esempio è rappresentato dalle correnti elettriche generate dallo sfregamento tra isolatori e conduttori presenti in un cavo coassiale. Per minimizzare questo problema sono disponibili appositi cavi coassiali e triassiali a basso rumore.

Le correnti di tipo piezoelettrico sono generate nel momento in cui vengono applicate sollecitazioni di natura meccanica a determinati materiali cristallini quando sono usati per terminali isolati e sistemi di interconnessione. In alcuni materiali plastici, cavità formate da cariche immagazzinate provocano nel materiale un comportamento simile a quello dei materiali piezoelettrici.

Le correnti di rumore sono anche imputabili a fenomeni di natura elettrochimica. In questo caso, squilibri ionici possono dar luogo a batterie di debole intensità tra due conduttori di una scheda a circuito stampato. Per esempio, le comuni schede a circuito stampato epossidiche possono generare correnti del valore di parecchi nanoAmpere nel caso non siano pulite in maniera accurata da soluzioni utilizzate per l'attacco chimico (etching), flussanti o altri materiali. Per prevenire l'insorgere di queste correnti che sono fonte di errore, tutti i circuiti di interconnessione dovrebbero essere puliti con cura utilizzando un solvente detergente come ad esempio il metanolo: inoltre è necessario assicurarsi che siano completamente asciutti prima dell'uso.

L'assorbimento dielettrico si può verificare quando una tensione applicata ai capi di un isolatore provoca cariche positive e negative all'interno dello stesso, che quindi si polarizza. Una volta rimossa la tensione, le cariche separate generano una corrente di decadimento attraverso un circuito esterno quando si ricombinano. Gli effetti dell'assorbimento dielettrico può essere minimizzato evitando l'applicazione di tensioni di valore superiore ad alcuni Volt agli isolatori utilizzati per misure di corrente sensibili. Nel caso ciò non fosse possibile, ci potrebbero volere da pochi minuti ad alcune ore perché si dissipino le correnti provocate dall'assorbimento dielettrico.

Misure di rapporto e di delta per applicazioni di allineamento del fascio

Un esempio di applicazione che richiede l'uso di un picoamperometro a bassa corrente è l'allineamento di un rivelatore di fascio ionico.

Le misure del rapporto e del delta, che mostrano rispettivamente il rapporto e la differenza tra due canali, possono contribuire a migliorare in modo sensibile l'efficienza nelle applicazioni di allineamento del fascio effettuando questi calcoli direttamente sullo strumento.

Procedura molto importante in parecchie applicazioni, quali il monitoraggio di un fascio di particelle ad alta energia, il monitoraggio del fascio ionico e di fibre ottiche, l'allineamento del fascio prevede la misura di un segnale proveniente da un rivelatore e la regolazione della posizione della sorgente per allinearla al sensore in modo da garantirne l'accoppiamento con una coppia sorgente/rivelatore calibrata.

Le misure di rapporto e di delta possono contribuire a fornire un riscontro immediato sull'entità del disallineamento di questi fasci, in modo che l'operatore possa procedere in tempi più rapidi alla regolazione della sorgente.

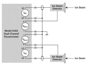
Picoamperometro Keithley 6842Fig. 2a: Picoamperometro Keithley 6842Il picoamperometro modello 6842 a due canali di Keithley Instruments (Fig. 2) non solo è in grado di effettuare queste misure, ma dispone anche di due sorgenti di polarizzazione per consentire l'alimentazione di questi sensori senza ricorrere ad apparecchiature aggiuntive.

Circuito per il confronto del fascio ionico a due canaliFig. 2b: Circuito per il confronto del fascio ionico a due canali

Di seguito sono riportate alcune tra le più diffuse applicazioni per un picoamperometro che richiedono la presenza di due canali alimentati:

  • Monitoraggio del fascio ionico – I sistemi a fascio ionico focalizzato (FIB) sono spesso utilizzati in applicazioni di mappatura, microlavorazione e visualizzazione su scala nanometrica. Il monitoraggio accurato dell'ampiezza della corrente del fascio mediante un rilevatore di ioni è un'operazione critica. Questi sensori accettano ioni in ingresso e producono una corrente di basso valore. Molte volte più fasci ionici e sensori vengono fatti funzionare contemporaneamente per cui è richiesta la presenza di sensori alimentati.
  • Collaudo di più dispositivi – I dispositivi a più canali consentono di aumentarela velocità e ridurre gli oneri di manutenzione grazie alla disponibilità di un numero maggiore di canali a parità di dimensioni.
  • Collaudo di dispositive multi-pin – I dispositivi con più pin, come diodi doppi, circuiti integrati e numerosi altri componenti, spesso richiedono la verifica dell'intensità di corrente simultaneamente su più canali. La disponibilità di numerosi canali consente a uno strumento di eseguire misure su più pin, aprendo la strada a nuove opportunità nel campo del collaudo e incrementando il throughput.

 

*Jonathan Tucker è Senior Marketer & Product Manager in Keithley Instruments

Fiere e Seminari

Logo FocusonPCB

FocusonPCB - Vicenza, 13-14 maggio 2026

"Focus on PCB – From Design to Assembly” torna a Vicenza il 13 e 14 maggio 2026 confermandosi come l’evento di riferimento in Europa per l’industria dei circuiti stampati e per…

Oscilloscopio MXO 3

Focus on PCB - 13-14 maggio, Fiera di Vicenza