www.strumentazioneelettronica.it

resultsUrl="https://www.strumentazioneelettronica.it/risultati-ricerca/"

HD 4096Teledyne LeCroy e Vematron offrono sul mercato Italiano gli oscilloscopi della linea HDO4000, il nuovo sorprendente mondo delle strumentazioni di misura ed analisi dei segnali elettronici con 12 bit reali di risoluzione verticale garantiti da ADC di acquisizione a 12 bit hardware nativi per le applicazioni professionali e didattiche più diffuse.

Teledyne LeCroy Corporation rafforza la sua pluriennale partnership con Vematron S.r.l., importante e accreditata realtà della distribuzione di componentistica elettronica industriale nel Nord e Centro Italia, mettendo a disposizione del mercato una completa gamma di oscilloscopi con risoluzione verticale a 12 bit reali ed un livello di servizio senza paragoni.

Gli oscilloscopi con tecnologia HD4096 acquisiscono le forme d'onda ad alta risoluzione, alto campionamento e livelli di noise molto bassi. La visualizzazione delle forme d'onda risulta più pulita e netta grazie alla risoluzione verticale 16 volte maggiore rispetto agli strumenti tradizionali a 8 bit, rendendo cosi facilmente visibili e misurabili dettagli delle forme d'onda prima altrimenti poco visibili.

I modelli HDO4000 sono disponibili con banda passante da 200 MHz fino a 1 GHz. Tutti i modelli HDO sono dotati di un grande schermo Touch Screen da 12,1'' con un'interfaccia utente semplice ed intuitiva, potenti strumenti di collaudo ed un pieno complemento di capacità matematiche e di misurazioni automatiche sulle forme d'onda.

Questi strumenti includono la ricerca WaveScan, History Mode per il playback delle forme d'onda, modalità di acquisizione sequenziale e LabNotebook per la generazione di rapporti.

Specifici pacchetti software per l'analisi di spettro e le misurazioni Power estendono le capacità di questi oscilloscopi sfruttando al meglio la maggiore precisione nelle misurazioni e il più ampio range dinamico a disposizione. Ogni oscilloscopio HDO4000 è progettato e costruito secondo gli alti standard qualitativi tipici e globalmente certificati di Teledyne LeCroy e coperto da 3 anni di garanzia e 7 anni di supporto post vendita.

La Partnership con Vematron, grazie alla grande competenza dei suoi tecnici e all'accurato supporto e assistenza forniti, rende ancor più conveniente e affidabile la scelta delle soluzioni Teledyne LeCroy per il proprio laboratorio, la propria attività professionale o la propria istituzione accademica. Scegliendo Teledyne LeCroy e Vematron si ha la certezza di ottenere un servizio diretto, puntuale e accurato per quanto riguarda la fornitura di strumenti di Test&Measurement, la dimostrazione delle loro funzioni e l'assistenza, anche coadiuvata da un Application Engineer dedicato di Teledyne LeCroy Italia, nella soluzione delle sfide tecniche più complesse.

Ed ora vediamo nel dettaglio la linea prodotti HDO4000 di Teledyne LeCroy.

HD4096 High Definition Technology

La tecnologia HD4096 è profondamente basata su un ADC da 12 bit ad alta velocità di campionamento, amplificatori con elevato rapporto segnale rumore e una architettura low-noise.

Questa tecnologia permette agli oscilloscopi ad alta definizione di catturare e visualizzare segnali con frequenze sino a 1 GHz con elevate velocità di campionamento e una risoluzione verticale 16 volte superiore agli altri oscilloscopi.

Misure precise sono critiche per debug e analisi efficienti. HD4096 consente agli oscilloscopi di effettuare misure con precisioni mai raggiunte e poter così incrementare le capacità di test e fornire quindi risultati superiori.

In aggiunta alla tecnologia HD4096 gli HDO sono dotati della nota funzione di filtraggio Teledyne LeCroy ERES (Enhanced Resolution) che consente all'utente di aggiungere tre ulteriori bit di risoluzione verticale per un totale di 15 bit.

I livelli di quantizzazione in un oscilloscopio digitale sono dati dalla formula 2N bit di risoluzione

 Ne consegue che:

Risoluzione ADC Livelli di quantizzazione Range Dinamico
8 bit 256 ~ 48 dB
12 bit 4096 ~ 72 dB

 

La tecnologia HD4096 mette a disposizione 4096 livelli reali di risoluzione verticale che sono effettivamente acquisiti in tempo reale dal segnale e non calcolati con metodi di approssimazione statistica o media matematica.

Pertanto, sono disponibili 16 volte più livelli di quantizzazione in un oscilloscopio con acquisizione a 12 bit reali:

Forma d'onda acquisita a 8 bit e 12 bit

Il risultato è una acquisizione non approssimata o mediata ma reale delle forme d'onda che vengono visualizzate in maniera drammaticamente più chiara e precisa:

8 bit 12 bit reali
1305 LeCroy_PP_fronte_8_bit Acquisizione a 12 bit

 

Qui sotto il segnale acquisito con un classico oscilloscopio a 8 bit.

1210_LeCroy_Mosfet_8bit

Ecco lo stesso segnale acquisito con i nuovi oscilloscopi serie HDO di Teledyne LeCroy a 12 bit.

Forma d'onda oscilloscopio a 12 bit

 

VIDEO LINKS: Dai un'occhiata alla tecnologia HD4096

Oscilloscopi della serie HDO4000

Oscilloscopio LeCroy HDO4000Gli oscilloscopi della famiglia HDO4000 sono caratterizzati da una velocità di campionamento di 2,5 GS/s con una profondità di memoria sino a 25 Mpt per canale (con un massimo di 50 Mpt per canale in modalità interleaved).

Fanno parte della famiglia modelli a 2 e 4 canali con larghezza di banda da 200 MHz to 1 GHz. Tutti gli oscilloscopi HDO sono dotati di uno schermo da 12.1" multi-touch che consente un facile controllo delle impostazioni dei canali, del trigger e delle funzioni di misura.

Strumenti avanzati di misura, Debug e analisi

Oscilloscopio LeCroy HDO4000Una visualizzazione accurata del segnale e velocità di campionamento elevate sono irrimediabilmente superflue se non sprecate quando mancano gli strumenti di analisi e debug adeguati.

Tutti gli oscilloscopi della famiglia HDO sono dotati di potenti strumenti per il debug veloce e una accurata analisi delle forme d'onda.

WaveScan è lo strumento dedicato alla ricerca e analisi avanzata, che permette la ricerca in una singola acquisizione di runt, glitch, e altre anomalie con più di 20 diversi criteri e può essere anche impostato per la ricerca di un evento per ore o addirittura giorni.

La modalità History consente lo scorrimento indietro nel tempo per isolare le anomalie e misurarle con differenti parametri o cursori.

L'opzione di trigger e decodifica su bus seriali isola rapidamente gli eventi sul bus senza la necessità di impostare triggers manualmente.

La modalità Sequence memorizza gli eventi isolati dal trigger come "segmenti", consentendo la cattura di molti impulsi veloci in rapida successione o eventi separati da lunghi periodi di tempo e riducendo i tempi morti tra cicli di trigger.

Il LabNotebook è lo strumento per la documentazione e generazione di accurati rapporti rende rapido il lavoro di salvare e documentare i risultati dei test.

La famiglia di oscilloscopi HDO può misurare e analizzare ogni piccolo aspetto di una forma d'onda con funzioni matematiche fra cui Media, Enhanced Resolution e FFT, più una ampia serie di ulteriori misure parametriche. Analisiti statistiche, istogrammi e trend vanno oltre la semplice misura mostrando ogni cambiamento della forma d'onda nel tempo.

Software per la Spectrum e Power Analysis

Ora disponibili anche per l'HDO i pacchetti software creati per affinare l'analisi su due aree fondamentali che interessano una vasta gamma di attività di progettazione e di debug.

Analisi di spettroIl software Spectrum Analyzer converte le funzionalità di un HDO in quelle di un analizzatore di spettro. Consente infatti all' utente di regolare parametri quali intervallo di frequenza, larghezza di banda di risoluzione e frequenza centrale.

E' inoltre possibile applicare filtri per i segnali di ingresso e osservare il relativo cambiamento a livello di frequenze in tempo reale.

Un sistema di ricerca dei picchi identifica ed etichetta le componenti spettrali, la frequenza e i livelli per presentarli in una unica tabella, l'utente può cliccare su qualsiasi componente della tabella per passare istantaneamente al picco corrispondente e può utilizzare la visualizzazione dello spettrogramma per vedere come esso cambia nel tempo.

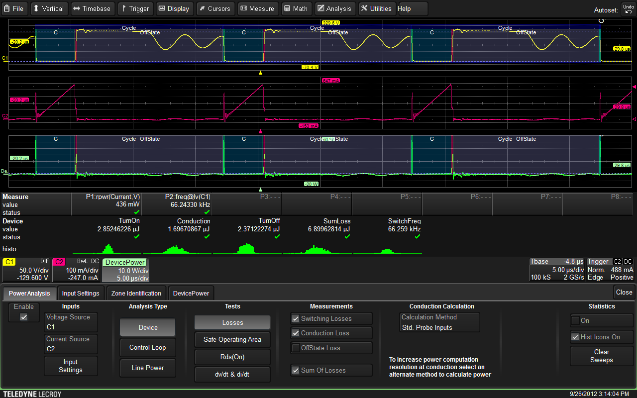
Analisi di potenzaIl software di Power Analysys misura e analizza in modo rapido le caratteristiche di funzionamento dei convertitori di potenza e circuiti basati su tali componenti attraverso misure automatiche sulle perdite e un'interfaccia utente dedicata.

Le note aree turn-on, turn-off e condution loss sono identificate con sovrapposizioni di forme d'onda di differenti colori codificati.

Fanno parte del software gli strumenti per le analisi critiche su dispositivi switching come i controlli sulla modulazione di loop, l'analisi sulle armoniche sulla linea di alimentazione.

Tutti i prodotti LeCroy della serie HDO4000 sono disponibili presso:

Vematron S.r.l.

via Mons. Colombo, 34
21053 Castellanza (Va)
tel. 0331.50.40.64 - 0331.50.40.64
fax 0331.50.53.80
Questo indirizzo email è protetto dagli spambots. È necessario abilitare JavaScript per vederlo.
www.vematron.it

Fiere e Seminari

Logo FocusonPCB

FocusonPCB - Vicenza, 13-14 maggio 2026

"Focus on PCB – From Design to Assembly” torna a Vicenza il 13 e 14 maggio 2026 confermandosi come l’evento di riferimento in Europa per l’industria dei circuiti stampati e per…

Oscilloscopio MXO 3

Focus on PCB - 13-14 maggio, Fiera di Vicenza