www.strumentazioneelettronica.it

resultsUrl="https://www.strumentazioneelettronica.it/risultati-ricerca/"

Boccole alimentatore programmabileUna buona comprensione di come funzionano effettivamente gli strumenti di misura può offrire preziosi spunti per migliorare i metodi di collaudo. È così possibile rendere più semplici ed efficaci i banchi di collaudo, migliorando significativamente le prestazioni dei test.

Si tratta di una considerazione valida in ogni ambito tecnologico che richiede l’acquisizione dei dati di test, ma in questo articolo ci soffermeremo in particolare sui moderni alimentatori programmabili utilizzati in applicazioni di collaudo.

Caratteristiche di uscita di un alimentatore programmabileFigura 1: Caratteristiche di uscita di un alimentatore

Programmazione corretta dell’alimentatore in modalità a corrente o tensione costante

L’uscita di un alimentatore può funzionare sia in modalità a tensione costante (CV), sia in modalità a corrente costante (CC), a seconda della resistenza di carico, della tensione impostata e del limite di corrente.

Nella maggior parte dei casi, un alimentatore funziona in un modo o nell’altro ma, in circostanze inusuali, può trovarsi a lavorare in una modalità non regolata. La comprensione di queste diverse modalità operative renderà più semplice la corretta programmazione dell’alimentatore.

L’alimentatore funziona a tensione costante fino a quando il carico non richiede una corrente superiore al limite impostato.

In accordo con la legge di Ohm, per garantire una tensione costante al variare della resistenza di carico, è necessario aumentare o ridurre la corrente. Finché la corrente di uscita Iout = Vs/RL è inferiore al limite di corrente, l’alimentatore regola la tensione di uscita al valore desiderato.

Se la resistenza di carico RL crolla, ad esempio se il dispositivo in prova si guasta, al di sotto del valore minimo (dato dal rapporto tra le impostazioni di tensione e corrente), l’alimentatore regolerà invece la corrente, sempre in accordo con la legge di Ohm.

Se l’alimentatore non è in grado di regolare la tensione o la corrente di uscita, si porta in regime non regolato. Le possibili cause che portano a questo regime possono essere un guasto interno dell’alimentatore, una fluttuazione della tensione di rete fuori dall'intervallo nominale, la connessione di un altro alimentatore in parallelo all'uscita o la transizione dell’uscita dalla modalità a tensione controllata a quella in corrente o viceversa.

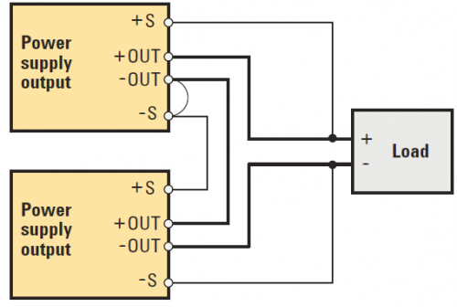
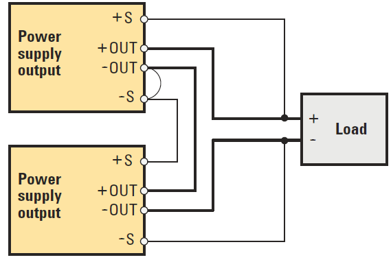
Utilizzo del collegamento “sense” remoto

I terminali di connessione dell’uscita dell’alimentatore dovrebbero avere una resistenza trascurabile, che tuttavia dipende dalla lunghezza e dal diametro dei cavi. Di conseguenza, quando un alimentatore eroga una corrente attraverso un filo, la tensione al carico potrebbe essere inferiore di quella generata a causa della caduta resistiva.

Tipicamente gli alimentatori sono venduti con il terminale di "sense" collegato localmente ai morsetti di uscita. Tuttavia, quando si utilizza l’alimentatore con dei collegamenti al carico lunghi, la tensione ai morsetti di uscita non rappresenta accuratamente quella ai capi del carico.

La misura remota (“remote sense”) può essere impiegata per compensare questo effetto, correggendo la caduta resistiva. Quando si collegano i terminali di sense remoto al carico, l’amplificatore nella retroazione interna riceve la tensione del carico e non quella di uscita, mantenendola costante indipendentemente dalla caduta resistiva dei cavi.

Collegamento in serie con “sense remoto”Figura 2: Collegamento in serie con “sense remoto”

 Collegamento in parallelo con “sense remoto”Figura 3: Collegamento in parallelo con “sense remoto”

Impiego dell’alimentatore per misure di corrente

Accurate misure di corrente in un dispositivo in prova possono essere ottenute tramite un amperometro, uno shunt di corrente o tramite il lettore interno all’alimentatore. Ciascuno di questi metodi presenta dei vantaggi e degli svantaggi.

La funzione di lettura integrata nell’alimentatore può garantire l’accuratezza necessaria per effettuare molte misure, evitando le difficoltà associate all’inserimento di una resistenza di misura. Di conseguenza, gli apparati di connessione (relè e commutatori) possono essere ridotti all’osso e le misure attivate in concomitanza di altri eventi legati all’alimentazione.

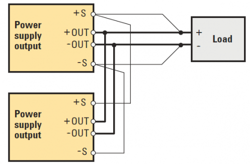
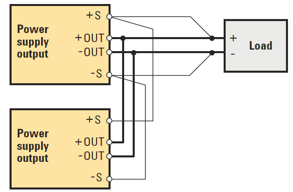
Molti alimentatori possono essere collegati in serie (per ottenere una tensione maggiore) o in parallelo (per una maggiore corrente).

Quando si collegano le uscite in serie per raggiungere tensioni maggiori, le seguenti precauzioni devono essere adottate:

  1. Non superare mai la massima tensione a vuoto consentita a ciascuna uscita
  2. La polarità delle uscite non deve mai essere invertita
  3. Collegare in serie solo uscite con le gli stessi limiti massimi di tensione e corrente

Collegamento delle uscite in serie e parallelo

Ogni alimentatore in serie dovrebbe essere impostato indipendentemente, in modo che sommandole si ottenga qualsiasi valore desiderato di tensione. A questo scopo, ogni uscita dovrebbe essere impostata al massimo limite di corrente che può essere assorbita dal carico in sicurezza. La tensione totale sarà quindi pari alle somma delle singole tensioni di uscita.

Quando invece si collegano le uscite in parallelo per raggiungere correnti più elevate, è fondamentale che:

  1. un’uscita lavori in CV, mentre le altre in CC
  2. il carico di uscita assorba abbastanza corrente per mantenere le uscite in questa modalità
  3. collegare solo uscite con gli stessi limiti massimi di tensione e corrente
  4. impostare il limite di corrente uguale per tutte le uscite

Minimizzare il rumore tra l’alimentatore ed il dispositivo in prova

Se il dispositivo in prova è sensibile al rumore sull'alimentazione DC, è necessario fare il massimo per minimizzare il rumore su tale uscita. Dato che filtrare il rumore dell’alimentazione può essere difficile, è preferibile incominciare dalla scelta di un’unità a basso rumore.

Gli alimentatori con regolatori lineari possono raggiungere questo obiettivo, anche se posso essere ingombranti e produrre molto calore. La tecnologia dei moderni alimentatori a commutazione (switching) ha raggiunto uno livello in cui le prestazioni di rumore sono confrontabili con le controparti lineari (vedi tabella 1).

Tabella 1 - Confronto dei livelli di rumore tra alimentatori lineari e a commutazione (switching)
  Rumore RMS Rumore picco-picco
Alimentatore lineare ~500 µV ~4 mV
Alimentatore switching ~750 µV ~5 mV

Si raccomanda di scegliere un alimentatore con un rumore di tensione in uscita basso, sia in termini di valore RMS che picco-picco.

Il rumore può anche essere combattuto agendo sulle connessioni verso il dispositivo in prova. Tali connessioni possono captare dei disturbi sia tramite accoppiamenti induttivi che capacitivi e interferenze a radiofrequenza.

Il metodo più efficace per ridurre questi effetti è impiegare cavi schermati a due fili. Inoltre, l’adattamento di impedenza del cavo può essere benefico. Infine, per mitigare l’effetto della corrente di modo comune, l’impedenza tra le uscite e massa deve essere equalizzata.

Salvaguardare il carico tramite protezioni interne

La maggior parte degli alimentatori contiene dei sistemi di protezione del carico e dei circuiti dall’esposizione a tensioni e correnti potenzialmente pericolose. Quando si verifica l’intervento di una protezione, l’alimentatore disattiva quella uscita e mostra una notifica. Le funzioni di protezione più comuni sono quelle contro sovratensioni e sovracorrenti.

La maggioranza degli alimentatori consente l’impostazione di limiti di tensione e corrente.

Il limite di corrente determina il valore al quale l’alimentatore limita la corrente che eroga. Questa modalità limita la corrente, ma non disattiva l’uscita. Invece, la tensione scende rispetto al valore impostato e l’alimentatore continua ad erogare la corrente limite. Nel caso di sovracorrente, la protezione spegne l’uscita per evitare il danneggiamento del carico.

Quando questa protezione è attivata, se l’alimentatore entra in modo CC, una protezione spegnerà l’uscita. Il limite di corrente dovrebbe essere sufficientemente basso per proteggere il carico, ma alto abbastanza per evitare che le normali fluttuazioni della corrente, che si verificano nei transitori, possano far scattare la protezione.

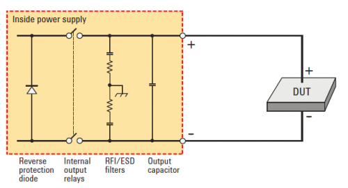
Impiego di relè all’uscita per scollegare il carico

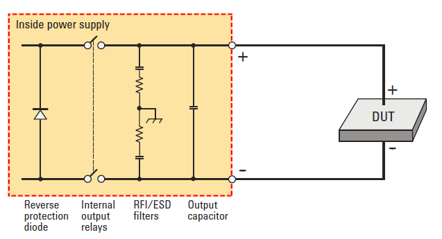
Non sempre è corretto presupporre che in condizione di uscita spenta, i terminali dell’alimentatore siano completamente aperti.

L’impedenza di uscita varia da modello a modello, mentre in questa condizione può dipendere dalle opzioni installate nell’alimentatore. Lo stato di uscita spenta normalmente comporta che tensione e corrente siano zero e lo spegnimento dei circuiti interni di generazione.

Tuttavia, ciò non garantisce che non scorra corrente nel carico, situazione ottenibile invece se i terminali fossero fisicamente scollegati dal carico. Alcuni alimentatori contengono quindi un relè di uscita allo scopo di disconnetterla. Pur dotati di questa funzionalità, alcuni modello potrebbero comunque avere dei condensatori collegati ai terminali di uscita che potrebbero influenzare il carico.

Per applicazioni critiche nelle quali la completa sconnessione elettrica tra uscita dell’alimentatore e dispositivo in prova è obbligatoria, va verificato con il fabbricante se il relè di uscita garantisce tale isolamento. In caso contrario sarà necessario aggiungere dei relè esterni.

Alimentatore con relè interni sui terminali di uscitaFigura 4: Alimentatore con relè interni sui terminali di uscita: quando aperti il dispositivo in prova risulta completamente scollegato

Alimentatore con relè interni posizionati a monteFigura 5: Alimentatore con relè interni posizionati a monte di alcuni componenti che rimangono sempre collegati al dispositivo in prova.

Sebbene la maggior parte degli alimentatori possa misurare tensioni o correnti stazionarie, alcuni modelli possono eseguire anche misure dinamiche. Questi alimentatori contengono al loro interno un digitalizzatore. Quando si impiega un digitalizzatore è possibile regolare:

  1. Il periodo di campionamento
  2. Il numero di campioni da acquisire
  3. Il tempo di acquisizione

Una volta che due di questi parametri sono impostati, il terzo risulta determinato dalla seguente equazione:

Tempo di acquisizione = periodo di campionamento x (numero di campioni – 1)

Il digitalizzatore interno ad un alimentatore può essere configurato per far scattare il trigger e campionare le forme d’onda di uscita di tensione e corrente dell’alimentatore. Il digitalizzatore salverà in un buffer i punti della forma d’onda campionata in modo da poter successivamente recuperare e analizzare i dati con gli strumenti software standard.

L’impiego di un alimentatore al posto di una batteria consente così di acquisire informazioni dinamiche sulla corrente che scorre nel dispositivo in prova. Inoltre, risulta così possibile regolare il progetto per ottimizzare la gestione della potenza nel carico.

Normalmente gli alimentatori sono impiegati per alimentare circuiti che richiedono una tensione costante. Tuttavia, applicazioni più avanzate possono richiedere una tensione (o corrente) variabile nel tempo.

Gli alimentatori moderni possono facilmente gestire entrambe le esigenze, grazie ad una modalità a lista di valori operativi per applicazioni tempo varianti.

Tipicamente è possibile programmare tramite PC il valore della tensione di uscita dell’alimentatore per periodi di tempo definiti. Il programma è così in grado di controllare la transizione tra le tensioni, in modo che il dispositivo in prova sia collaudato a varie tensioni.

Questa modalità consente di generare delle sequenze di tensioni sincronizzabili con segnali interni o esterni, senza gravare sulle risorse del PC. Si tratta semplicemente di impostare i singoli passi programmabili di tensione (o corrente) insieme alla durata desiderata. Per creare una lista si deve impostare:

  1. Uno o più salti di tensione o corrente
  2. Tempo di permanenza
  3. Numero di ripetizioni (numero di volte che la lista si ripete)

Al fine di assicurare ai progettisti l’accesso ai più elevati livelli di esperienza tecnica e strumentazione di test avanzata, necessarie per il tipo di analisi dell’alimentazione qui discussa, Keysight e Microlease hanno avviato una partnership.

Questo sforzo collaborativo offrirà certamente molti vantaggi ai progettisti, consentendo loro di eseguire procedure di collaudo molto più efficaci.

Grazie all’ampia gamma di apparati per l’alimentazione disponibili, i progettisti possono trovare la soluzione migliore per le loro specifiche esigenze economiche e logistiche. Inoltre, tutto ciò è supportato dai servizi professionali di taratura e manutenzione.

*Howard Peat è Distribution Sales Manager e Field Sales Engineer di Microlease

**Giacomo Tuveri è Marketing Industry Manager EMEAI at Keysight Technologies

Fiere e Seminari

Logo FocusonPCB

FocusonPCB - Vicenza, 13-14 maggio 2026

"Focus on PCB – From Design to Assembly” torna a Vicenza il 13 e 14 maggio 2026 confermandosi come l’evento di riferimento in Europa per l’industria dei circuiti stampati e per…

Oscilloscopio MXO 3

Focus on PCB - 13-14 maggio, Fiera di Vicenza