www.strumentazioneelettronica.it

resultsUrl="https://www.strumentazioneelettronica.it/risultati-ricerca/"

Convertitori A/D per strumentazioneOsservando le novità nel settore dei componenti elettronici dedicati alla strumentazione, possiamo farci un'idea delle prestazioni che possiamo aspettarci nella prossima generazione di strumenti di misura commerciali.

Un esempio significativo è rappresentato dal convertitore analogico/digitale, componente cardine di una gran varietà di strumenti di misura moderni.

Analizziamo una delle ultime novità in questo settore presentate da Analog Devices, azienda fornitrice di moltissimi costruttori di strumentazione elettronica: il convertitore analogico/digitale ad alta velocità ed elevate prestazioni AD9213.

Si tratta di un convertitore analogico-digitale (ADC) capace di lavorare su segnali a radio frequenza (RF) con velocità e larghezza di banda estremamente elevate.

Infatti, permette di convertitore accuratamente segnali RF fino a 7 GHz, con prestazioni di linearità, accuratezza e rumore adatte alla realizzazione di strumenti di misura. La sua frequenza di campionamento massima è di ben 10 Gs/s con una risoluzione di 12 bit.

Un componenti elettronico come il convertitore analogico/digitale AD9213 consente di realizzazione di sistemi misura definiti dal software di nuova generazione, dove l’alta frequenza di campionamento e la post elaborazione integrata permettono di ideare soluzioni non convenzionali.

In sostanza, con un circuito integrato del genere è possibile digitalizzare direttamente un segnale d'ingresso a radiofrequenza, per poi applicare tutte le tecniche di misura e analisi del segnale nel dominio digitale, senza dover passare necessariamente dalla conversione del segnale a frequenza intermedia.

Schema a blocchi del convertitore analogico/digitale AD9213 di Analog DevicesAziende specializzate come Analog Devices sono riuscite a ottimizzare le architetture di conversione ad un livello impensabile solo fino a pochi anni fa, sfruttando al meglio i progressi offerti nel campo delle microelettronica. Il risultato è un dispositivo monolitico che 'fa tutto da solo', compreso autotararsi ed effettuare le pre-elaborazioni sul segnale necessarie per garantire linearità e prevedibilità del comportamento.

In questo specifico caso, ad ed esempio con un segnale di ingresso a onda continua da 4 GHz, la densità spettrale di rumore rimane entro –152 dBFS/Hz, mentre la gamma dinamica priva di spurie (SFDR) è tipicamente migliore di 65 dBc.

Si tratta di parametri prestazionali che possono aiutare i costruttori di strumenti di misura e collaudo differenziare i loro prodotti proponendo nuove soluzioni di analisi dei segnali nel dominio del tempo, ad esempio in oscilloscopi digitali e strumenti per analisi spettroscopiche/chimiche.

Lo stesso tipo di evoluzione tecnologica la possiamo osservare nel campo della generazione dei segnali.

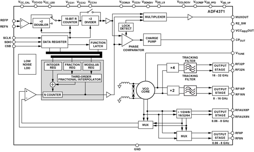
Sintetizzatore di frequenza Analog Devices ADF4371Sempre navigando tra gli annunci recenti di Analog Devices troviamo il nuovo sintetizzatore di frequenza ADF4371, basato su phase-locked loop (PLL) con oscillatore (VCO) integrato, come pure i filtri di selezione di banda ed i regolatori di tensione lineari (LDO).

Un componente elettronico come il modello ADF4371 raccoglie i risultato di 25 anni di esperienza maturati nel settore dei sintetizzatori RF e microonde, offrendo una capacità di generare segnali in uscita nell'intervallo da 62 MHz a 32 GHz con prestazioni di altissimo livello in termini di purezza spettrale, livello di spurie e rumore di fase.

Ai progettisti di strumenti di misura, l'architettura estremamente configurabile del generatore di segnali AD4731 dà la possibilità  di adottare una piattaforma di sintesi di frequenza unica e compatta, per le diverse esigenze di generazione di segnali di clock e oscillatori locali entro l'ampio intervallo di frequenze di lavoro supportate, riducendo quindi costi di sviluppo, rischi e time to market.

Schema a blocchi del sintetizzatore di segnali Analog Devices ADF4371Ad esempio, utilizzando un filtro di anello e un segnale di riferimento esterni, il generatore ADF4371 facilita la realizzazione di sintetizzatori di frequenza PLL N-frazionari o N-interi ad alta risoluzione (39-bit). La struttura a larga banda del VCO permette la generazione di frequenze nel campo da 62,5 MHz a 32 GHz.

Il dispositivo garantisce valori di jitter di 36 fs a 10 GHz e di spurie tipicamente di -100 dBc tipici, oltre alla capacità di filtraggio integrato delle armoniche e di disaccoppiamento dalle linee di alimentazione.

Aprendo il coperchio degli strumenti di misura del futuro sarà molto probabile trovare queste tipologie di componenti, che nascono per far fronte alle nuove sfide dell'elettronica avanzata per applicazioni che spaziano delle reti 5G, i radar, le comunicazioni satellitari e le connessioni wireless ad altissima velocità.

Fiere e Seminari

Logo FocusonPCB

FocusonPCB - Vicenza, 13-14 maggio 2026

"Focus on PCB – From Design to Assembly” torna a Vicenza il 13 e 14 maggio 2026 confermandosi come l’evento di riferimento in Europa per l’industria dei circuiti stampati e per…

Oscilloscopio MXO 3

Focus on PCB - 13-14 maggio, Fiera di Vicenza