www.strumentazioneelettronica.it

resultsUrl="https://www.strumentazioneelettronica.it/risultati-ricerca/"

Ripple e altri disturbi sull'alimentazioneUn utilizzo intelligente del trigger e della funzione FFT di un moderno oscilloscopio permette di identificare le possibili sorgenti di rumore che influenzano negativamente l'integrità della linea di alimentazione in corrente continua di un sistema elettronico.

L’impiego delle funzioni di analisi FFT per visualizzare i segnali nel dominio della frequenza può essere molto utile per identificare le sorgenti che contribuiscono al rumore dell’alimentazione.

Introduzione

Grazie al ripetuto avverarsi delle previsioni definite nella legge di Moore e all'eccezionale proliferazione di microcontrollori economici, tutti noi possiamo beneficiare di un’ampia varietà di prodotti elettronici contenenti un sempre maggior numero di funzioni e caratteristiche interessanti.

Questi sofisticati dispositivi richiedono un’alimentazione in corrente continua (DC) di qualità migliore rispetto ai loro predecessori. Una delle sfide che i progettisti di questi sistemi devono affrontare è la fornitura di un’alimentazione pulita ai dispositivi e ai circuiti presenti nei loro prodotti.

Lo studio dell’efficacia della distribuzione di un’alimentazione DC dall’uscita dei convertitori DC/DC ai gate dei dispositivi nei circuiti è chiamata “power integrity”.

Gli oscilloscopi in tempo reale vengono normalmente impiegati per misurare il ripple (ondulazione residua), il rumore, la risposta di carico in transitorio e molti altri parametri rilevanti per l’integrità dell’alimentazione. Questo articolo illustra come usare le funzioni di trigger e FFT di un oscilloscopio per investigare e analizzare le possibili sorgenti di rumore dell’alimentazione.

Il problema

L’importanza di un’alimentazione pulita è cresciuta proporzionalmente alla densità e velocità della varie generazioni di prodotti sviluppati.

Le fluttuazioni dell’alimentazione DC possono rappresentare la fonte principale di jitter nel segnale di clock e nei sistemi digitali. Questo fenomeno è noto come jitter indotto dall’alimentazione (PSIJ).

Un calo nella tensione di alimentazione di un componente digitale può aumentare il ritardo di propagazione attraverso le porte al suo interno, causando così una riduzione dei margini temporali o addirittura degli errori logici.

Con l’aumentare della velocità di commutazione e della velocità di variazione delle forme d’onda dei dispositivi digitali (slew rate), è cresciuta anche la probabilità che il rumore di commutazione venga iniettato nella linea di alimentazione. Tale rumore si manifesta alle frequenze operative che possono facilmente superare il GHz.

Il miglioramento dell’efficienza energetica o la riduzione del consumo di potenza sono altri compiti che i progettisti devono affrontare.

Al fine di ridurre la densità di potenza e mantenere il consumo di potenza a livelli accettabili, i progettisti hanno ridotto le tensioni di alimentazione e ristretto ulteriormente le specifiche sulle alimentazioni. A questo punto, una sfida che i progettisti devono affrontare è la misura di segnali alternati sempre più piccoli e veloci sovrapposti alle alimentazioni in continua.

Rumore sull'alimentazione in continua

Idealmente le alimentazioni DC dovrebbero essere prive di rumore. Quindi da dove viene tale rumore? Prima di tutto vi è il semplice rumore gaussiano dovuto all’inevitabile rumore termico, cioè il rumore prodotto dall’agitazione termica degli elettroni. Normalmente questo contributo non rappresenta la sorgente principale di rumore.

Ripple su linea di alimentazioneLe sorgenti principali di rumore sull’alimentazione sono il rumore di commutazione che proviene dall’alimentatore stesso ed il rumore indotto dalle correnti di commutazione del dispositivo che crea transienti di corrente.

Il rumore creato dagli eventi di commutazione può apparire casuale nel tempo; tuttavia tali impulsi tendono a essere sincroni con i fronti del segnale di clock.

Pensare al rumore dell’alimentazione come ad una combinazione di “segnali”, quali il rumore di commutazione dell’alimentazione e il rumore di commutazione dei carichi sovrapposti all’alimentazione DC, renderà più facile la loro misura ed analisi.

Data la banda elevata di tale rumore, spesso si preferisce misurarlo con un oscilloscopio, in virtù della sua ampia banda passante, facilità d’uso e immediata disponibilità.

Usare il dominio della frequenza per l’analisi

L’impiego delle funzioni di analisi FFT per visualizzare i segnali nel dominio della frequenza può essere utile per identificare le sorgenti che contribuiscono al rumore dell’alimentazione.

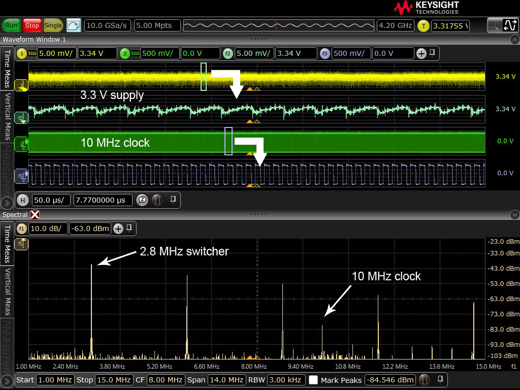
In questo esempio consideriamo un convertitore DC-DC switching che converte la tensione di alimentazione da 5 V a 3,3V. Il convertitore funziona a 2,8 MHz. Altrove nel circuito vi sono altri componenti alimentati a 5 V che lavorando con un segnale di clock a 10 MHz.

Utilizzando la sonda per linee di alimentazione N7020A di Keysight con un oscilloscopio della serie S misuriamo l’alimentazione in uscita a 3,3 V. Contemporaneamente misuriamo anche il segnale di clock a 10 MHz con una normale sonda passiva.

La figura sottostante mostra i risultati delle due misure nel dominio del tempo, insieme ad una visione nel dominio della frequenza dell’alimentazione a 3,3 V ottenuta con la funzione FFT dell’oscilloscopio.

Analisi nel dominio del tempo e della frequenza della linea di alimentazioneAndamento nel dominio del tempo dell’alimentazione a 3,3 V (due tracce superiori) e del clock a 10 MHz (due tracce inferiori) e andamento nel dominio della frequenza dell’alimentazione a 3,3 V

Dall’andamento nel dominio del tempo si osserva un segnale con periodo pari a circa 360 ns che è un residuo della commutazione a 2,8 MHz. Confrontando l’andamento nel tempo dell’alimentazione a 3,3 V con il segnale di clock a 10 MHz non risulta evidente che il circuito digitale contribuisca al rumore dell’alimentazione.

Sempre nelle stessa figura possiamo vedere nel dominio della frequenza i picchi che corrispondono allo switch a 2,8 MHz (e le sue armoniche) insieme ad un picco a 10 MHz che rappresenta il rumore legato al clock.

La visualizzazione del rumore nel dominio della frequenza, oltre al dominio del tempo, ha consentito una migliore comprensione delle sorgenti di rumore.

Uso del trigger per visualizzare e misurare le componenti dei segnali nel rumore dell’alimentazione

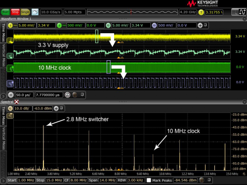
:Utilizzando la funzione FFT dell’oscilloscopio siamo stati in grado di concludere che una parte del rumore sull'alimentazione a 3,3 V è legata al segnale di clock a 10 MHz e al circuito digitale.

Con questa informazione, il passo successivo che possiamo compiere è cercare di capire quanto tale rumore sia influenzato dal clock. In questo modo è possibile prendere una decisione motivata in merito ad una riprogettazione che minimizzi questo rumore.

L’uso del trigger può aiutare a visualizzare e a misurare le componenti di rumore che si accoppiano all’alimentazione, e sono in coerenza di fase con altri elementi nel sistema.

Per dimostrare questo approccio misuriamo contemporaneamente l’alimentazione a 3,3 V ed il segnale a 10 MHz. Poi impostiamo il trigger dell’oscilloscopio sul fronte di salita del segnale di clock. Infine impostiamo la modalità di acquisizione dell’oscilloscopio sulla media analogica.

La media delle acquisizioni ripetute (in questo caso 1024) elimina tutte le componenti di rumore casuali e altre componenti che non sono sincrone con il clock. Il risultato finale saranno quelle parti di rumore dell’alimentazione correlate al segnale di clock 10 MHz.

Il risultato di questa misura è mostrato nella figura sottostante. Se valga la pena riprogettare il sistema per minimizzare od eliminare il rumore in questo esempio è una decisione che il progettista può ora prendere ragionevolmente confrontando questi nuovi dati con altri vincoli che deve rispettare.

Rumore sull’alimentazione 3,3 V relativo al clock 10 MHzImpostando il trigger sul segnale di clock a 10 MHz e abilitando le medie, che eliminano il rumore casuale e i segnali che non sono sincroni con il clock, il risultato è il rumore sull'alimentazione 3,3 V relativo al clock 10 MHz

Conclusione

Individuare le possibili sorgenti di rumore dell’alimentazione rappresenta un passo chiave per progettisti e tecnici che si occupano di integrità dell’alimentazione. Una volta identificata una sorgente di rumore, è possibile prendere degli accorgimenti per ridurne o eliminarne l’effetto.

La funzione FFT di un oscilloscopio può essere impiegata per restringere il campo di indagine. L’uso del trigger e delle medie può aiutare a verificare l’entità dell’impatto di queste sorgenti sul rumore totale dell’alimentazione.

Appendice: Impostare la funzione FFT sull’oscilloscopio

Ad ogni attivazione del trigger, l’oscilloscopio campiona i segnali in ingresso per un intervallo di tempo finito, che dipende dalle dimensioni della memoria e dalla frequenza di campionamento.

La FFT non può “vedere” componenti spettrali a frequenze più basse dell’inverso della durata della finestra temporale di acquisizione.

La frequenza più bassa che può essere analizzata dalla FFT è pari a 1/[1/(freq. campionamento)x(lunghezza memoria)].

La risoluzione delle FFT aumenta con la profondità di memoriaDi conseguenza, per analizzare una sorgente di rumore sospetta con la FFT è necessario assicurarsi di impostare la profondità di memoria per un numero sufficiente di campioni.

Ad esempio, se l’alimentatore switching funziona a 33 kHz, è necessario campionare 1/(33 kHz) o 30 microsecondi per vederlo. Con una frequenza di campionamento di 20 GSa/s, sono necessari 600.000 campioni in memoria. Normalmente la FFT viene calcolata solamente sui campioni visualizzati sul display.

*Kenny Johnson ricopre il ruolo di R&D technical lead in Keysght Technologies occupandosi di sonde e oscilloscopi

Fiere e Seminari

Logo FocusonPCB

FocusonPCB - Vicenza, 13-14 maggio 2026

"Focus on PCB – From Design to Assembly” torna a Vicenza il 13 e 14 maggio 2026 confermandosi come l’evento di riferimento in Europa per l’industria dei circuiti stampati e per…

Oscilloscopio MXO 3

Focus on PCB - 13-14 maggio, Fiera di Vicenza