I nuovi oscilloscopi ad alta risoluzione sono sempre più diffusi e accessibili. Consentono di affrontare una crescente varietà di applicazioni e aiutano a migliorare il debugging, l'analisi e la visualizzazione di piccoli dettagli del segnale.
Per progettare un oscilloscopio di qualità per applicazioni che richiedono un'elevata fedeltà del segnale non basta migliorare la risoluzione da 8 a 12 bit. È altrettanto necessario prestare attenzione all'intero processo di progettazione, dalla sonda al display.
A partire dalla selezione dei componenti fino al layout e alla progettazione del sistema di alimentazione a basso rumore, il miglioramento delle prestazioni complessive di un oscilloscopio richiede competenze specifiche durante l'intero processo di progettazione.
Il team di progettazione SIGLENT mette a disposizione anni di conoscenza del settore per affrontare le sfide di una migliore fedeltà del segnale con i nostri nuovi oscilloscopi ad alta risoluzione. Grazie a un'attenta progettazione, questi oscilloscopi offrono un basso rumore, un migliore isolamento e un eccellente errore di guadagno per aiutare i tecnici a migliorare la fedeltà del segnale.
Le funzionalità di visualizzazione ottimizzate, tra cui lo zoom verticale, le trasformate di Fourier veloci (FFT) con memoria profonda e l'offset dinamico della scala, offrono miglioramenti della fedeltà del segnale direttamente al tecnico che utilizza la strumento.
I nuovi oscilloscopi ad alta risoluzione di SIGLENT offrono una qualità del segnale ad alta fedeltà per le misure da 70 MHz a 4 GHz. Gli ultimi arrivati, i modelli SDS800X HD, SDS1000X HD e SDS3000X HD, si aggiungono allo strumento di punta SDS7000A, lanciato in precedenza, per offrire una migliore fedeltà del segnale a una vasta gamma di applicazioni.
Come già detto, la qualità complessiva del progetto è più importante per la fedeltà del segnale rispetto al numero di bit del convertitore analogico-digitale. La progettazione di SIGLENT per la qualità del segnale ha portato sul mercato alcuni degli oscilloscopi ad alta risoluzione più precisi.
L'alta fedeltà del segnale inizia con il miglioramento delle prestazioni di rumore. La progettazione a basso rumore richiede un'attenta selezione dei componenti e la mitigazione delle EMI nello stadio di alimentazione e nel front-end. Il rumore di un oscilloscopio può essere influenzato dalla portata, dalla larghezza di banda e dalla configurazione usata.
L'elevata frequenza di campionamento e la memoria profonda sono importanti perché le modalità di filtraggio possono essere applicate per ottimizzare il rumore di fondo in base alla larghezza di banda e al livello di rumore richiesti da una particolare applicazione. Ad esempio, un oscilloscopio SDS7304A da 3 GHz può campionare a 20 GSa/sec e garantire un rumore di 200 μVrms a piena larghezza di banda.
Grazie al sovracampionamento, alla profondità di memoria, ai limiti della larghezza di banda e al filtraggio ERES, lo stesso strumento può anche essere configurato per eseguire misure con 200 MHz di larghezza di banda e un rumore inferiore a 40 μVrms. Questa flessibilità è un'importante caratteristica progettuale di tutti i nuovi oscilloscopi ad alta risoluzione di SIGLENT.
Anche l'isolamento da canale a canale svolge un ruolo significativo per la fedeltà del segnale. Molte applicazioni richiedono il confronto di più canali a diverse ampiezze. L'accoppiamento accidentale di segnali adiacenti riduce direttamente la fedeltà della misura.
Oscilloscopio Siglent SDS3000X HDL'oscilloscopio SDS3000X HD offre un isolamento di 1000:1 a 200 MHz, riducendo l'accoppiamento di 10 volte rispetto ad alcuni oscilloscopi ad alta risoluzione della concorrenza.
L'accuratezza del guadagno è la quantità di errore aggiunta a un segnale quando la tensione si sposta da 0 V alla parte superiore dell'intervallo ADC. Di solito è rappresentata da una percentuale ed è legata alle specifiche dell'ADC stesso. Gli oscilloscopi ad alta risoluzione di SIGLENT, compresa la famiglia SDS1000X HD, hanno una precisione di guadagno DC di ±0,5% su intervalli pari o superiori a 5 mV/div. Si tratta di un'accuratezza quattro volte superiore a quella di altri modelli ad alta risoluzione.
L'intera filosofia di progettazione porta una fedeltà del segnale senza pari nelle applicazioni degli oscilloscopi e ora copre una gamma di frequenze da 70 MHz a 4 GHz. È possibile sfruttare questa migliore fedeltà del segnale attraverso miglioramenti della visualizzazione che includono lo zoom verticale, gli offset dinamici di scala e la FFT a memoria profonda.
Lo zoom verticale è una funzionalità importante per qualsiasi oscilloscopio ad alta risoluzione. Oltre i 10 bit, la risoluzione è più precisa di un singolo pixel su un tipico display. Per sfruttare appieno l'alta risoluzione o i vantaggi della media avanzata, è necessario poter zoomare sull'asse della tensione.
Alcuni oscilloscopi consentono di ottenere questo risultato solo in modalità di arresto, ma il sistema di zoom orizzontale e verticale realizzato di SIGLENT consente di regolare l'intervallo di zoom al volo sulle misure dal vivo senza modificare la scala verticale dell'ADC.
Le figure sottostanti mostra un confronto tra un oscilloscopio a 8 e a 12 bit utilizzando la capacità dello zoom verticale. Questo confronto rende evidente il vantaggio dei 12 bit combinati con lo zoom verticale e consente di visualizzare in dettaglio piccoli artefatti del segnale senza saturare l'ADC. Combinandolo con i display da 7 pollici, 10,1 pollici o 15,6 pollici si ottiene la visione migliore per il proprio banco di collaudo o laboratorio.
| |
Gli offset dinamici della scala lavorano insieme allo zoom per aumentare ulteriormente la visibilità di segnali difficili da catturare. Con 11 gamme di offset integrate nell'oscilloscopio, SIGLENT offre un offset fino a 8 volte superiore su una determinata scala verticale. Grazie a questa capacità avanzata, si possono visualizzare piccoli segnali con ampio offset rispetto alla massa su una scala verticale più piccola per migliorare ulteriormente la fedeltà. Con alcuni oscilloscopi ad alta risoluzione della concorrenza e alcuni segnali, invece, si perdono tre cifre effettive di risoluzione perché tali strumenti sono costretti a utilizzare una scala verticale più ampia di ±8 volte per visualizzare lo stesso segnale.
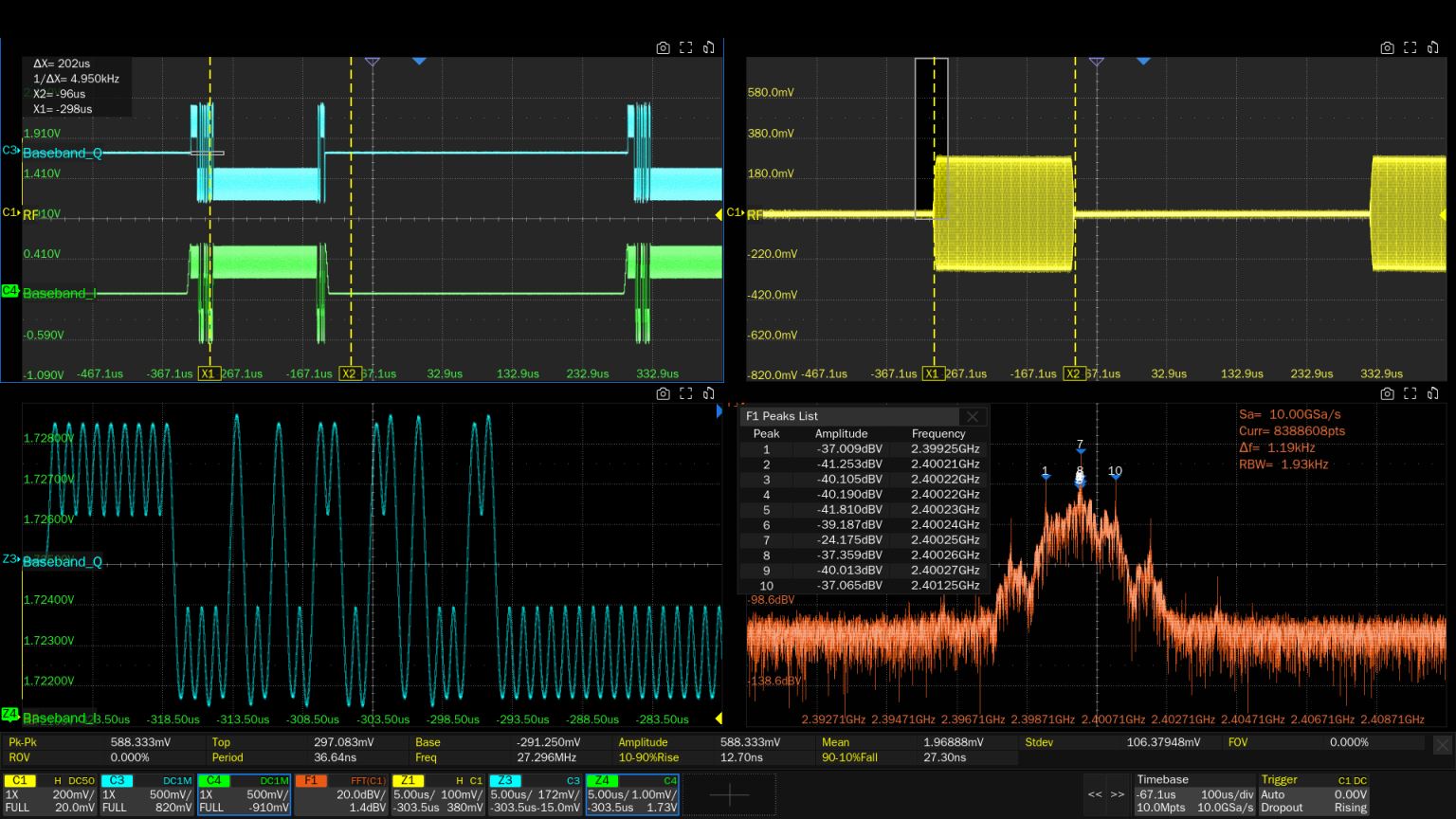
Le FFT a memoria profonda estendono il valore degli oscilloscopi ad alta risoluzione alle applicazioni RF. Con ingressi da 50 Ω e la risoluzione di 12 bit è possibile utilizzare un oscilloscopio SDS7000A per catturare e analizzare segnali RF fino a 4 GHz per il debug delle emissioni o il test funzionale.
Analisi multidominio di un segnale BlueTooth LETutti gli oscilloscopi SIGLENT ad alta risoluzione sono dotati di FFT con memoria profonda e il modello SDS7000A utilizza fino a 32 milioni di punti nel calcolo per migliorare la fedeltà del segnale su un'ampia gamma di frequenze. La Figura 4 mostra una visualizzazione di questa FFT su un segnale Bluetooth LE.
La combinazione di funzionalità di visualizzazione avanzate con la dedizione di SIGLENT alla progettazione della qualità del segnale rende i nostri nuovi oscilloscopi ad alta risoluzione tra gli strumenti più flessibili e potenti disponibili. La combinazione di capacità e valore da 70 MHz a 4 GHz rende l'offerta di SIGLENT la più ampia del settore. Qualunque sia la vostra applicazione, SIGLENT vi offre un oscilloscopio ad alta risoluzione costruito con fedeltà del segnale, qualità e visualizzazione avanzata, in grado di soddisfare le vostre esigenze.
Thomas Rottach* è Sales & Marketing Manager di Siglent Tecnologies Europe