www.strumentazioneelettronica.it

resultsUrl="https://www.strumentazioneelettronica.it/risultati-ricerca/"

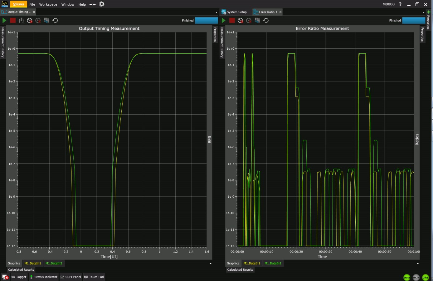
Tester BER Agilent M8000Agilent Technologies (Keysight) ha presentato una nuova potente famiglia di strumenti dedicati alle misure di tasso di errore sul bit (BER) per la caratterizzazione e la validazione di ricevitori funzionanti a velocità di cifra di diversi gigabit.

Gli strumenti della famiglia M8000 hanno funzionalità adatte a supportare le prove di conformità e di valutazione delle prestazioni dei bus informatici di nuova generazione, come PCI Express 4 e USB 3.1.

Le velocità sempre più elevate di trasferimento dati (fino 16 GT/s in PCI Express 4 o 16 Gb/s in USB 3.1) richiedono di verificare con margini sempre più stringenti la qualità dei segnali e i nuovi formati di codifica a 128/130 bit e 128/132 bit complicano ulteriormente la rilevazione degli errori e la creazione di pattern necessari a verificare il corretto funzionamento dei protocolli di trasmissione.

Nuovi formati di dati e meccanismi di ricetrasmissione emergono anche nel settore dei dispositivi mobili, che sfruttano porte MIPI con caratteristiche innovative o che funzionano con più flussi di dati seriali trasmessi in parallelo su più corsie..

Misure di BERAnche le più moderne apparecchiature di telecoumicazione e archiviazione dati hanno visto esplodere la richiesta di banda, per cui si utilizzano sempre più spesso collegamenti con linee seriali fino a a 25 Gb/s su più corsie e interfacce di trasmissione ottiche come 100 GbE, CEI e Fibre Channel con più segnali elettrici a 25 Gb/s

Il primo modello della nuova serie di strumenti Agilent M8000 è l'analizzatore ad alte prestazioni J-BERT M8020A, che permette di caratterizzare segnali singoli e multicorsia con velocità di linea fino a 16 Gb/s e 32 Gb/s.

Lo strumento è realizzato sfruttando l'architettura modulare basata sul bus AXIe per supportare da uno a quattro canali di misura BERT con velocità fino a 8,5 Gb/s e 16 Gb/s con possibilità di estensione a 32 Gb/s.

Fiere e Seminari

Logo FocusonPCB

FocusonPCB - Vicenza, 13-14 maggio 2026

"Focus on PCB – From Design to Assembly” torna a Vicenza il 13 e 14 maggio 2026 confermandosi come l’evento di riferimento in Europa per l’industria dei circuiti stampati e per…

Oscilloscopio MXO 3

Focus on PCB - 13-14 maggio, Fiera di Vicenza