www.strumentazioneelettronica.it

resultsUrl="https://www.strumentazioneelettronica.it/risultati-ricerca/"

Sensori di corrente Allegro CT4022 CT4032Allegro MicroSystems ha annunciato i suoi più recenti sensori di corrente TMR (a effetto tunnel magnetoresistivo) della famiglia XtremeSense.

I sensori di corrente CT4022 e CT4032 offrono prestazioni di classe superiore in termini di rumore nelle misure di corrente ad alta precisione per applicazioni ad alta tensione e ad alta densità di potenza, in particolare per il settore delle energie rinnovabili.

I nuovi modelli CT4022/32 ampliano la gamma di sensori di corrente XtremeSense TMR ad alta precisione di Allegro, misurando la corrente che fluisce attraverso un conduttore integrato senza essere influenzati dalle interferenze provenienti da campi magnetici esterni.

I sensori TMR sono di tipo differenziale, il che migliora la reiezione del campo di modo comune per annullare gli effetti dei campi magnetici vaganti.

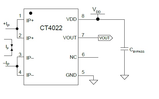
Circuito applicativo sensore di corrente Allegro CT4022Circuito applicativo del sensore di corrente CT4022: la tensione VOUT varia linearmente con la corrente primaria IPLa resistenza del conduttore primario di entrambi i modelli è di 1 mΩ, il che consente al sensore di sopportare correnti di spunto elevate e ridurre al minimo la perdita di potenza. La corrente applicata al pin del conduttore primario genera un campo magnetico differenziale interno. Il sensore TMR fornisce una tensione proporzionale al campo magnetico differenziale, eliminando praticamrente gli effetti dei campi magnetici vaganti o parassiti di modo comune.

I sensori sono progettati per soddisfare le esigenze dei sistemi di energia pulita, dove è fondamentale massimizzare l'efficienza di conversione della potenza. L'isolamento galvanico integrato consente il rilevamento della corrente sul ramo inferiore (low side) e superiore (high side) dei circuiti di conversione a ponte, oppure in linea per applicazioni fino a 1000 V.

“I nuovi sensori di corrente TMR XtremeSense di Allegro stabiliscono uno standard industriale per le misure di corrente a basso rumore tramite rilevamento magnetico”, ha dichiarato Matt Hein, Business Line Director of Current Sensors di Allegro MicroSystems. “I nuovi sensori dimezzano il valore del rumore quadratico medio (RMS) rispetto alle precedenti soluzioni TMR e riducono il rumore di 4 volte rispetto alle soluzioni con conduttori integrati basate sull’effetto Hall. Il risultato è una conversione di potenza altamente efficiente, anche in condizioni di carico leggero, che consente di ottenere prestazioni superiori in molteplici applicazioni, dalle pompe di calore agli inverter solari, fino ai caricabatterie per veicoli elettrici di ultima generazione”.

Il modello CT4022 è disponibile in contenitore SOIC a 8 pin standard, mentre il modello CT4032 è disponibile in contenitore in SOIC widebody a 16 pin standard.

Fiere e Seminari

Logo FocusonPCB

FocusonPCB - Vicenza, 13-14 maggio 2026

"Focus on PCB – From Design to Assembly” torna a Vicenza il 13 e 14 maggio 2026 confermandosi come l’evento di riferimento in Europa per l’industria dei circuiti stampati e per…

Oscilloscopio MXO 3

Focus on PCB - 13-14 maggio, Fiera di Vicenza