Allegro MicroSystems ha presentato i suoi nuovi sensori di corrente ad alta potenza ACS37220 e ACS37041 per applicazioni ad alta potenza inserito in un package QFN e SOT23-W.
Si tratta di sensori pensati per sostituire i classici resistori shunt abbinati agli amplificatori operazionali per misurare la corrente in applicazioni di conversione di potenza in ambito automotive, industriale ed energia.
Circuito applicativo tipico dei sensori di corrente AllegroLe soluzioni basate sui tradizionali resistori shunt richiedono più componenti, occupano più spazio sulla scheda e spesso richiedono strati aggiuntivi sui PCB e l’utilizzo di dissipatori per garantire prestazioni termiche soddisfacenti. Tutti questi fattori impattano negativamente su peso e ingombro dei sistemi elettronici di potenza, oltre ad aumentare la complessità della progettazione, che spesso comporta un aumento dei costi e dei tempi di produzione.
I nuovi sensori di corrente di Allegro rispondono alle esigenze più sfidanti, offrendo un ingombro ridotto, una maggiore efficienza e un’integrazione più semplice.
Il sensore ACS37220 è progettato per sostituire i resistori shunt ad alta potenza e può essere utilizzato per applicazioni di monitoraggio della corrente fino a 200 A.
Il sensore ACS37041 offre un elevato livello di integrazione in un package compatto SOT23-W ed è adatto a un’ampia gamma di applicazioni di misura della corrente fino a 30 A.
“Siamo entusiasti di proporre i nuovi sensori ACS37220 e ACS37041. Il loro ingombro ridotto e la bassa dissipazione di potenza costituiscono un’ottima alternativa agli shunt tradizionali”, ha dichiarato Shaun Milano, Business Line Director, Current Sensors di Allegro. “Questi sensori sottolineano l’impegno di Allegro verso l’innovazione tecnologica e lo sviluppo di una tecnologia dei sensori altamente efficiente, che risponde alle esigenze dell’intera comunità dei progettisti di sistemi elettronici di potenza”.
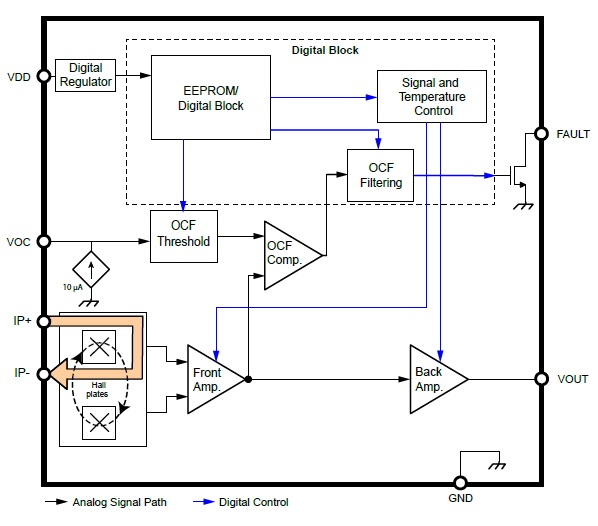
Il sensore misura la corrente sfruttando un rilevatore magnetico a effetto HallI nuovi sensori di corrente di Allegro integrano le funzioni del resistore shunt, dell’amplificatore shunt e di altri componenti passivi in un unico dispositivo. Il design compatto e i miglioramenti in termini di efficienza li rendono ideali per applicazioni a più bassa tensione (< 100 V) rispetto agli shunt tradizionali, offrendo i seguenti vantaggi: