www.strumentazioneelettronica.it

resultsUrl="https://www.strumentazioneelettronica.it/risultati-ricerca/"

Sensore amsOSRAM AS705x per monitoraggio parametri vitaliIl circuito integrato AS7050 è il primo sensore della nuova famiglia di prodotti sviluppati da ams OSRAM per acquisire biosegnali, come la frequenza cardiaca (HRM) e la resistenza galvanica della pelle (GSR).

Grazie ai due canali di conversione analogico-digitale ADC e allo stadio d'ingresso analogico a basso rumore, il sensore AS7050 può eseguire  contemporaneamente fotopletismogrammi (PPG) per misurare le variazioni del volume del sangue nel letto microvascolare del tessuto ed elettrocardiogrammi (ECG).

Con i nuovi biosensori di ams OSRAM si possono misurare i parametri vitali in diverse applicazioni, come gli apparecchi acustici o gli accessori indossabili basati su PPG.

La PPG (fotopletismografia) è la soluzione di misura tramite un sistema ottico più comunemente utilizzata per la misurazione della frequenza cardiaca.

La luce verde viene inviata nel tessuto, dove viene diffusa e parzialmente assorbita dal sangue. Una piccola parte della luce emessa viene riflessa in un fotodiodo e rilevata tramite l'elaborazione del segnale all'interno dei circuiti integrati.

Poiché il volume del sangue cambia con la frequenza cardiaca, l'assorbimento della luce e il segnale del fotodiodo sono modulati di conseguenza dalla frequenza cardiaca

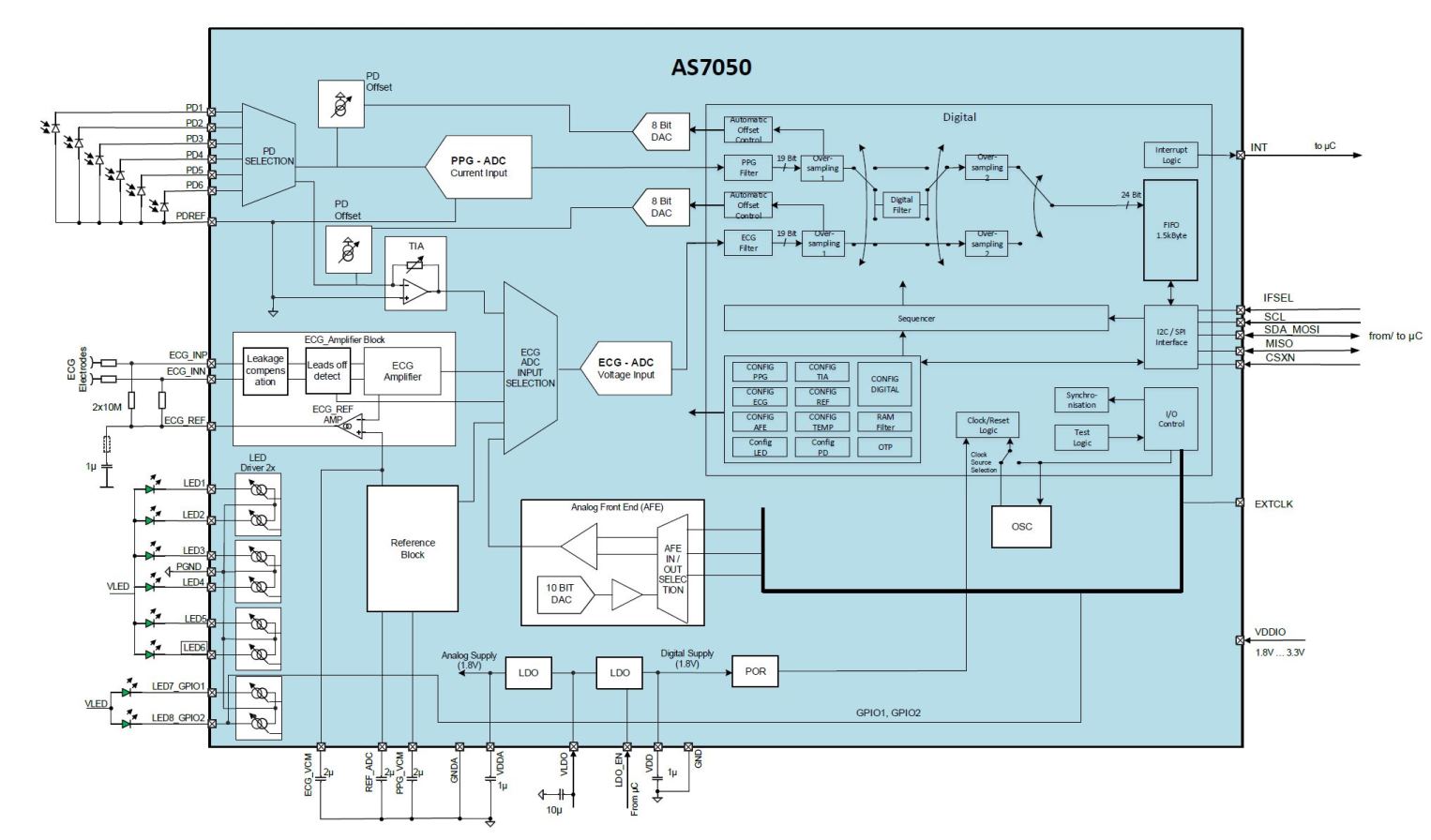
Schema a blocchi sensore amsOsram AS7050Il circuito integrato AS7050 gestisce fino a otto uscite per driver LED, campiona fino a sei ingressi per fotodiodi e supporta elettrodi esterni.

I modelli AS7056 e AS7057, invece, gestiscono fino a tre fotodiodi e fino a tre emettitori, uno dei quali è un driver VCSEL per il modello AS7056.

Ciò consente di ottenere la massima flessibilità di progetto per combinare emettitori e fotodiodi a secondda delle diverse applicazioni.

Fiere e Seminari

Logo FocusonPCB

FocusonPCB - Vicenza, 13-14 maggio 2026

"Focus on PCB – From Design to Assembly” torna a Vicenza il 13 e 14 maggio 2026 confermandosi come l’evento di riferimento in Europa per l’industria dei circuiti stampati e per…

Oscilloscopio MXO 3

Focus on PCB - 13-14 maggio, Fiera di Vicenza