www.strumentazioneelettronica.it

resultsUrl="https://www.strumentazioneelettronica.it/risultati-ricerca/"

Monitoraggio batterie (Texas Instruments)I nuovi circuiti integrati monitor per batterie ad alta tensione BQ79731-Q1 e BQ79718-Q1 di Texas Instruments sono dei sensori ad alta precisione conformi alle normativi ASIL D che permettono di migliorare la stima dell'autonomia dei veicoli elettrici.

Il monitor per batterie BQ79718-Q1 e il monitor per pacchi batterie BQ79731-Q1 sono i prodotti più recenti della vasta gamma di componenti per sistemi di gestione batterie (BMS) di Texas Instruments destinati al mercato automotive.

I circuiti integrati BQ79731-Q1 e BQ79718-Q1 offrono un livello di accuratezza e precisione senza precedenti per la misura della tensione, della corrente e della temperatura delle batterie, facilitando la determinazione dell'effettiva autonomia residua di un veicolo elettrico o ibrido in modalità elettrica.

«Le case automobilistiche puntano a ottenere la massima autonomia possibile dai loro veicoli elettrici: quindi è fondamentale disporre di stime accurate dello stato di carica per ottenere questo risultato», ha osservato Sam Wong, direttore generale dei prodotti BMS di TI. «I nostri nuovi dispositivi offrono una precisione sensibilmente maggiore per la misura di tensione e corrente e forniscono alle case automobilistiche un modo sicuro e preciso per stimare l'effettiva autonomia di un veicolo elettrico».

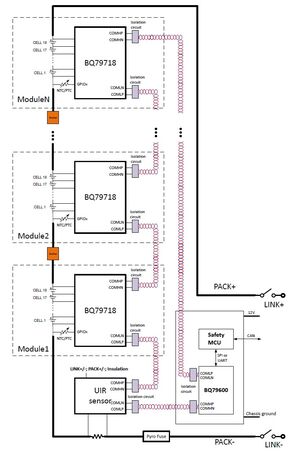
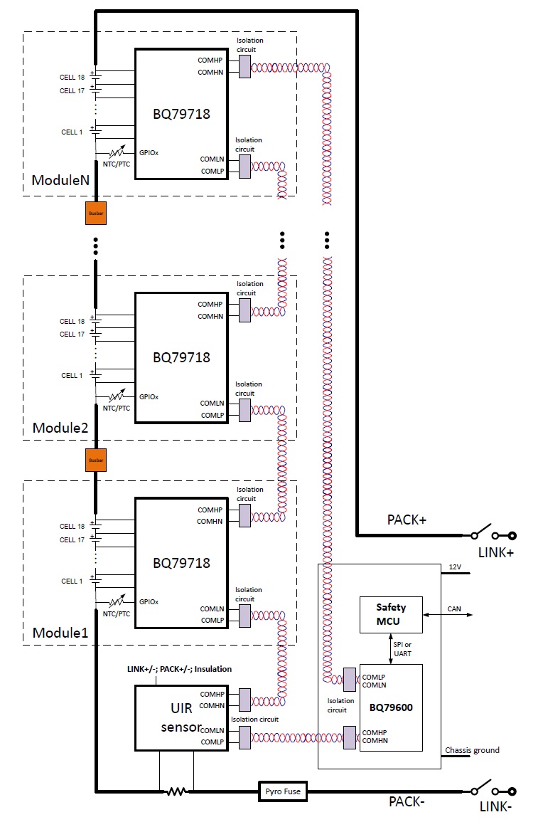
Monitoraggio accurato della tensione delle celle di fino a 18 moduli batteria con TI BQ79718-Q1Monitoraggio accurato della tensione delle celle di fino a 18 moduli batteria con TI BQ79718-Q1L'accuratezza e la precisione delle misura della tensione delle batterie diventa sempre più fondamentale per l'esperienza di guida di un consumatore. Anche una lieve variazione di temperatura può avere un effetto notevole sull'autonomia di un veicolo elettrico: le condizioni atmosferiche, specie il freddo, possono ridurre l'autonomia della batteria anche del 40%. Tali variazioni possono dare origine a una notevole incertezza sulla tensione delle batterie e sull'autonomia prevista per il veicolo elettrico.

Il circuito integrato BQ79718-Q1 permette alle case automobilistiche di ottimizzare l'autonomia effettiva dei loro veicoli elettrici con la possibilità di misurare la tensione delle batterie ad alte prestazioni con un'accuratezza fino a 1 mV, mentre il circuiti integrato BQ79731-Q1 consente di misurare la corrente del pacco batterie con un'accuratezza fino allo 0,05%.

L'elevata accuratezza di misura permette di ottenere un quadro il più chiaro possibile per la valutazione dello stato di carica e dello stato di salute fino a livello della singola batteria e del singolo pacco batterie, il che va a riflettersi in modo efficace sull'effettivo chilometraggio residuo e ad aumentare la durata della batteria dei veicoli elettrici.

La sincronizzazione delle misure di tensione e corrente (entro 64 µs) consente di monitorare istantaneamente la potenza del pacco batterie e di fornire un'istantanea in tempo reale della salute della batteria.

Monitoraggio tensioni, corrente e potenze batterie con TI BQ79731Monitoraggio tensioni, corrente e potenze batterie con TI BQ79731

Questo livello di sincronizzazione rende possibile la spettroscopia di impedenza elettrochimica, che offre informazioni fondamentali sulla temperatura del nucleo della batteria, nonché sull'invecchiamento e sullo stato di carica della batteria stessa.

Fiere e Seminari

Logo FocusonPCB

FocusonPCB - Vicenza, 13-14 maggio 2026

"Focus on PCB – From Design to Assembly” torna a Vicenza il 13 e 14 maggio 2026 confermandosi come l’evento di riferimento in Europa per l’industria dei circuiti stampati e per…

Oscilloscopio MXO 3

Focus on PCB - 13-14 maggio, Fiera di Vicenza