www.strumentazioneelettronica.it

resultsUrl="https://www.strumentazioneelettronica.it/risultati-ricerca/"

Analisi bus CAN FD con oscilloscopio Rohde & SchwarzIl bus CAN FD (Flexible Data-rate) è l'evoluzione tecnologica del più diffuso bus seriale utilizzato in ambito automobilistico e risponde alle esigenze di maggiore capacità di trasmissione dati richiesta dalle più moderne centraline elettroniche che si interfacciano con la miriade di dispositivi elettronici che popolano l'abitacolo e il vano motore.

I moderni oscilloscopi digitali possono aiutare a cercare guasti o certificare il corretto funzionamento di questo standard di nuova generazione installando le opportune opzioni software. Vediamo alcuni esempi di cosa offre il mercato.

Funzionamento del bus CAN FD

L'originario bus CAN fu sviluppato dal centro ricerche Bosch negli anni '80 e successivamente è stato potenziato, sia per affrontare applicazioni che richiedevano una maggiore capacità di trasmissione dati, sia per soddisfare le esigenze di altre applicazioni, in particolare nel settore dell'automazione industriale.

La più recente evoluzione è il bus CAN FD, che permette di aumentare la velocità di trasmissione dai circa 1 Mbit/s previsti dalla standard CAN 2.0 fino a circa 10 Mbit/s.

Principio funzionamento CAN FDPer aumentare la velocità di un ordine di grandezza senza sacrificare la compatibilità con il passato il trucco è quello di consentire, durante la fase di scambio dati che segue quella di negoziazione, una frequenza di simbolo più elevata.

Così facendo, senza allungare il periodo complessivo che caratterizza le trame CAN, si riescono a trasmettere molto di più dati. Inoltre, è stato prevista la possibilità di trasmettere nel campo dati fino a 64 byte anziché 8.

 Decodifica e trigger con l'oscilloscopio

La modifica dinamica al ritmo di trasmissione durante la trama CAN FD rende ancora più scomodo decodificare 'a vista' con l'oscilloscopio il contenuto informativo trasportato dal bus e il rispetto dei requisiti temporali e del formato del protocollo previsti dagli standard.

La risposta dei principali fornitori di oscilloscopi digitali non si è fatta attendere e oggi sono disponibili sul mercato diverse soluzioni che permettono di vedere in chiaro sullo schermo dell'oscilloscopio, oltre che la forma d'onda grezza, anche la rappresentazione simbolica del protocollo sotto forma di listato o di codici esadecimali e informativi sovrapposti alla forma d'onda.

Ancora più importante, le opzioni dedicate al bus CAN FD per gli oscilloscopi consentono di impostare il trigger su particolare eventi, quali un determinato Frame ID oppure sulle trame che contengono errori.

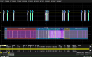
Ad esempio, l'opzione R&S RTx-K9, disponibile per gli oscilloscopi serie RTE e RTO di Rohde & Schwarz, sfrutta l'hardware interno dello strumento rendendo particolarmente veloce sia la decodifica, sia la reazione al trigger, aiutando a ridurre il tempo necessario a identificare anche le anomalie rare che si verificano sul bus.

E' possibile impostare il trigger sull'inizio e la fine dei telegrammi trasmessi sul bus, così come su particolari valori dei dati, che vengono poi riportati con un codice colorato insieme alla forma d'onda acquisita o in una tabella, che possono essere esplorati a piacere con le funzioni di ricerca sulla forma d'onda.

Segnale CAN FD su oscilloscopio Teledyne LeCroyLa soluzione per il trigger e la decodifica del bus CAN FD proposta da Teledyne LeCroy (CAN FD TDM) per i suoi oscilloscopi abbina anche le funzioni di misura e rappresentazione grafica che permettono di correlare il comportamento del segnale fisico con l'informazione di protocollo e di misurare contemporaneamente la prestazioni del bus riportando i risultati sotto forma di grafici.

Ad esempio, con l'opzione CAN FD TDM si può misurare l'intervallo che intercorre tra due trame CAN e CAN FD o tra la trasmissione di un messaggio e un segnale analogico. Dalle misure è poi anche possibile estrarre le informazioni necessarie a ricreare le corrispondenti forme d'onda analogiche.

Il trigger può essere impostato su specifici Frame ID, contenuto del pacchetto o condizioni di errore, con riproduzione a codice a colori sulla forma d'onda che corrispondono alle diverse sezioni della trama.

Inoltre, le misure sulle singole trame vengono accumulate per ottenere una determinazione statistica accurata dal tasso di errore o di occorrenza di particolari eventi.

 Analisi segnale CAN FD su oscilloscopio KesyightLe opzioni DSOXT3AUTODSOX4AUTO proposte da Keysight rispettivamente per i suoi oscilloscopi 3000T Serie X e 4000 Serie X consentono di decodificare e impostare il trigger su tutti i principali bus automobilistici, tra cui CAN FD.

Grazie all'hardware interno dedicato a trigger e decodifica, l'attivazione dell'opzione non genere alcun rallentamento alle altre funzioni di misura dell'oscilloscopio e consente di lavorare sempre alla massima velocità di aggiornamento delle forme d'onda prevista dello strumento.

Un'altra particolarità offerta dal sistema di decodifica e trigger per bus automobiolistici di Keysight è la capacità di acquisire più bus contemporaneamente e compilare un listato ordinato temporalmente che mostra gli eventi su due bus, una funzionalità particolarmente utile ad esempio nelle verifiche dei vari gateway che interconnettono i molteplici bus che convivono all'interno dei moderni veicoli.

Adattatore e sonda per bus CAN FDPer facilitare il collegamento del bus CAN o CAN FD alle sonde e all'oscilloscopio, Kesyight propone inoltre l'adattatore per il connettore DB9, che si connette a una sonda differenziale di opportuna larghezza di banda, come ad esempio il modello N2818A da 200 MHz consigliato dalla stessa Kesyight.

Fiere e Seminari

Logo FocusonPCB

FocusonPCB - Vicenza, 13-14 maggio 2026

"Focus on PCB – From Design to Assembly” torna a Vicenza il 13 e 14 maggio 2026 confermandosi come l’evento di riferimento in Europa per l’industria dei circuiti stampati e per…

Oscilloscopio MXO 3

Focus on PCB - 13-14 maggio, Fiera di Vicenza