Gli oscilloscopi digitali e per segnali misti di nuova generazione Tektronix Serie 5 si arricchiscono di alcuni pacchetti software che ne ampliano le funzionalità.
La multinazionale americana ha presentato alcuni pacchetti software dedicati all'analisi di bus e reti tipicamente utilizzati in ambito automobilistico, un pacchetto analogo per i bus utilizzati in ambito aeronautico e una soluzione software dedicata alle misure su componenti e sistemi di potenza.
Tutti i nuovi pacchetti software di Tektronix sono stati sfruttati per sfruttare al meglio l'interfaccia utente multitouch disponibile negli oscilloscopi Serie 5 rendendone l'utilizzo molto intuitivo e coerente con i gesti tipicamente utilizzati in smartphone e tablet.
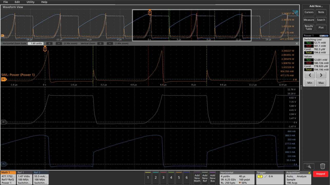
Il nuovo pacchetto software 5-PWR dedicato alle misure e analisi dei sistemi elettronici di potenza di potenza beneficia della risoluzione a 12 bit offerta dagli oscilloscopi Serie 5 e dà la possibilità di calcolare e valutare in modo semplice e accurato il comportamento di circuiti di potenza in termini di contenuto armonico, perdite di commutazione, area di funzionamento sicuro (SOA) e altri parametri tipici dei convertitori di potenza.
Grazie alle sonde isolate IsoVu, è possibile inoltre effettuare molte misure automatiche multicanale in totale sicurezza, anche in presenza di tensioni e corrente elevate.
L'opzione software 5-SRAERO dà la possibilità di effettuare la decodifica ed impostare facilmente il trigger in base alle informazioni trasportate sui bus seriali tipicamente utilizzati nel settore aerospaziale, tra cui MIL-STD-1553 e ARINC 429.
Il rinnovato pacchetto software 5-SRAUTO permette invece di visualizzare in chiaro e impostare facilmente condizioni di trigger sui bus tipici del settore automobilistico, come CAN, CAN FD, LIN e FlexRay.
Sempre al settore automobilistico è orientato il nuovo pacchetto software 5-CMAUTOEN, che permette di analizzare e caratterizzare i bus Automotive Ethernet conformi alle specifiche IEEE P802.3bw (100BASE-T1) e BroadR-Reach V3.2.