www.strumentazioneelettronica.it

resultsUrl="https://www.strumentazioneelettronica.it/risultati-ricerca/"

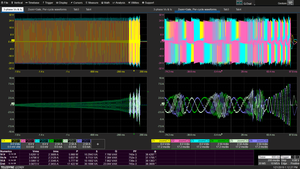
Pacchetto software 3-Phase Power AnalysisTeledyne LeCroy ha realizzato un pacchetto software per i sui oscilloscopi che aiuta a comprendere a fondo il comportamento reale dei sistemi elettronici destinati alla conversione di potenza.

Denominato 3-Phase Power Analysis, il pacchetto software mette a disposizione funzioni pronte all'uso per l'analisi della potenza statica e dinamica, monofase e trifase con gli oscilloscopi a 12 bit ad alta definizione HDO8000A, HDO6000A e WavePro HD.

Utilizzando il nuovo pacchetto software, diventa più semplice e rapido utilizzare gli oscilloscopi a 12 bit di Teledyne LeCroy per comprendere meglio i complessi sistemi di conversione di potenza e i relativi circuiti di controllo elettronico, accellerando i processi di miglioramento nella progettazione degli stessi.

Il mercato della conversione di potenza è in rapida crescita abbraccia un sempre maggior numero di applicazioni, che per essere ottimizzate richiedono complesse analisi dinamiche della potenza, anche su intervalli di tempo molto brevi, fino al singolo ciclo di commutazione del dispositivo di potenza.

Gli strumenti di misura convenzionali non riescono a eseguire facilmente analisi della potenza dinamica e si limitano ad analisi di lungo periodo sui circuiti di potenza potenza (ad esempio da 5 Hz a 500 Hz).

Utilizzando il pacchetto software 3-Phase Power Analysis di Teledyne LeCroy diventa molto più pratico effettuare valutazioni più approfondite dei sistemi di conversione di potenza, ricavando informazioni molto dettagliate sui complessi comportamenti dei sistemi dinamici in applicazioni quali alimentatori DC-DC, veicoli ibridi/elettrici, inverter solari fotovoltaici e di rete, apparecchiature di saldatura, gruppi di continuità e sistemi di condizionamento e ventilazione.

Analisi dettagliate su circuiti di potenzaLe principali funzioni messe a disposizione dal pacchetto software 3-Phase Power Analysis comprendono:

  • Tabella di misurazione numerica per visualizzare il valore medio dei comportamenti "statici" della potenza
  • Forme d'onda per ciclo di potenza "dinamica", che consentono di correlare i comportamenti complessi del sistema di conversione di potenza ad altre forme d'onda del sistema di controllo o di potenza, per il debug dei problemi del sistema di azionamento di motori elettrici
  • Modalità Zoom+Gate per la comprensione immediatamente, grazie alle informazioni correlate nel tempo, dei comportamenti dinamici della sezione di potenza dipendenti dal comportamento del sistema di controllo
  • Calcoli dell'ordine armonico con display tabulare e spettrale con misura di distorsione armonica THD (disponibile nel pacchetto software Harmonics, opzionale)
  • Supporto del metodo a doppio wattmetro, per effettuare misure accurate di potenza trifase utilizzando solo due segnali di tensione e due segnali di corrente

Fiere e Seminari

Logo FocusonPCB

FocusonPCB - Vicenza, 13-14 maggio 2026

"Focus on PCB – From Design to Assembly” torna a Vicenza il 13 e 14 maggio 2026 confermandosi come l’evento di riferimento in Europa per l’industria dei circuiti stampati e per…

Oscilloscopio MXO 3

Focus on PCB - 13-14 maggio, Fiera di Vicenza