www.strumentazioneelettronica.it

resultsUrl="https://www.strumentazioneelettronica.it/risultati-ricerca/"

Oscilloscopio Rohde & Schwarz RTO da 600MHzA un anno di distanza dalla presentazione degli oscilloscopi RTO, Rohde & Schwarz amplia la gamma proponendo un nuovo modello con larghezza di banda di 600 MHz e l'opzione per trasformare gli strumenti in oscillocopi per segnali misti (MSO) con l'aggiunta di 16 canali digitali.

Pronte anche nuove sonde attive differenziali, una sonda passiva ad alta tensione e la decodifica per il bus seriale FlexRay.

I nuovi modelli RTO1062 (2 canali) e RTO1064 (4 canali) sono del tutto analoghi a quelli disponibili dallo scorso anno con la sola differenza della larghezza di banda, in questo caso di 600 MHz e del prezzo, ovviamente inferiore.

Opzione MSO

16 canali digitali a 400 MHzLa novità più significativa è la disponibilità dell'opzione per aggiungere 16 canali digitali con frequenza di ingresso fino a 400 MHz, che permette di eseguire misure correlate con gli ingressi analogici già presenti nell'oscilloscopio.

I canali digitali hanno una frequenza di campionamento molto elevata, 5 Gs/s, supportata da una memoria di acquisizione di 200 Ms, il che permette di raggiungere risoluzioni temporali di 200 ps.

Fisicamente l'opzione MSO è costituita da una piccola scheda hardware che si inserisce nel retro dell'oscilloscopio alla quale sono attestate le due sonde da 8 canali digitali ciascuna. L'attivazione dell'acquisizione consente comunque allo strumento di raggiungere una velocità di trattamento delle informazioni di 200.000 forme d'onda al secondo.

Sonde differenziali e ad alta tensione

Sonda attiva differenziale per oscilloscopio RTOLe nuove sonde differenziali di Rohde & Schwarz da 2 e 3 GHz sono del tipo a basso rumore (tipico 3 mV) a bassa capacità (0,6 pF) con impedenza di 1 MΩ.

La loro elevata dinamica (± 5 V) e la particolare stabilità sull'intera gamma di temperatura, anche alle frequenze elevate, permette di eseguire facilmente misure accurate su qualunque segnale non riferito a massa.

Come anche le altre sonde proposte da Rohde & Schwarz per i suoi oscilloscopi, anche le nuove sonde differenziali RT-ZD20/30 sono dotate di un piccolo tastino che può essere configurato per avviare azioni sullo strumento (start/stop, salvataggi e altro) senza dover staccare le mani dal circuito durante la misura, nonché della funzione ProbeMeter, che visualizza la tensione DC differenziale o di modo comune indipendentemente dalla altre impostazioni dell'oscilloscopio.

Per chi deve affrontare misure ad alta tensione, per esempio in circuiti di potenza su alimentatori e inverter, Rohde & Schwarz ha realizzato le sonde passive RT-ZH10/11, che consentono di misurare segnali fino a 1 kV.

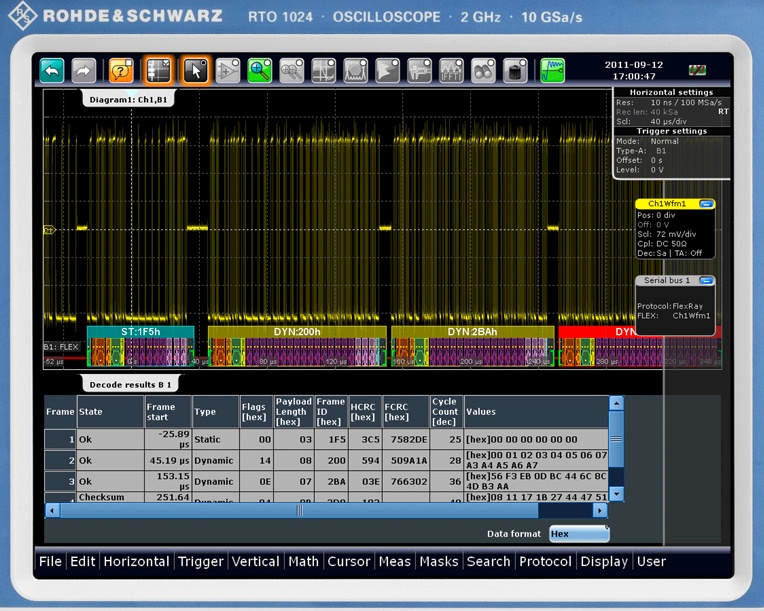
Trigger e decodifica FlexRay

Trigger e decodifica FlexRayParticolarmente diffuso nelle applicazioni automobilistiche, il bus FlexRay ha un protocollo di comunicazione di non immediata comprensione a livello di forma d'onda fisica.

Per facilitarne l'utilizzo con l'oscilloscopio, Rohde & Schwarz ha realizzato l'opzione RTO-K4, che permette di definire il trigger su particolari azioni e stati a livello di protocollo FlexRay, e di effettuarne in chiaro la decodifica in tempo reale.

Fiere e Seminari

Logo FocusonPCB

FocusonPCB - Vicenza, 13-14 maggio 2026

"Focus on PCB – From Design to Assembly” torna a Vicenza il 13 e 14 maggio 2026 confermandosi come l’evento di riferimento in Europa per l’industria dei circuiti stampati e per…

Oscilloscopio MXO 3

Focus on PCB - 13-14 maggio, Fiera di Vicenza