www.strumentazioneelettronica.it

resultsUrl="https://www.strumentazioneelettronica.it/risultati-ricerca/"

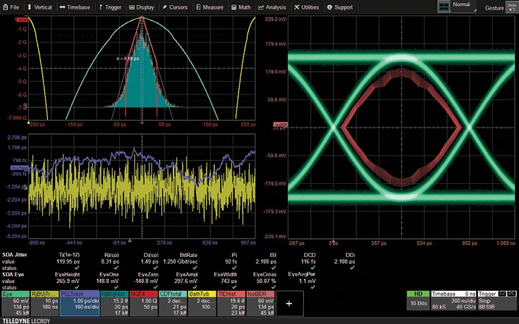
Oscilloscopio Teledyne LeCroy HDO9000Teledyne LeCroy ha ampliato ulteriormente la sua gamma di oscilloscopi ad alta definizione introducendo i modelli della serie HDO9000, che offrono una larghezza di banda massima sino a 4 GHz.

Basati sulla tecnologia di acquisizione HD1024, offrono una risoluzione verticale di 10 bit, che consente di osservare i segnali con maggiore dettaglio rispetto agli oscilloscopi digitali classici con stadio di acquisizione a 8 bit.

L'interfaccia utente della nuova gamma di oscilloscopi HDO9000 di Teledyne LeCroy è basata sulla tecnologia di nuove generazione MAUI, un sistema che permette di interagire in modo molto naturale con lo schermo touch capacitivo, che in questa serie di strumenti ha una dimensione di bene 15.4"

Analisi del jitterLa gamma di oscilloscopi HDO9000 comprende vari modelli a 4 canali con larghezza di banda massima di 1, 2, 3 o 4 GHz e una frequenza di campionamento massima di 40 GS/s, a cui nelle versioni MSO possono essere affiancati 16 canali digitali.

Anche per questa famiglia di strumenti sono disponibili tutti i pacchetti software sviluppati da Teledyne LeCroy per facilitare le principali attività di debug e caratterizzazione dei segnali secondo i più diffusi standard.

Fiere e Seminari

Logo FocusonPCB

FocusonPCB - Vicenza, 13-14 maggio 2026

"Focus on PCB – From Design to Assembly” torna a Vicenza il 13 e 14 maggio 2026 confermandosi come l’evento di riferimento in Europa per l’industria dei circuiti stampati e per…

Oscilloscopio MXO 3

Focus on PCB - 13-14 maggio, Fiera di Vicenza