www.strumentazioneelettronica.it

resultsUrl="https://www.strumentazioneelettronica.it/risultati-ricerca/"

Oscilloscopio Teledyne LeCroy Waverunner 9000Teledyne LeCroy ha presentato i nuovi oscilloscopi a canali misti della serie WaveRunner 9000, dotati di un ampio schermo da 15,4", larghezze di banda da 500 MHz a 4 GHz e frequenze di campionamento fino a 40 GS/s.

La serie WaveRunner 9000 offre una vastissima gamma di funzionalità di misura specialistiche e un insieme molto completo di soluzioni per la verifica e validazione di segnali di dati seriali.

Questa famiglia di oscilloscopi risulta pertanto particolarmente adatta per affrontare attività di sviluppo, validazione e collaudo di progetti elettronici embedded, oltre che per il mercato automotive e le misure sulla compatibilità e le interferenze elettromagnetiche.

Oscilloscopio e sonde Teledyne LeCroy Waverunner 9000Gli oscilloscopi WaveRunner 9000 di Teledyne LeCroy offrono un ampio display e un potente insieme di soluzioni applicative, che sfruttano l'elevata larghezza di banda e la risoluzione verticale fino a 11 bit dello offerta dallo stadio di acqusizione di questi strumenti dal prezzo accessibile.

I diversi modelli, con 4 canali di ingresso analogici e 16 canali di ingresso digitali opzionali, supportano larghezza di banda fino a 500 MHz, 1 GHz, 2,5 GHz e 4 GHz, con una frequenza di campionamento massima che può arrivare fino a 40 Gs/s. 

Tutte le funzioni di misura e analisi dei segnali disponibili per gli oscilloscopi WaveRunner 9000 sono sintetizzate nella ben nota Tavola Periodica delle Funzioni degli Oscilloscopi supportata dalla maggior parte degli strumenti Teledyne LeCroy

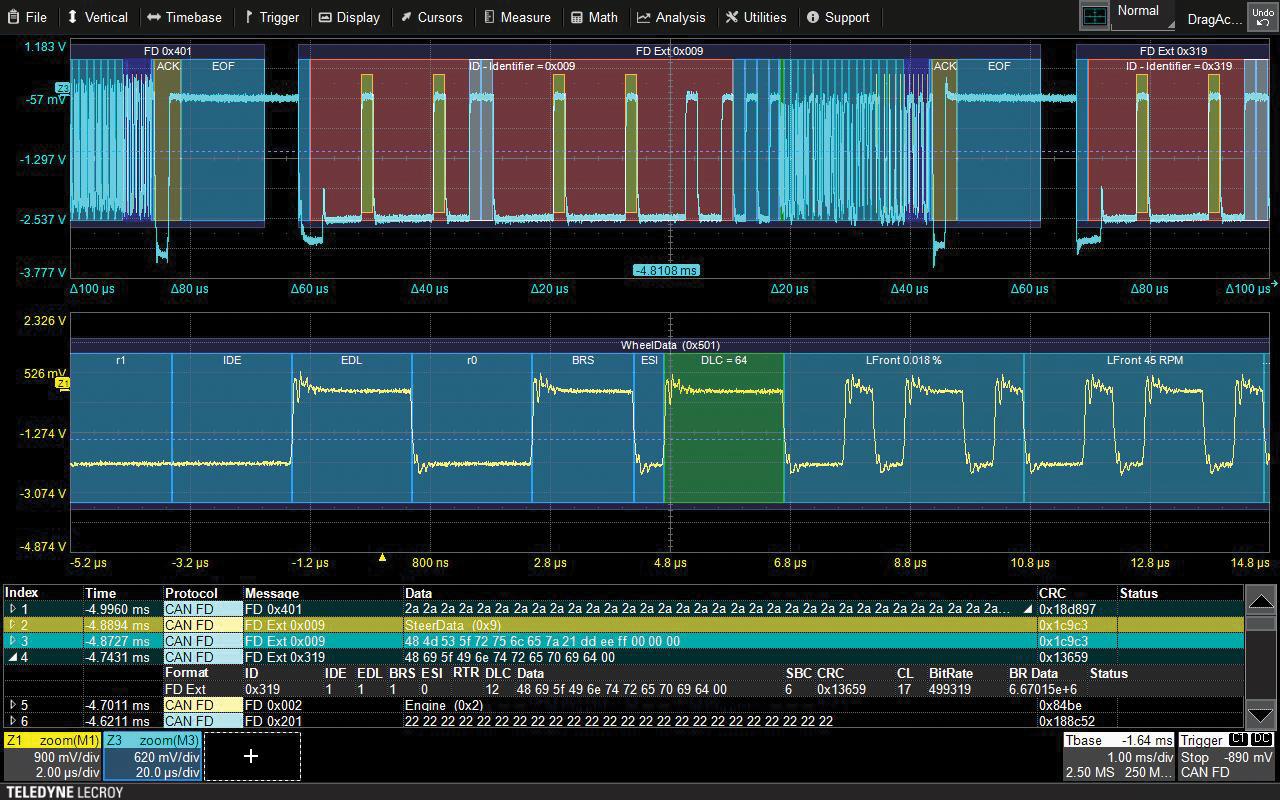
L'ampia selezione di pacchetti di trigger e decodifica dei dati seriali (TD) permette di impostare il trigger sui segnali seriali in modo sofisticato e flessibile, abbinandolo ad un'intuitiva decodifica in chiaro colori sovrapposta alle forme d'onda.

Trigger e decodifica bus seriali automobilisticiInoltre, i pacchetti TDME (Trigger, Decode, Measure and Eye) conseno l'estrazione dei dati decodificati e dei relativi diagrammi ad occhio della forma d'onda, l'esecuzione di misure di temporizzazione del bus e la creazione di diagrammi ad occhio per effettuare i test su maschere standard o personalizzate.

La gamma di funzionalità avanzate disponibili comprende anche molte soluzioni per le applicazioni automobilistiche, coprendo tutti gli aspetti della validazione e verifica per standard Automotive Ethernet, compresi i test di conformità 1000Base-T1 e 100Base-T1.

Gli oscilloscopi WaveRunner 9000 hanno la capacità di fornire una migliore risoluzione veriticale riducendo la larghezza di banda mediante il filtraggio, e ogni canale può essere filtrato indipendentemente. Il risultato filtrato mostra un miglioramento del numero di bit effettivi a una data larghezza di banda.

Per affrontare le applicazioni di compatibilità EMC/EMI, gli oscilliscopi WaveRunner 9000 aiutano a caratterizzare accuratamente i segnali di test EMC con una frequenza di campionamento di 40 GS/s con una precisione dell'1%.

La modalità di analisi spettrale del WaveRunner 9000 permette di individuare picchi armonici elevati su un'ampia banda di segnali interferenti, utilizzando una tabella interattiva che sintetizza la posizione di picchi e marker. Inoltre, un pacchetto dedicato per la misurazione dei parametri di misura degli impulsi EMC consente all'utente di adattare le misure a specifici standard EMC/ESD.

Fiere e Seminari

Logo FocusonPCB

FocusonPCB - Vicenza, 13-14 maggio 2026

"Focus on PCB – From Design to Assembly” torna a Vicenza il 13 e 14 maggio 2026 confermandosi come l’evento di riferimento in Europa per l’industria dei circuiti stampati e per…

Oscilloscopio MXO 3

Focus on PCB - 13-14 maggio, Fiera di Vicenza