www.strumentazioneelettronica.it

resultsUrl="https://www.strumentazioneelettronica.it/risultati-ricerca/"

Oscilloscopio Teledyne LeCroy WaveRunner 9000Gli oscilloscopi a canali misti della serie WaveRunner 9000 di Teledyne LeCroy hanno un ampio schermo da 15,4", larghezze di banda da 500 MHz a 4 GHz e frequenze di campionamento fino a 40 GS/s.

La serie di strumenti WaveRunner 9000 offre la più ampia gamma di funzionalità del settore e l’insieme più completo di soluzioni per la verifica e validazione di segnali di dati seriali, rendendolo ideale per applicazioni di test di sistemi elettronici embedded, elettronica per applicazioni automotive e ricerca delle interferenze EMC/EMI.

La diffusione di sistemi informatici integrati e di microprocessori ad alta velocità spinge l'industria a richiedere oscilloscopi a canali misti, con ampia larghezza di banda e potenti funzioni per la verifica e validazione. Tuttavia, i capitoli di spesa per le apparecchiature non hanno tenuto il passo con l'aumento della velocità e della complessità dei microprocessori. Ciò ha costretto progettisti e manager a sacrificare alcune capacità delle loro apparecchiature di prova,

Gli oscilloscopi WaveRunner 9000 di Teledyne LeCroy offrono tutte le funzionalità necessarie - ampio display, potente insieme di soluzioni applicative, ampia gamma di larghezze di banda e risoluzione verticale fino a 11 bit - ad un prezzo accessibile

La serie WaveRunner 9000 offre la più estesa gamma di funzionalità del settore, con un ampio schermo da 15,4" a un prezzo che non richiede ai progettisti di sacrificare caratteristiche o prestazioni", ha dichiarato Tyler Cox, VP e direttore generale responsabile degli oscilloscopi di Teledyne LeCroy. "La vasta gamma di funzioni disponibili per il test sui dati seriali rende questi nuovi oscilloscopi perfetti effettuare prove in ambito Embedded/Automotive. Inoltre, la frequenza di campionamento di 40 GS/s è ideale per condurre analisi dettagliate sulle problematiche di inteferenza EMI/EMC".

Informazioni sul WaveRunner 9000

La famiglia di oscilloscopi WaveRunner 9000 offre una vasta gamma di strumenti di test, verifica e validazione, che lo rendono particolarmente adatto per il collaudo completo di sistemi informatici integrati. La più ampia selezione di pacchetti di trigger e decodifica dati seriali (TD) permette di utilizzare un trigger seriale potente e flessibile, unito ad un'intuitiva decodifica a colori sovrapposta.

Inoltre, i pacchetti TDME (Trigger, Decode, Measure and Eye diagram) completano i pacchetti TD, consentendo l'estrazione dei dati decodificati e dei successivi diagrammi della forma d'onda, l'esecuzione di misure di temporizzazione del bus e la creazione di diagrammi ad occhio per i test su maschere standard o personalizzate.

Questo set di strumenti fornisce un'analisi causale esaustiva non solo per i sistemi integrati, ma anche per le applicazioni automobilistiche, coprendo tutti gli aspetti della validazione e verifica per standard Automotive Ethernet, compresi i test di conformità 1000Base-T1 e 100Base-T1.

Gli oscilloscopi WaveRunner 9000 hanno la capacità di fornire una migliore risoluzione veriticale, riducendo la larghezza di banda mediante il filtraggio, e ogni canale può essere filtrato indipendentemente. Il risultato filtrato mostra il miglioramento del numero di bit effettivi a una data larghezza di banda.

Per le applicazioni di compatibilità EMC/EMI, WaveRunner 9000 caratterizza accuratamente i segnali di test EMC con una frequenza di campionamento di 40 GS/s con una precisione dell'1%. La modalità di analisi spettrale del WaveRunner 9000 permette di individuare picchi armonici elevati su un'ampia banda EMC, utilizzando una tabella interattiva di picchi e marker. Inoltre, un pacchetto dedicato per la misurazione dei parametri degli impulsi EMC consente all'utente di adattare le misure a specifici standard EMC/ESD.

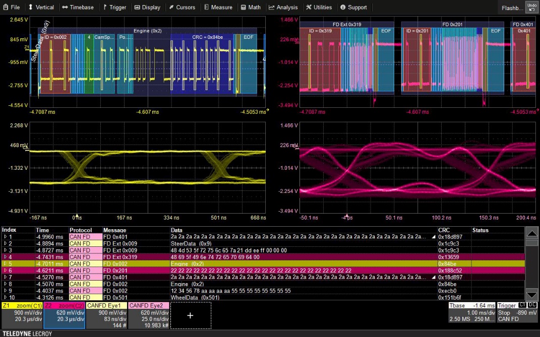
Decodifica bus seriali con oscilloscopio Teledyne LeCroy WaveRunner 9000Isolare gli eventi utilizzando il trigger del bus seriale e visualizzare le informazioni del protocollo codificato a colori sulle forme d'onda analogiche o digitali. Le misure di temporizzazione e del bus consentono una rapida e semplice caratterizzazione di un sistema di dati seriali. I dati seriali (digitali) possono essere estratti e grafici per monitorare le prestazioni del sistema nel tempo. Identificare le anomalie dello strato fisico con il test della maschera con diagramma oculare e il localizzatore dei guasti della maschera.

Eccezionali capacità di analisi su dati seriali

Teledyne LeCroy offre una vasta gamma di pacchetti software opzionali per dotare l'oscillosopio WaveRunner 9000 di funzionalità per tutte le esigenze di test sui dati seriali, che vanno dai pacchetti automatici per la verifica di conformità agli standard, a specifiche capacità di debug. Un insieme di pacchetti di misura e di analisi dell’occhio su specifici protocolli fornisce una capacità di analisi delle diverse anomalie sui dati seriali, senza precedenti.

Questi unici pacchetti sono a completamento delle più potenti funzioni di trigger e decodifica che rendono possibile l’estrazione dei dati decodificati e dell’andamento nel tempo, le misure di temporizzazione del bus e l’analisi dei diagrammi dell’occhio con maschere riferite a specifici standard o personalizzate.

I modelli “-MS” offrono 16 canali digitali che possono essere usati per condizioni di Trigger, decodifiche, misurazioni di irregolarità sul tempo o per la verifica della progettazione digitale. Ciò consente di riservare i canali analogici all’analisi dei problemi del livello fisico.

Guarda un breve video sull'analisisi dei bus seriali

Oscilloscopi WaveRunner 9000

Incredibilmente Potente

La dotazione standard di funzioni matematiche, di misurazioni, di analisi per il debug e di reportistica rendono queste soluzioni ineguagliabili. Pacchetti per specifiche applicazioni rendono possibile verifiche ottimizzate per i comuni scenari di progettazione e validazione.

Le funzioni opzionali includono filtri digitali, analisi spettrale, analisi di potenza per dispositivi switching, e molto ancora. Le funzioni avanzate di “operazioni Custom” consentono la realizzazione di parametri di misura e funzioni matematiche definite dall’utente per una capacità di analisi senza limiti. La piattaforma WaveRunner 9000 offre la più vasta gamma di strumenti di analisi, assicurando una rapida risoluzione delle attività più complicate di debug.

La tavola periodica degli strumenti dell'oscilloscopioTavola periodica degli strumenti dell'oscilloscopio: Gli oscilloscopi WaveRunner 9000 hanno la massima ampiezza e profondità di strumenti, garantendo una rapida risoluzione delle operazioni di debug più complesse. La tavola periodica degli strumenti per oscilloscopi fornisce un quadro di riferimento per comprendere i set di strumenti che Teledyne LeCroy ha creato e distribuito nei suoi oscilloscopi.

Scopri la Tavola Periodica delle Funzioni degli Oscilloscopi

Incredibilmente Facile

Teledyne LeCroy MAUILa piattaforma WaveRunner 9000 con l'interfaccia utente grafica MAUI e OneTouch prosegue la lunga tradizione di Teledyne LeCroy nella innovazione dell’interfaccia utente degli strumenti di misura. MAUI con OneTouch ottimizza convenienza ed efficienza, rendendo disponibili tutte le operazioni più comuni ad un solo tocco dello schermo.

MAUI con OneTouch offre capacità rivoluzionarie di Drag-And-Drop per copiare, impostare i canali, le funzioni matematiche ed i parametri di misura, senza sollevare il dito.

Gesti comuni come trascinare, toccare, evidenziare facilitano l’interazione con l’oscilloscopio in maniera intuitiva. Il pulsante “Add New” permette di abilitare velocemente un nuovo canale, una funzione matematica o una misura, mentre le tracce e i parametri possono essere spenti con un semplice movimento di un dito. MAUI con OneTouch fornisce un ineguagliabile set di operazioni Touchscreen che semplifica le operazioni di impostazione e porta ad un livello insuperabile di efficenza e di intuitività l’uso dell’oscilloscopio.

Scopri il funzionamento dell'interfaccia utente MAUI con OneTouch

Fiere e Seminari

Logo FocusonPCB

FocusonPCB - Vicenza, 13-14 maggio 2026

"Focus on PCB – From Design to Assembly” torna a Vicenza il 13 e 14 maggio 2026 confermandosi come l’evento di riferimento in Europa per l’industria dei circuiti stampati e per…

Oscilloscopio MXO 3

Focus on PCB - 13-14 maggio, Fiera di Vicenza