www.strumentazioneelettronica.it

resultsUrl="https://www.strumentazioneelettronica.it/risultati-ricerca/"

Oscilloscopio Teledyne LeCroy WaveRunner 8000Teledyne LeCroy ha presentato sua nuova serie di oscilloscopi digitali WaveRunner 8000, una famiglia di strumenti che comprende modello con larghezza di banda compresa tra 500 MHz e 4 GHz.

Gli oscilloscopi WaveRunner 8000 sono strumenti pensati per affrontare svariate attività di analisi dei segnali e debug di sistemi elettronici tramite un'interfaccia utente molto pratica che sfrutta l'ampio display touch da 12,1" in formato 16:9.

La piattaforma WaveRunner 8000 segna il debutto dell’interfaccia utente avanzata MAUI di nuova generazione, evoluzione di quella già disponibile in precedenza ad esempio negli oscilloscopi WaveSurfer 3000. L’aggiunta della funzionalità OneTouch al sistema MAUI rende l’impostazione della misura ancora più semplice, facilitando l’analisi di complesse anomalie sui segnali in tempi estremamente rapidi.

Le funzioni di analisi dei segnali disponibili in questa famiglia di strumenti sono particolarmente ricche, e comprendono ad esempio filtri digitali, analisi spettrale, analisi di potenza su transistor per alimentatori a commutazione e azionamenti di motori e molto altro ancora.

MAUI e OneTouch

Interfaccia MAUI OneTouchL'evoluzione dell'interfaccia utente MAUI con OneTouch ottimizza convenienza ed efficienza, rendendo disponibili tutte le operazioni più comuni ad un solo tocco dello schermo. L'interfaccia MAUI con OneTouch mette a disposizione comandi attivabili con un solo dito per copiare, impostare i canali, le funzioni matematiche ed i parametri di misura. Gesti comuni come trascinare, toccare, evidenziare facilitano l’interazione con l’oscilloscopio in maniera intuitiva.

Il pulsante “Add New” permette di abilitare velocemente un nuovo canale, una funzione matematica o una misura, mentre le tracce e i parametri possono essere spenti con un semplice movimento di un dito.

Analisi su dati seriali

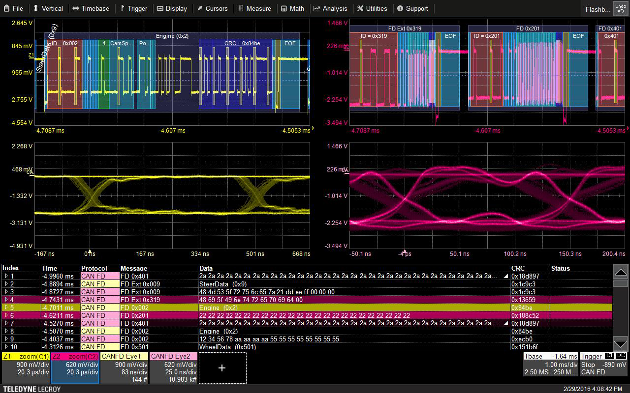
Teledyne LeCroy offre per la famiglia di oscilloscopi WaveRunner 8000 una vasta gamma di pacchetti software opzionali per potenziare le funzionalità di misura e verifica della conformità sui segnali dei bus seriali tramite diagrammi ad occhio e procedure di misura automatiche.

Analisi e decodifica di segnali serialiI pacchetti dedicati ai segnali seriali si affiancano alle potenti funzioni di trigger e decodifica che rendono possibile l’estrazione dei dati decodificati e dell’andamento nel tempo, le misure di temporizzazione del bus e l’analisi dei diagrammi dell’occhio con maschere riferite a specifici standard o personalizzate.

Le versioni degli oscilloscopi a segnali misti (modelli “-MS”= offrono anche 16 canali di misura digitali con campionamento a fino a 1,25 Gs/s che possono essere usati per condizioni di trigger, decodifiche, misurazioni di irregolarità sul tempo o per la verifica nella progettazione digitale, lasciano liberi i canali di ingresso analogici dell'oscilloscopio per l’analisi dei problemi del livello fisico.

Campionamento e tanta memoria

I Modelli “M” della famiglia WaveRunner 8000 offrono una frequenza di campionamento massima di 40 GS/s, che garantisce una ricostruzione molto fedele anche dei segnali con fronti molto veloci.

Inoltre, la lunga memoria di acquisizione permette di sfruttare la massima frequenza di campionamento anche con impostazioni di base dei tempi lunghe. La memoria di acquisizione dei modelli “M”, che può arrivare fino a 128 M risulta particolarmente adatta per la verifica del comportamento a lungo termine dei bus seriali veloci.

Fiere e Seminari

Logo FocusonPCB

FocusonPCB - Vicenza, 13-14 maggio 2026

"Focus on PCB – From Design to Assembly” torna a Vicenza il 13 e 14 maggio 2026 confermandosi come l’evento di riferimento in Europa per l’industria dei circuiti stampati e per…

Oscilloscopio MXO 3

Focus on PCB - 13-14 maggio, Fiera di Vicenza