www.strumentazioneelettronica.it

resultsUrl="https://www.strumentazioneelettronica.it/risultati-ricerca/"

Oscilloscopio LeCroy LabMaster 10Zi da 60 GHzGrazie all'utilizzo di una nuova generazione di chip in SiGe, LeCroy ha ulteriormente alzato l'asticella delle massime prestazioni raggiungibili da un oscilloscopio con campionamento in tempo reale: i nuovi chip integrati negli strumenti LabMaster 10 Zi consentono infatti di raggiungere i 36 GHz di banda e 80 Gs/s di frequenza di campionamento.

Sfruttando l'ultima generazione della tecnica di interlacciamento DBI (Digital Bandwith Interleave) brevettata da LeCroy, gli strumenti LabMaster 10 Zi possono accoppiare i circuiti di acquisizione per offire canali funzionanti con larghezza di banda di 60 GHz e frequenze di campionamento di 160 Gs/s.

Inoltre, l'architettura di sincronizzazione ad alta velocità tra vari moduli di acquisizione, che LeCroy chiama ChannelSync, consente di realizzare sistemi multicanale molto veloci con una densità senza precedenti, per esempio fino a ben 10 canali da 60 GHz e 160 Gs/s oppure 20 canali da 36 GHz a 80 Gs/s.

Scheda di acquisizione LeCroy LabMaster 10ZiLa nuova serie di oscilloscopi LabMaster 10 Zi che attualmente rappresenta il top della gamma LeCroy rappresenta l'evoluzione tecnologica della serie di strumenti LabMaster 9 Zi-A presentata lo scorso anno, con la quale rimane compatibile.

Il salto di qualità nella prestazioni della nuova serie LabMaster 10 Zi è la diretta conseguenza dell'adozione di una tecnologia di acquisizione di base più avanzata, che usa i nuovi chip progettati da LeCroy e realizzati con il processo produttivo SiGe 8HP di IBM Microelectronics.

L'elaborazione DBI raddoppia la banda passanteCiò ha permesso a LeCroy di supportare in un singolo modulo di acquisizione 4 canali indipendenti da 36 GHz di banda con campionamento a 80 Gs/s e memoria di analisi di 1024 Mpunti/canale, che possono essere trasformati tramite la tecnologia DBI in 2 canali funzionanti fino a 60 GHz con campionamento a 160 Gs/s.

Le nuove tecnologia utilizzate hanno consentito di migliorare anche altri parametri fondamentali, in primo luogo il jitter, che ora raggiunge l'estremamente basso valore di 100 fsrms di Jitter Noise Floor.

Anche il canale di trigger ha una larghezza di banda notevolmente superiore che in bassato, ben 30 GHz. Inoltre, possibile impostare il jitter su pattern seriali a 14,1 Gb/s con il supporto dei formati NRZ a 80 bit, 8b/10b, 64b/66b e secondo il protocollo PCIe Gen3.

Controllo e acquisizione indipendenti

L’architettura modulare degli oscilloscopi LabMaster separa le funzioni di acquisizione del segnale dalle funzioni di controllo, elaborazione e visualizzazione.

Il Master Control Module di LabMaster (MCM-Zi) contiene le funzioni di visualizzazione, di controllo, l’architettura ChannelSync ed una potente CPU di classe server. I moduli di acquisizione LabMaster 10 Zi, possono essere combinati in numero massimo di cinque per costituire un sistema di misura con il numero di canali e le prestazioni desiderate.

Un modulo di controllo LabMaster 10Zi accoppiato a 2 moduli di acquisizioneAd esempio, un Master Control Module di LabMaster 10 Zi ed un modulo di acquisizione LabMaster 10 Zi funzionano come un singolo oscilloscopio convenzionale a 36 GHz con quattro canali oppure come un oscilloscopio convenzionale a 60 GHz con 2 canali.

Sfruttando la tecnologia di sincronizzazione delle acquisizione ad alta velocità ChannelSync, fino a 5 moduli di acquisizione LabMaster 10 Zi possono essere perfettamente sincronizzati, moltiplicando per cinque la già unica densità di canali a larga banda e consentendo di ottenere fino a 20 canali a 36 GHz oppure 10 canali a 60 GHz di banda passante.

Modelli e opzioni

Nella nuova gamma di strumenti LabMaster 10 Zi, LeCroy offre anche modelli con larghezza di banda analogica di 25 e 30 GHz, ognuno con 80 GS/s di frequenza di campionamento per ogni canale.

E’ inoltre disponibile un modello con 50 GHz di banda passante in modalità DBI e 160 GS/s di frequenza di campionamento su due canali ed anche questo modello ha prestazioni di 36 GHz basate su silicio.

Tutti i modelli di moduli di acquisizione vengono utilizzati con il LabMaster 10 Zi Master Control Module per una facile espandilità del numero totale di canali disponibili e tutti i modelli possono essere in seguito espansi in termini di banda passante fino a 60 GHz.

I clienti che hanno precedentemente investito sui modelli LabMaster 9 Zi-A possono accoppiare i loro moduli di acquisizione con i nuovi modelli LabMaster 10 Zi preservando cosi il valore degli investimenti precedentementi.

La memoria standard è di 20 Mpt/canale (su tutti e quattro i canali, raddoppiata quando i canali e la larghezza di banda sono interallaciate) e sono disponibili opzioni di memoria di 32, 64, 256 e 512 Mpt/canale.

Applicazioni emergenti

Grazie alla grande densità di canali ad altissima velocità e al rumore estremamente basso del circuito di acquisizione, gli oscilloscopi LabMaster 10 Zi di LeCroy consentono di affrontare le più complesse applicazioni dell'elettronica avanzata, delle comunicazioni ottiche e della fisica delle alte energie.

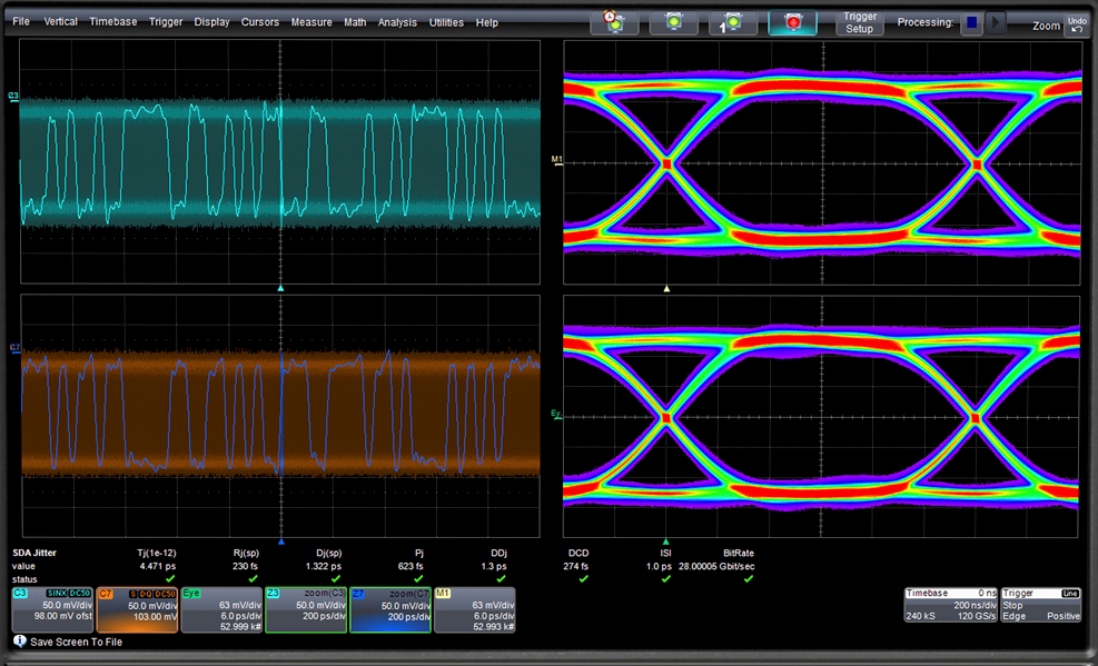
Analisi di segnali seriali ad altissima velocitàAd esempio, la banda analogica di 36 GHz consente di misurare fronti di salita calcolati tra il 20-80% inferiori a 10 ps con un jitter inferiore a 100 fsrms per analizzare fino alla quinta armonica dei segnali trasmessi su bus seriali a 14.4 Gb/s.

I quattro canali alla massima larghezza di banda consentono di trovare e collaudare i problemi di diafonia (crosstalk) fra corsie di dati seriali mulitple oppure tra rete ed una singola linea di dati seriali e offrono la possibilità di acquisire sia il segnali differenziali del clock e dei dati per standard di dati seriali quali il Quick Path Interconnect (QPI).

Nel settore delle telecomunicazioni, il successo delle applicazioni del Cloud Computing e delle applicazioni mobili di nuova generazione stanno portando allo sviluppo di sistemi di trasmissione a lunga distanza con modulazione ottica coerente DP-QPSK a 28 GBaud (112 Gb/s).

L’oscilloscopio LabMaster 10 Zi offre la soluzione per la verifica dei sistemi a 28 Gbaud con la migliore fedeltà di segnale e il più basso rumore ad un costo molto più competitivo rispetto ad altre soluzioni alternative.

Nei laboratori di ricerca si stanno già sperimentando sistemi di modulazione ottica coerente DP-QPSK e 16-QAM, che funzionano con frequenze di cifra di 56 GBaud (224 Gb/s).

L'oscilloscopio LabMaster 10 Zi può essere configurato come un sistema di misura a 2 o 4 canali con 60 GHz di banda passante per consentire l'analisi dei segnali alla massima velocità di simbolo possibile, che si sta avvicinandosi a 125 Gbaud (500 Gb/s) per il sistema di modulazione DP-QPSK oppure ad 1 Tb/s per lo schema di modulazione 16-QAM.

La frequenza di campionamento a 160 GS/s, la più elevata oggi disponibile sarà particolarmente apprezzata nella acquisizione di segnali con modulazione di fase ad alta velocità. Infine, è probabile che gli sviluppi della trasmissione ottica oltre 1 Tb/s utilizzeranno ritmi di trasmissione dati inferiori, ma adotteranno schemi diversi di multiplazione, come ad esempio MIMO oppure OFDM, e richiederanno più dei tipici quattro canali di acquisizione offerti dagli oscilloscopi tradizionali.

La struttura modulare degli oscilloscopi LabMaster 10 Zi, che consente di assemblare molti canali di acquisizione veloci perfettamente sincronizzati, faciliterà lo sviluppo di sistemi avanzati di comunicazione ottica che sarebbero altrimenti non realizzabili.

Fiere e Seminari

Logo FocusonPCB

FocusonPCB - Vicenza, 13-14 maggio 2026

"Focus on PCB – From Design to Assembly” torna a Vicenza il 13 e 14 maggio 2026 confermandosi come l’evento di riferimento in Europa per l’industria dei circuiti stampati e per…

Oscilloscopio MXO 3

Focus on PCB - 13-14 maggio, Fiera di Vicenza