www.strumentazioneelettronica.it

resultsUrl="https://www.strumentazioneelettronica.it/risultati-ricerca/"

Oscilloscopio Teledyne LeCroy WavePro HDGli oscilloscopi ad alta definizione WavePro HD presentati da Teledyne LeCroy utilizzano per la prima volta la tecnologia di conversione analogico/digitale a 12 bit HD4096 abbinata alla banda passante analogica di 8 GHz, garantendo una elevata fedeltà del segnale ed un basso rumore di fondo.

Gli oscilloscopi LeCroy WavePro HD possono acquisire i più piccoli dettagli delle forme d’onda per periodi di tempo molto lunghi, poichè sono dotati di una memoria di acquisizione veloce e facilmente gestibile, che per la prima volta può arrivare fino a 5 Gpt. Un insieme di dotazioni che permette di evidenziare velocemente anche le più nascoste anomalie.

Gli oscilloscopi WavePro HD a 12 bit sono un supporto unico per i progettisti che sviluppano i più piccoli e veloci dispositivi mobili e portatili, a bassa potenza; sistemi di computer integrati ad alta velocità; tecnologie per centri di raccolta dati. Tutte queste applicazioni sono caratterizzate da sensori analogici, da reti per la distribuzione della potenza (PDN) a tensioni molto basse e da CPU ed interfacce per dati seriali ad alta velocità.

Tutto ciò richiede un unico oscilloscopio che possa combinare alta risoluzione, basso rumore, larga banda analogica ed un tempo di acquisizione molto lungo ad elevata frequenza di campionamento, per facilitare le attività di analisi e verifica.

Tutti i modelli di oscilloscopi WavePro HD sono dotati di un ampio display touch screen capacitivo, da 15,6” e 1900 x 1080 pixel. L’interfaccia utente MAUI One Touch permette un utilizzo intuitivo ed efficiente. La serie è composta da quattro modelli con bande analogiche da 2,5 GHz fino a 8 GHz, tutti con frequenza di campionamento fino a 20 GS/s.

La tecnologia HD4096 incontra la banda di 8 GHz

L'innovativo chip cuore dell'oscilloscopio a 12 bitIl cuore del WavePro HD è un nuovo chipset da 8 GHz che comprende uno stadio di ingresso (front-end) a basso rumore ed un ADC da 12 bit. Questo componente, altamente integrato in una architettura di sistema a larga banda e basso rumore, permette per la prima volta di sfruttare tutta la potenzialità della tecnologia ad alta definizione HD4096, in un oscilloscopio da 8 GHz a 12 bit.

Altri costruttori utilizzano ADC da 10 o 12 bit all’interno di una architettura di sistema tradizionale ad 8 bit, oppure utilizzano tecniche di elaborazione del segnale sacrificando la banda analogica all’alta risoluzione. La tecnologia HD4096 dei WavePro HD garantisce la più alta risoluzione ed il rumore più basso, su tutta la banda senza compromessi.

Architettura di prossima generazione per la profondità di memoria

Grazie alla architettura di prossima generazione, utilizzata per la gestione della memoria nei WavePro HD, le aquisizioni su 5 Gpunti sono veloci e reattive. Inoltre l’interfaccia utente MAUI consente di cercare con facilità, di scorrere il segnale e di analizzare in profondità le caratteristiche di interesse delle forme d’onda.

Gli oscilloscopi WavePro HD possono acquisire 250 ms alla massima frequenza di campionamento di 20 GS/s, sempre con risoluzione a 12 bit.

Acquisizione per 250 ms alla massima velocità

La miglior soluzione per l’analisi di sistemi di computer integrati

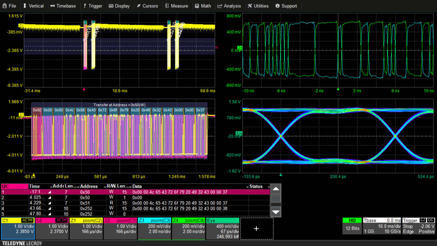
Schermata oscilloscopio Teledyne LeCroy WavePro HDIn un oscilloscopio WavePro HD è possibile combinare i canali analogici ad alta risoluzione, con degli ingressi misti opzionali (MSO), per acquisire segnali da una ampia gamma di sensori analogici, digitali, dati seriali, Power-Rail ed altri.

L’insieme di funzioni di misura ed analisi è potenziato dall’opzione TDME per Trigger, decodifica, misure, grafici e diagramma ad occhio di dati seriali. Pertanto il WavePro HD realizza le acquisizioni più lunghe per l’analisi delle relazioni casuali tra segnali ad alta ed a bassa velocità, inclusi quelli provenienti da reti di distribuzione della Potenza (PDN), da sensori analogici, da attività digitali e da messaggi di dati seriali.

Dotando l’oscilloscopio delle potenti funzioni Teledyne LeCroy, per l’analisi del jitter nei dati seriali ad alta velocità e per la verifica di conformità al protocollo, gli utilizzatori avranno a disposizione un sistema finora inimmaginabile, per l’analisi e verifica dei loro sistemi di computer integrati.

Verifiche di Power Integrity senza rivali

Tecnologia HD4096La larga banda analogica e l’elevata risoluzione verticale di cui sono dotati i WavePro HD, li rendono la soluzione ideale per l’analisi dei comportamenti dei sistemi PDN.

Larga banda significa caratterizzazione accurata di effetti ad alta velocità come rimbalzi di massa, mentre l’elevato range dinamico e la precisione dello 0,5% assicurano una elevata confidenza nelle misurazioni sensibili come la caratterizzazione di Rail-Collapse.

L’eccezionale basso rumore di fondo, unito alla funzione Spectrum Analyzer, aiuta a identificare ed estrarre i piu subdoli agressori delle PDN.

La sonda Power-Rail RP4030 da 4 GHz è un complemento alle eccezionali capacità di analisi della integrità di potenza dei WavePro HD, offre diverse opzioni di connessione ed un puro trasferimento del segnale.

Caratterizzare impulsi ed emissioni in dettaglio

Misure sulla compatibilità elettromagneticaNei laboratori EMC il WavePro HD con 2,5 o 4 GHz di banda analogica, frequenza di campinamento molto elevata ed alta risoluzione, permette una caratterizzazione estrememente accurata degli impulsi. Inoltre, sul banco di misura, i progettisti di sistema possono discernere le sorgenti EMI all’interno di un denso spettro elettromagnetico.

L’eccezionalmente basso rumore e le intuitive funzioni per l’analisi dello spettro, rendono il WavePro HD un potente strumento per la ricerca delle interferenze.

Analizzare rumore e Jitter nei dati seriali

Analisi bus seriali veloci con oscilloscopio Teledyne LeCroy WavePro HDPer le analisi dei dati seriali, la risoluzione di 12 bit, il basso rumore di fondo e l’eccezionalmente basso Jitter della base dei tempi (60 fs), danno al WavePro un tremendo vantaggio nelle misure di rumore e di Jitter.

L’opzione SDAIII CompleteLinQ è il più completo insieme di funzioni per l’analisi del rumore verticale e del jitter dei dati seriali, mentre l’opzione QualiPHY per l’analisi di conformità di protocollo, consente una facile validazione dei sistemi al livello fisico.

L’interfaccia ProBus2 supporta gli 8 GHz

Sonde con interfaccia ProBus2Il WavePro HD è dotato della nuova interfaccia per sonde ProBus2 ad 8 GHz, compatibile con BNC. Le nuove sonde a 8 e a 6 GHz ProBus2 si connettono direttamente al WavePro HD, così come l’interfaccia a 4 GHz ProBus si connette agli altri oscilloscopi Teledyne LeCroy.

Inoltre, le sonde ProBus funzionano con la nuova interfaccia ProBus2, senza l’utilizzo di adattatori, viene quindi garantita la compatibilità dei nuovi WavePro HD con l’ampia gamma di sonde Teledyne LeCroy già esistenti.

Prezzi e disponibilità

L'oscilloscopio WavePro HD è ora disponibile al prezzo di € 31.595 per il modello 254HD da 2,5 GHz, € 40.260 per il 404HD da 4 GHz, € 58.095 per il 604HD da 6 GHz e € 72.365 per il 804HD da 8 GHz. Tutti i modelli sono disponibili anche in versione a canali misti (MSO).

Fiere e Seminari

Logo FocusonPCB

FocusonPCB - Vicenza, 13-14 maggio 2026

"Focus on PCB – From Design to Assembly” torna a Vicenza il 13 e 14 maggio 2026 confermandosi come l’evento di riferimento in Europa per l’industria dei circuiti stampati e per…

Oscilloscopio MXO 3

Focus on PCB - 13-14 maggio, Fiera di Vicenza