www.strumentazioneelettronica.it

resultsUrl="https://www.strumentazioneelettronica.it/risultati-ricerca/"

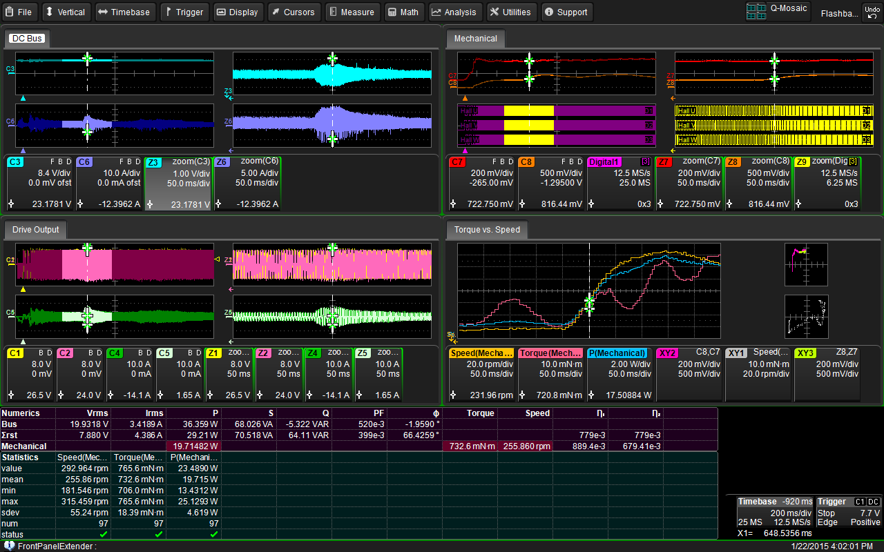
Analizzatore di azionamenti Teledyne LeCroy MDA 8000Teledyne LeCroy ha ulteriormente affinato la sua soluzione destinata alla caratterizzazione e collaudo di azionamenti per motori elettrici identificata dall'acronimo MDA (Motor Drive Analyzer).

La versione MDA 8000 è composta da un oscilloscopio HD a 12 bit corredato di un potente software di analisi che consente di effettuare la caratterizzazione di una catena cinematica comprendente un azionamento per motori elettrici (monofase o trifase), sia dei parametri in condizioni stazionarie, sia in condizioni dinamiche, correlando le informazioni elettriche con quelle delle grandezze meccaniche acquisite da sensori di coppia, velocità e posizione.

Gli analizzatori di azionamenti di Teledyne LeCroy si basano sulla piattaforma di oscilloscopi HDO8000 con 8 canali d’ingresso standard (con l’aggiunta opzionale di ulteriori 16 canali digitali) a 12 bit di risoluzione, campionamento a 2,5 GS/s, fino a 1 GHz di larghezza di banda e con memoria di acquisizione fino a 250 Mpts/ch.

Oltre a sonde e opzioni di analisi utili nelle applicazioni di elettronica generale, per gli oscilloscopi HD08000 sono disponibili un set completo di opzioni software per impostare il trigger e impostare la decodifica l'analisi dei principali protocolli seriali più diffusi nelle applicazioni che utilizzano azionamenti elettrici, nonché una vasta gamma di sonde di tensione e corrente specifiche per segnali di potenza .

Gli analizzatori di azionamenti possono rivelarsi particolarmente utili per per chi progetta e produce motori elettrici, azionamenti e convertitori di frequenza per variare la velocità del motore e per chi si occupa in genere automazione industriale e sistemi di controllo del movimento.

Una soluzione completa per validazione e debug di sistemi per il controllo del moto

Un azionamento per motori elettrici comprende solitamente un complesso mix di elettronica di potenza trifase, sensori meccanici analogici e digitali e controlli integrati, nei quali convivono numerosi segnali analogici, digitali, seriali e con modulazione PWM.

Gli oscilloscopi digitali convenzionali con risoluzione a 8 bit possono acquisire segnali veloci relativi ai sistemi di controllo o a transistor di potenza, ma hanno difficoltà ad affrontare segnali in cui si sovrappongono piccole e rapide variazioni dinamiche a segnali di grande ampiezza lentamente variabili, a causa delle limitata dinamica dei convertitori A/D a 8 bit.

Grazie al sistema di acquisizione ad elevata risoluzione, gli analizzatori di azionamenti riesco ad acquisire le forme d’onda dalla sezione di potenza trifase del drive, ma anche le distorsioni tipiche introdotte dai transistor di potenza e dai sistemi di controllo, senza dover affrontare particolari limitazioni dovute all'elevate dinamica dei segnali..

Dai numeri alle informazioni caratteristiche

Analisi su azionamento e motore elettricoUna delle caratteristiche peculiari dell'analizzatore di azionamenti è la possibilità di visualizzare in modo semplice e immediato tutti i parametri di interesse tipici del controllo motori, dalle tensione e corrente alla potenza (reale, apparente e reattiva), dal fattore di potenza al rendimento energetico, che vengono calcolati automaticamente a partire dalle forme d'onda acquisite dall'oscilloscopio ad alte definizione.

La grande memoria di acquisizione dei Motor Drive Analyzer (fino a 250 Mpts//canale) facilita l'analisi del comportamento dinamico o di risposta ai transitori anche dei più complessi sistemi di azionamento trifase.

Ad esempio, è possibile l’acquisizione continua per un tempo di 25 secondi ad una frequenza di campionamento di 10 MS/s. Ciò consente di interpretare i comportamenti dinamici dell'azionamento, come l'avviamento o la frenatura, l’applicazione del carico e le sue possibili rapide variazioni, la correlazione dei problemi di risposta del drive alle diverse istruzioni date dal sistema di controllo, a guasti alla sezione di potenza.

L’interfaccia utente grafica dell'oscilloscopio è estremamente intuitiva e fornisce una facile guida per tutte le impostazioni e i collegamenti con il dispositivo in prova.

Le impostazioni sono possibili per ogni combinazione di ingresso/uscita monofase o trifase e supporta lo strumento entrambi i metodi di calcolo dei 2 e dei 3 wattmetri e la conversione di tensione da linea-linea a linea-neutro. Utilizzando il metodo dei 2 wattmetri e gli 8 ingressi dell’oscilloscopio HDO8000, è possibile misurare il rendimento complessivo dell'azionamento o del motore.

Il software in dotazione è stato sviluppato per semplificare l'analisi dei sistemi di controllo che utilizzano i più comuni sensori per acquisire il segnale di retroazione del motore (velocità, rotazione, posizione), tra cui tachimetri analogici e digitali, sensori Hall, encoder e resolver.

Fiere e Seminari

Logo FocusonPCB

FocusonPCB - Vicenza, 13-14 maggio 2026

"Focus on PCB – From Design to Assembly” torna a Vicenza il 13 e 14 maggio 2026 confermandosi come l’evento di riferimento in Europa per l’industria dei circuiti stampati e per…

Oscilloscopio MXO 3

Focus on PCB - 13-14 maggio, Fiera di Vicenza