www.strumentazioneelettronica.it

resultsUrl="https://www.strumentazioneelettronica.it/risultati-ricerca/"

Segnale con modulazione PAM-4Si avvicina la rivoluzione nelle modalità di trasferimento dei segnali digitali. Il costante aumento delle velocità di trasmissione richieste farà presto andare in pensione il semplicissimo schema di codifica a 2 livelli NRZ (Non Return to Zero) per trasferire un flusso di bit da un punto all'altro.

Il formato PAM-4 è il candidato più quotato a diventare la soluzione più diffusa in moltissime applicazioni, che spaziano dai sistemi di comunicazione ottica alle connessioni a corto raggio sui backplane.

Per far fronte al continuo aumento delle velocità di trasmissione nei sistemi digitali si fa fatica ad aumentare la velocità di cifra, in quanto ad ogni aumento del ritmo di clock corrisponde un aumento della banda dei segnali, che introduce complessità sempre maggiori nelle realizzazione pratica dei circuiti.

Serve introdurre un'altra dimensione per codificare i segnali digitali. Lo schema di codifica PAM-4, (4 level Pulse Amplitude Modulation), o modulazione dell'ampiezza degli impulsi a 4 livelli, è un esempio di come si possa aumentare la velocità di trasferimento dei dati senza aumentare la frequenza di clock, bensì aumentando il numero di bit trasportati da ogni impulsi.

Come il nome fa facilmente intuire, la modulazione PAM-4 prevede quattro valori ammessi per l'ampiezza di ciascun impulso, anziché i soli due delle classica modulazione NRZ (o PAM-2). Potendo il segnale assumere 4 livelli, in un solo ciclo si possono codificare 2 bit.

 Segnale NRZ e diagramma ad occhioSegnale digitale NRZ (PAM a 2 livelli) e relativo diagramma ad occhio

 Segnale digitale con modulazione PAM-4 con 4 livelli di tensione ammessaSegnale digitale con modulazione PAM-4 con 4 livelli di tensione ammessa

Si tratta di uno schema di modulazione che si prevede verrà standardizzato a breve in diversi sistemi di comunicazione di nuova generazione, pertanto alcuni dei principali costruttori di strumentazione hanno cominciato a presentare dei prodotti appositi che facilitano la caratterizzazione e l'analisi dei segnali con modulazione PAM-4.

Il classico diagramma ad occhio tipico dei segnali digitali diventa nel caso della modulazione PAM-4 una specie di 'mostro a 3 occhi'.

Pertanto, non basta più misurare la  sola apertura dell'occhio, ce ne sono ben 3, e bisogna imparare ad occuparsi di un numero di parametri ben superiore, visto il segnale può dar luogo a ben 12 tipi di transizioni, anziché le solo due transizioni presenti nei segnali digitali classici.

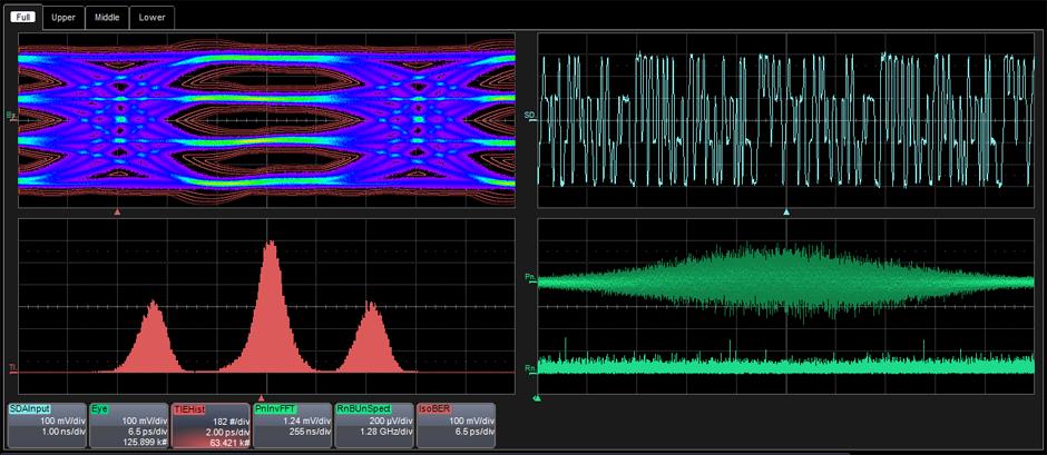
Misure automatiche su segnali con modulazione PAM-4Alcuni dei primi esempi sono il pacchetto software N8827A PAM-4 di Keysight per l'analisi dei segnali PAM-4 per i suoi oscilloscopi Serie V e Serie Z e il corrispondente pacchetto N8827B PAM-4 per i suoi oscilloscopi Serie S.

Installando i pacchetti software N8827A/B PAM-4 tramite l'oscilloscopio diventa molto semplice misurare la larghezza, l'altezza e la simmetria dell'occhio generato dai segnali PAM-4, nonché il valore dell'ampiezza dei vari livelli, del rumore e delle variazioni statistiche dei livelli di tensione assunti dal segnale.

I pacchetti software per l'analisi dei segnali PAM-4 proposti da Keyisght possono essere combinati con altri applicativi di misura disponibili per le stesse serie di oscilloscopi, ad esempio per l'analisi del jitter e degli effetti delle operazioni di embedding/de-embedding introdotte negli equalizzatori presenti nei ricetrasmettitori dei bus digitali.

Caratterizzazione segnali PAM-4

Un altro pacchetto dedicato alla caratterizzazione dei segnali PAM-4 è stato sviluppato da Teledyne LeCroy per tutti i suoi oscilloscopi di fascia alta, tra cui i modelli delle serie WavePro 7 Zi, WaveMaster 8 Zi, LabMaster 9 Zi e LabMaster 10 Zi.

Il software PAM4 Signal Analysis di Teledyne LeCroy permette non solo di misurare le aperture dei diversi occhi, ma anche di effettuare sofisticate analisi di jitter scomponendole nelle componenti deterministiche e casuali visualizzandole con grafici che mettono in evidenza le caratteristiche che aiutano a risalire alla causa originaria di eventuali problemi di integrità del segnale.

Fiere e Seminari

Logo FocusonPCB

FocusonPCB - Vicenza, 13-14 maggio 2026

"Focus on PCB – From Design to Assembly” torna a Vicenza il 13 e 14 maggio 2026 confermandosi come l’evento di riferimento in Europa per l’industria dei circuiti stampati e per…

Oscilloscopio MXO 3

Focus on PCB - 13-14 maggio, Fiera di Vicenza