www.strumentazioneelettronica.it

resultsUrl="https://www.strumentazioneelettronica.it/risultati-ricerca/"

Analizzatore digitale HDS125 abbinato all'oscilloscopio Teledyne LeCroyCon l’introduzione dell'analizzatore di segnali digitali ad alta velocità HDA125, Teledyne LeCroy ha potenziato le notevolmente le funzionalità dei suoi oscilloscopi.

L’analizzatore digitale HDA125 è un sistema capace di acquisire 18 canali di dati digitali a 12.5 GS/s, che vengono visualizzati sullo schermo dell'oscilloscopio a cui viene collegato tramite l'interfaccia LBUS presente negli strumenti di Teledyne LeCroy.

La combinazione delle funzioni dell'oscilloscopio con quelle dell'analizzatore di segnali digitali permette di eseguire efficacemente attività di sviluppo e debug su sistemi elettronici a segnali misti. Per l'occasione, Teledyne LeCroy ha anche annunciato il sistema di sonde a basso costo QuickLink, composto da punte di contatto ad alta fedeltà del segnale che possono essere utilizzate sia con l’analizzatore HDA125, sia con le sonde Teledyne LeCroy WaveLink utilizzando il nuovo adattatore Dxx30-QL QuickLink.

Analizzatore digitale ad alta velocità HDA125

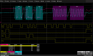
Analisi segnali digitali con campionamento a 12,5 Gs/sLo strumento HDA125 campiona contemporaneamente 18 segnali in ingresso con intervalli di 80 ps (12,5 GS/s) per garantire una caratterizzazione accurata anche dei segnali digitali veloci.

Ma l'elevata frequenza di campionamento non è tutto. La verifica del corretto funzionamento dei sistemi elettronici embedded ad alta velocità impone spesso la necessità di affrontare condizioni di misura critiche dovute alla ridotta ampiezza dei segnali.

L’analizzatore digitale di Teledyne LeCroy risponde a queste necessità con un sistema di connessione ai segnali da 3 GHz e che offre un carico bassissimo sui segnali da misurare, oltre a un'estrema sensibilità (escursione minima del segnale di 150 mV). Grazie a queste caratteristiche, il sistema garantisce l’interpretazione più precisa dei segnali digitali, con la capacità di regolare dettagliatamente le caratteristiche di isteresi e i punti di soglia con grande accuratezza.

Sistema di sonde QuickLink

Sistema di sonde Quick Link di Teledyne LeCroyIl sistema di QuickLink è stato progettato da zero per essere compatibile sia con l’analizzatore digitale HDA125, sia con le sonde differenziali analogiche Teledyne LeCroy della serie WaveLink.

La compatibilità consente ad un dispositivo sotto test (DUT) di essere equipaggiato con i contatti a saldare delle sonde QuickLink Solder-In (QL-SI) in ogni punto di test desiderato, dando la possibilità di scambiare i collegamenti tra il sistema di acquisizione analogico e quello digitale a seconda delle diverse necessità di misura e collaudo.

A differenza di altre soluzioni di contatto con sonde “a perdere", il sistema di contatti a saldare QL-SI utilizza un cavo integrato di 9 pollici.

Quando la punta di contatto QL-SI viene connessa alla sonda analogica WaveLink usando il nuovo adattatore Dxx30-QL, il sistema QuickLink garantisce una larghezza di banda di 6 GHz sulla punta della sonda con una risposta in frequenza piatta.

Usata per le acquisizioni digitali con il HDA125, la punta della sonda a saldare supporta una larghezza di banda di 3 GHz con un'elevatissima sensibilità. In entrambi i casi, l’elevata impedenza di ingresso (110 kΩ, 0.12 pF differenziale) assicura un carico minimo sul dispositivo in prova.

Validazione e debug di memorie DDR

Analisi di segnali DDRA complemento della soluzione di analisi per segnali misti composta da analizzatore digitale e oscilloscopio, Teledyne LeCroy offre anche un toolkit dedicato al debug di sistemi DDR progettato per semplificare la complessa attività di validazione delle interfacce di memoria.

Grazie allo strumento HDA125, il bus dei comandi delle memorie DDR acquisito ed integrato direttamente nello strumento di analisi analisi, con la possibilità di abilitare sofisticate capacità di trigger e sistemi di ricerca dello stato del bus.

Fiere e Seminari

Logo FocusonPCB

FocusonPCB - Vicenza, 13-14 maggio 2026

"Focus on PCB – From Design to Assembly” torna a Vicenza il 13 e 14 maggio 2026 confermandosi come l’evento di riferimento in Europa per l’industria dei circuiti stampati e per…

Oscilloscopio MXO 3

Focus on PCB - 13-14 maggio, Fiera di Vicenza