www.strumentazioneelettronica.it

resultsUrl="https://www.strumentazioneelettronica.it/risultati-ricerca/"

Ricevitore SDR a 4 canali NI USRP-2945National Instruments ha introdotto due nuovi e più potenti modelli dalla sua famiglia di radio definite dal software dedicate alla ricerca e alla sperimentazione di sistemi e algoritmi di trattamento del segnale.

I nuovo dispositivi della serie USRP (Universal Software Radio Peripheral) sono il ricevitore a 4 canali USRP-2945 e la radio MIMO 2x2 ad alte prestazioni USRP-2944, entrambi in grado di funzionare nella banda di frequenza compresa da 10 MHz a 6 GHz.

Le radio definite dal software (SDR) di National Instruments possono essere programmate sfruttando LabVIEW per realizzare rapidamente prototipi di sistemi di comunicazione wireless e per la sperimentazione di algoritmi di trattamento del segnale tramite le FPGA programmabili integrate direttamente all'interno dei dispositivi.

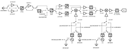
Progettato specificatamente per acquisire ed elaborare direttamente il segnale radio captato, il modello USRP-2945 utilizza uno stadio di ingresso con architettura supereterodina a doppia conversione per garantire la selettività e la sensibilità richiesta per affrontare applicazioni di monitoraggio e analisi dello spettro.

Stadio d'ingresso supereterodina a doppia conversione

Grazie ai suoi 4 ricevitori, ognuno dei quali offre una larghezza di banda di elaborazione del segnale in tempo reale di 80 MHz tramite la FPGA integrata, e alla capacità di condividere e configurare i 4 oscillatori locali integrati, il dispositivo si presta a realizzare anche sistemi di radiolocalizzazione e radiogonometria avanzati.

Il dispositivo USRP-2944 è invece un completo ricetrasmettitore in grado di supportare una configurazione MIMO 2x2 sulla banda di frequenza compresa tra 10 MHz e 6 GHz con la capacità di elaborare segnali in tempo reale con una larghezza di banda di 160 MHz per canale.

Radio definita del software abbinati a registratore di segnali RAID

Si presta pertanto alla realizzazione di studi e prototipi per applicazioni nel campo delle reti LTE e WiFi di ultima generazione, oltre che per la sperimentazione di sistemi wireless e di comunicazione innovativi di ogni genere.

Fiere e Seminari

Logo FocusonPCB

FocusonPCB - Vicenza, 13-14 maggio 2026

"Focus on PCB – From Design to Assembly” torna a Vicenza il 13 e 14 maggio 2026 confermandosi come l’evento di riferimento in Europa per l’industria dei circuiti stampati e per…

Oscilloscopio MXO 3

Focus on PCB - 13-14 maggio, Fiera di Vicenza