www.strumentazioneelettronica.it

resultsUrl="https://www.strumentazioneelettronica.it/risultati-ricerca/"

Modulatore vettoriale Advantex AVM4L'azienda russa Advantex ha presentato un interessante modulatore vettoriale compatto utilie per generare segnali modulati digitalmente su portanti con frequenza compresa tra 100 MHz e 4 GHz.

La larghezza di banda dei segnali modulanti in fase e in quadratura (I e Q) di ben 500 MHz permette di generare segnali di stimolo per collaudare sistemi di comunicazione che lavorano anche con modulazioni digitali complesse.

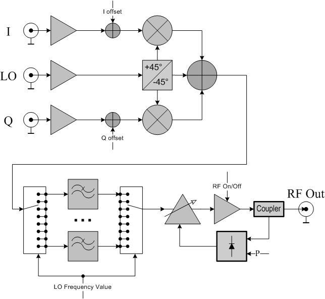
Schema del modulatore vettoriale Advantex AVM4Lo schema a blocchi del modulatore vettoriale AVM4 mostra come il segnale della portante presente all'ingresso LO venga sfasato di 45° in anticipo e in ritardo per essere moltiplicato rispettivamente con i segnali provenienti dagli ingresso dei segnali in banda base I e Q.

Il segnale modulato risultante viene filtrato per eliminare i prodotti di intermodulazione indesiderati e poi passato ad uno stadio di controllo automatico del guadagno.

La soppressione delle bande laterali dei segnali I e Q è garantita in una gamma di valore da -40 dB a -60 dB, mentre la soppressione della portante è di -60 dB.

Il livello del segnale di uscità può essere impostato con una risoluzione di 0,05 dB entro la gamma di valori compresa tra -30 dBm e +20 dBm con un'accuratezza assoluta di ±0,2 dB.

Il modulatore AVM si può programmare da remoto tramite le interfacce USB e RS-232 incorporate mediante i classici comandi  SCPI.

Fiere e Seminari

Logo FocusonPCB

FocusonPCB - Vicenza, 13-14 maggio 2026

"Focus on PCB – From Design to Assembly” torna a Vicenza il 13 e 14 maggio 2026 confermandosi come l’evento di riferimento in Europa per l’industria dei circuiti stampati e per…

Oscilloscopio MXO 3

Focus on PCB - 13-14 maggio, Fiera di Vicenza