www.strumentazioneelettronica.it

resultsUrl="https://www.strumentazioneelettronica.it/risultati-ricerca/"

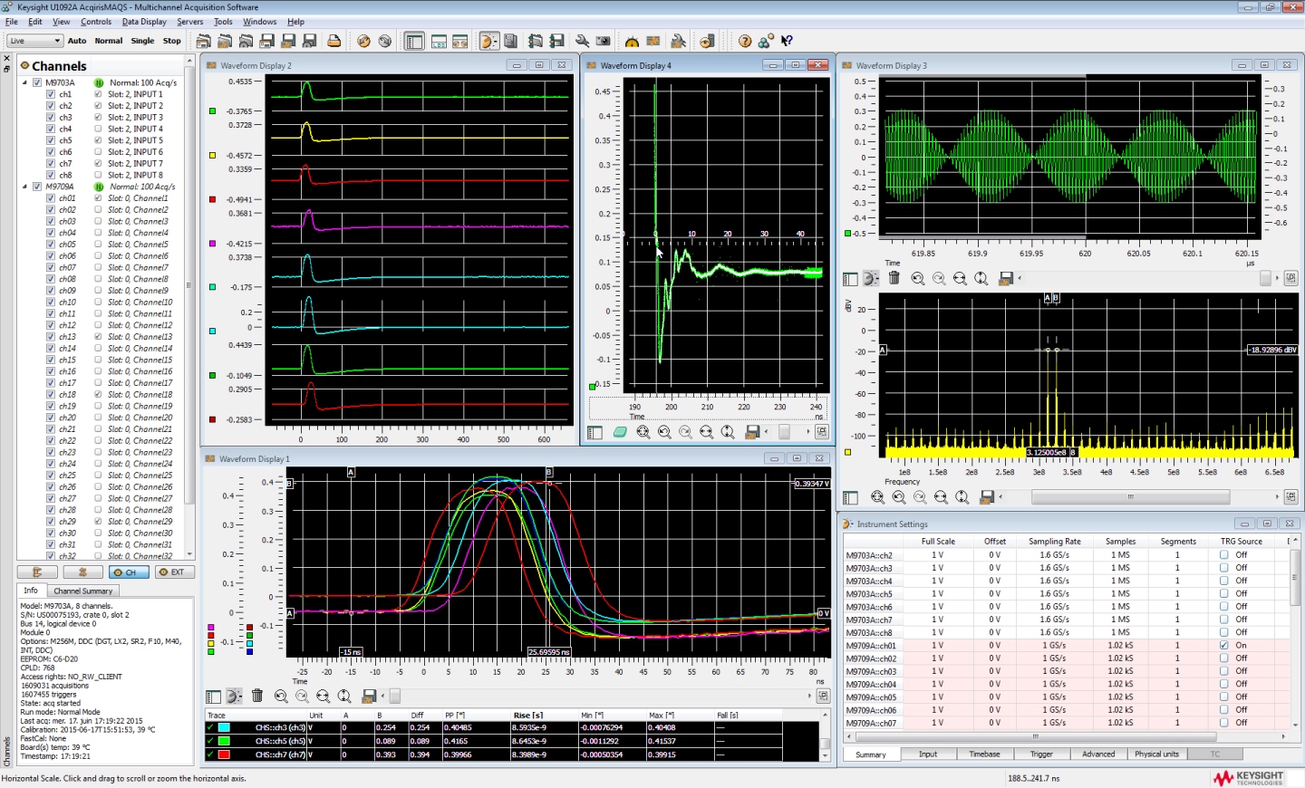
Software AcqirisMAQS e digitalizzatori modulariKeysight Technologies ha presentato una nuova versione del suo software dedicato all'acquisizione dati multicanale U1092A AcqirisMAQS.

Si tratta di un'applicazione specificatamente progettata per soddisfare le esigenze di registrazione e analisi di una grande moltitudine di canali ad alta velocità, ad esempio raccolti con sistemi di acquisizione dati di ultima generazione, come il suo digitalizzatore AXIe a 8 bit M9709A.

Una delle particolarità del software AcqirisMAQS è la sua capacità di gestire la configurazione e la visualizzazione di dati provenienti anche da centinaia di canali di acquisizione da una singola console.

La sua architettura supporta il controllo remoto e la distribuzione dei dati via LAN, che lo ha reso molto popolare in diverse applicazioni di ricerca scientifica avanzata, dalla fisica delle alte energie allo studio dell'idrodinamica, dagli esperimenti di fusione al plasma alla radioastronomia.

Software Keysight AcqirisMAQSL'interfaccia utente grafica totalmente configurabile dall'utente permette di selezionare e configurare facilmente le caratteristiche dei diversi canali di acquisizione.

I dati acquisiti vengono presentati in finestre multiple anch'esse configurabili a piacere, sia in termini di assi che di stili di visualizzazione.

Le funzioni di visualizzazione comprendono varie modalità per sovrapporre dati provenienti da più canali e/o elaborati e filtrati secondo diversi algoritmi, FFT compresa.

Fiere e Seminari

Logo FocusonPCB

FocusonPCB - Vicenza, 13-14 maggio 2026

"Focus on PCB – From Design to Assembly” torna a Vicenza il 13 e 14 maggio 2026 confermandosi come l’evento di riferimento in Europa per l’industria dei circuiti stampati e per…

Oscilloscopio MXO 3

Focus on PCB - 13-14 maggio, Fiera di Vicenza