www.strumentazioneelettronica.it

resultsUrl="https://www.strumentazioneelettronica.it/risultati-ricerca/"

Digitalizzatore PCIe da 5 Gs/sSpectrum ha presentato un digitalizzatore sotto forma di scheda PCIe che raggiunge la straordinaria velocità di campionamento di 5 Gs/s, sufficiente per catturare segnali con una larghezza di banda fino a 1 GHz.

Si tratta del nuovo prodotto di punta dell'azienda tedesca nel campo dei digitalizzatori per PC che si presta a realizzare sistemi di misura e collaudo in grado di caratterizzare in tempo segnale i segnali più veloci.

I nuovi modelli della famiglia M4i-22xx-x8 sono disponibili in quattro varianti da 1, 2 e 4 canali e consentono di raggiungere la velocità di campionamento massima di 5 Gs/s a 8 bit con un canale attivo, 2,5 Gs/s con 2 canali attivi e 1,25 canali attivi contemporaneamente, supportati da una memoria di acquisizione integrata di 4 GB.

Grazie all'interfaccia di nuova generazione PCI Express x8 Gen2, le schede di acquisizione riescono a trasferire i dati al PC che le ospita per effettuare elaborazioni successive ad una velocità che può arrivare a 3,4 GB/s.

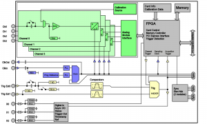
Schema a blocchi dei digitalizzatori Spectrum M4iCome gli altri digitalizzatori della stessa famiglia, anche queste nuove schede di Spectrum non sono dei semplici sistemi di conversione analogico/digitale, bensì possono effettuare diverse elaborazioni in tempo reale per realizzare sistemi di acquisizione complessi ad elevata velocità ed efficienza.

Ad esempio, sono presente le funzionalità di trigger e buffering tipiche dei sistemi di misura e degli oscilloscopi, come l'acquisizione con gate temporale, la memoria segmentata, il filtraggio digitale, la media mobile e altre funzioni specifiche che possono essere personalizzate dall'utilizzatore grazie alla FPGA riprogrammabile integrata.

Lo stadio di ingresso a basso rumore è già calibrato e accetta segnali con una dinamica compresa tra ±200 mV±2,5 V, mentre il tempo minimo di riarmo del trigger arriva a soli 80 campioni (16 ns @ 5 GS/s), un valore che consente la cattura di segnali intermittenti molto veloci e ravvicinati.

Per affrontare applicazioni che devono supportare più di 4 canali, è possile inserire fino a otto schede della serie M4i all'interno dello stesso sistema sfruttando un sistema di sincronizzazione a stella che distribuisce i segnali di clock e trigger tra le varie schede.

Per gestire e far funzionare le schede è possibile utilizzare il pacchetto software Sbench6 realizzato da Spectrum, oppure utilizzare tutti i comuni ambienti e linguaggi di programmazione più diffusi, da Matlab a LabVIEW, dal C++ al Visual Basic.

Il prezzo di listino delle schede M4i-22xx-x8 parte da circa € 4.000.

Fiere e Seminari

Logo FocusonPCB

FocusonPCB - Vicenza, 13-14 maggio 2026

"Focus on PCB – From Design to Assembly” torna a Vicenza il 13 e 14 maggio 2026 confermandosi come l’evento di riferimento in Europa per l’industria dei circuiti stampati e per…

Oscilloscopio MXO 3

Focus on PCB - 13-14 maggio, Fiera di Vicenza