www.strumentazioneelettronica.it

resultsUrl="https://www.strumentazioneelettronica.it/risultati-ricerca/"

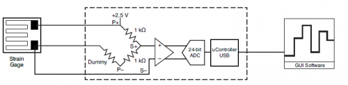
StudentDAQ di Micro MeasurementsMicro-Measurements ha rinnovato il suo sistema di acquisizione dati miniaturizzato StudentDAQ dedicato all'acquisizione dei segnali dagli estensimetri resistivi (strain gauge).

La nuova versione del prodotto, che si alimenta tramite la porta USB di collegamento al computer, accetta in ingresso i segnali di un sensore estesimetrico da 350 Ω e 1 kΩ, oltre che da 120 Ω come nel modello precedente.

Questo minuscolo strumento realizzato dall'azienda americana ora parte del gruppo Vishay è stato ottimizzato per supportare sia le applicazioni didattiche, sia quelle che non richiedono particolari operazioni di taratura.

Lo strumento è di semplicissimo da utilizzare in quanto dispone di tutti gli ingressi necessari e i componenti interni necessari per collegarsi agli estensimetri in configurazione quarto di ponte, mezzo ponte e ponte intero.

Una volta collegato l'estensimetro tramite la presa RJ-45 integrata in StudentDAQ, si possono osservare e registrare le variazioni del segnale acquisito tramite il software grafico gratuito fornito da Micro Measurements, oppure interfacciandosi con i tanti ambienti di programmazione dedicati all'acquisizione dati, a partire da LabVIEW.

DAQ miniaturizzato per estensimetri

Internamente lo strumento StudentDAQ contiene un convertitore A/D di tipo delta-sigma a 24 bit che garantisce una gamma di valori misurabili di ±16,000 µε con una frequenza di campionamento di 80 Hz e un'accuratezza dell'1%.

Fiere e Seminari

Logo FocusonPCB

FocusonPCB - Vicenza, 13-14 maggio 2026

"Focus on PCB – From Design to Assembly” torna a Vicenza il 13 e 14 maggio 2026 confermandosi come l’evento di riferimento in Europa per l’industria dei circuiti stampati e per…

Oscilloscopio MXO 3

Focus on PCB - 13-14 maggio, Fiera di Vicenza